电脑桌面
添加小米粒文库到电脑桌面
安装后可以在桌面快捷访问

windchillPDM硬件项目安装实施报告VIP免费

windchillPDM硬件项目安装实施报告_第1页
1/21
windchillPDM硬件项目安装实施报告_第2页
2/21
windchillPDM硬件项目安装实施报告_第3页
3/21
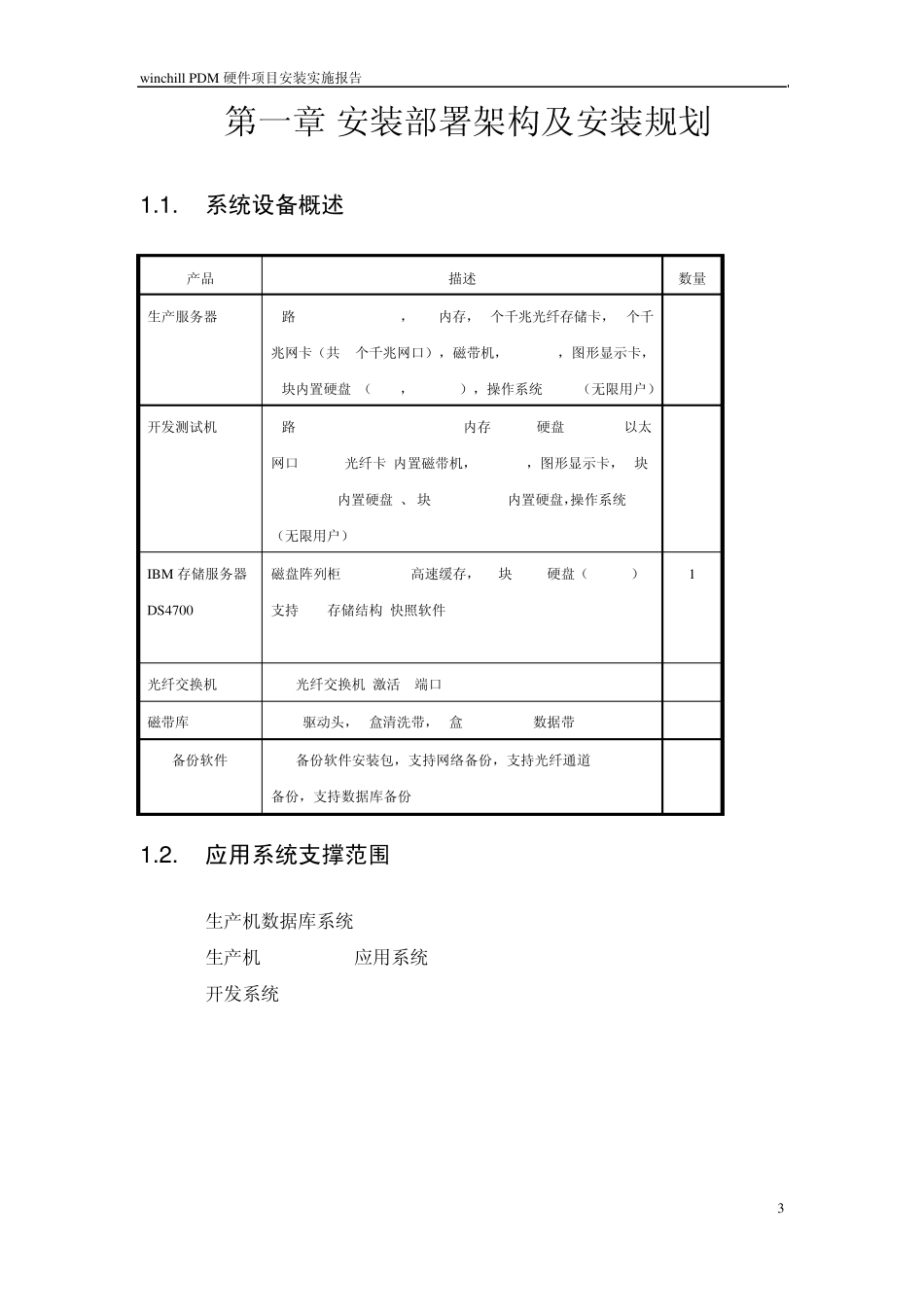
w inchill PDM 硬件项目安装实施报告 1 w indchill PDM 硬件 项目安装实施报告 2 0 0 8 年 3 月 2 1 日 w inchill PDM 硬件项目安装实施报告 2 目 录 第一章 安装部署架构及安装规划 ............................................................................................. 3 1.1. 系统设备概述 ............................................................................................................... 3 1.2. 应用系统支撑范围 ....................................................................................................... 3 1.3. 硬件拓扑图 ................................................................................................................... 4 1.4. DS4700 存储划分 ......................................................................................................... 5 1.5. 主机、存储IP 规划 ..................................................................................................... 6 1.6. 主机端文件系统划分 ................................................................................................... 6 1.7. 双机模式 ....................................................................................................................... 7 第二章 PDM 系统日常维护方法 ........................................................................................... 8 2.1 启动,停止 PDM 系统双机 ........................................................................................ 8 2.2 DS4700 存储快照脚本使用方法 ............................................................................... 12 2.3 TSM 备份软件日常维护............................................................................................ 15 w inchill PDM 硬件项目安装实施报告 3 第一章 安装部署架构及安装规划 1 .1 . 系统设备概述 产品 描述 数量 生产服务器 8路Power5+1.8G CPU,24G内存,2个千兆光纤存储卡,1个千兆网卡(共3个千兆网口),磁带机,DVD-ROM,图形显示卡,2块内置硬盘 (73GB,15K ...

1、当您付费下载文档后,您只拥有了使用权限,并不意味着购买了版权,文档只能用于自身使用,不得用于其他商业用途(如 [转卖]进行直接盈利或[编辑后售卖]进行间接盈利)。
2、本站所有内容均由合作方或网友上传,本站不对文档的完整性、权威性及其观点立场正确性做任何保证或承诺!文档内容仅供研究参考,付费前请自行鉴别。
3、如文档内容存在违规,或者侵犯商业秘密、侵犯著作权等,请点击“违规举报”。

碎片内容

windchillPDM硬件项目安装实施报告

确认删除?
VIP
微信客服
  • 扫码咨询
会员Q群
  • 会员专属群点击这里加入QQ群
客服邮箱
回到顶部