电脑桌面
添加小米粒文库到电脑桌面
安装后可以在桌面快捷访问

XGN210Z说明书VIP专享VIP免费

XGN210Z说明书_第1页
1/22
XGN210Z说明书_第2页
2/22
XGN210Z说明书_第3页
3/22
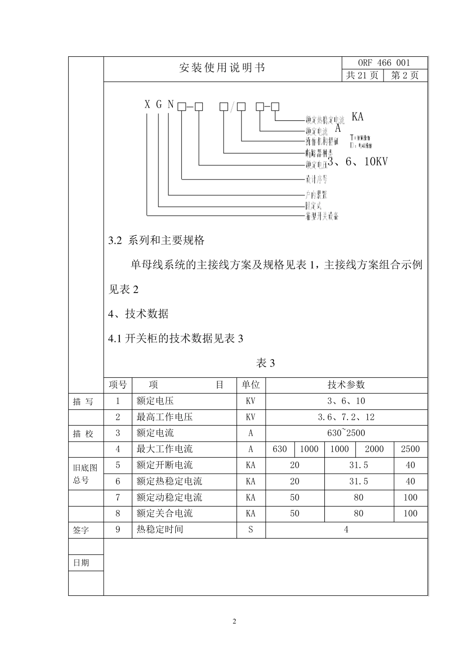
XGN2-10Z 箱型固定式金属封闭开关设备 安装使用说明书 ORF.466.001 沈阳日丰 成 控 电 气 制 造 有 限 公 司 二 零 零 九 年 十 二 月 日 1 设计文件名称 安装使用说明书 ORF 466 001 产品型号、名称 XGN2-10Z 箱式固定式金属封闭开关柜 共 21 页 第1 页 1、概述 XGN2-10Z 箱型固定式金属封闭开关设备(简称开关柜)用于3、6、10KV三相交流50HZ 系统中作为接受与分配电能之用,特别适合于频繁操作的场合,其母线系统为单母线(并可派生出单线母带旁路和双母线结构)。 本开关柜符合国家标准GB3906《3~35KV 交流金属封闭开关设备》及国际标准IEC298 的要求,并且有两部提出的“五防”闭锁功能。 本开关柜的主开关采用ZN28A-10 系列真空断路器,配用CD10 系列电磁和CT 系列弹簧操作机构,隔离开关采用GN30-10 旋转式隔离开关和GN22-10大电流隔离开关系列产品。 2、产品使用环境条件 2.1 环境:上限+40℃; 下限-25℃; 2.2 海拔高度不超过1000m; 2.3 相对湿度:平日均值不大于95%,月平均值不大于90%; 2.4 水蒸汽压: 平日均值不大 于2.2X10-3MPa ,月平均值不大 于1.8X10-3MPa; 2.5 地震裂度不超过8 度; 2.6 没有火灾、爆炸危险、严重 污 秽 、化 学 腐 蚀 及剧 烈 震动 的场所 3、产品系列及主要规 格 3.1 型号的组 成 描 写 描 校 旧 底 图总 号 底 图 总号 资 料 来 源 编 制 签 字 校 对 标准化 日期 提出部门 审 定 标记 处 数 更 改 文号 签 字 日期 批 准文号 批 准 2 安装使用说明书 ORF 466 001 共21 页 第2 页 X G NKAA3、6、10KV 3 .2 系列和主要规格 单母线系统的主接线方案及规格见表 1 ,主接线方案组合示例见表 2 4 、技术数据 4 .1 开关柜的技术数据见表 3 表 3 项号 项 目 单位 技术参数 描 写 1 额定电压 KV 3、6、10 2 最高工作电压 KV 3.6、7.2、12 描 校 3 额定电流 A 630~2500 4 最大工作电流 A 630 1000 1000 2000 2500 旧底图总号 5 额定开断电流 KA 20 31.5 40 6 额定热稳定电流 KA 20 31.5 40 7 额定动稳定电流 KA 50 80 100 8 额定关合电流 KA 50 80 100 签字 9 热稳定时间 S 4 日期 3 安装使用说明书 ORF 466 001 共21 页 第3 页 项号 项 目 单位 技术参数 10 防护等级 IP2...

1、当您付费下载文档后,您只拥有了使用权限,并不意味着购买了版权,文档只能用于自身使用,不得用于其他商业用途(如 [转卖]进行直接盈利或[编辑后售卖]进行间接盈利)。
2、本站所有内容均由合作方或网友上传,本站不对文档的完整性、权威性及其观点立场正确性做任何保证或承诺!文档内容仅供研究参考,付费前请自行鉴别。
3、如文档内容存在违规,或者侵犯商业秘密、侵犯著作权等,请点击“违规举报”。

碎片内容

XGN210Z说明书

确认删除?
VIP
微信客服
  • 扫码咨询
会员Q群
  • 会员专属群点击这里加入QQ群
客服邮箱
回到顶部