电脑桌面
添加小米粒文库到电脑桌面
安装后可以在桌面快捷访问

XX大桥0块三角托架计算书VIP免费

XX大桥0块三角托架计算书_第1页
1/21
XX大桥0块三角托架计算书_第2页
2/21
XX大桥0块三角托架计算书_第3页
3/21
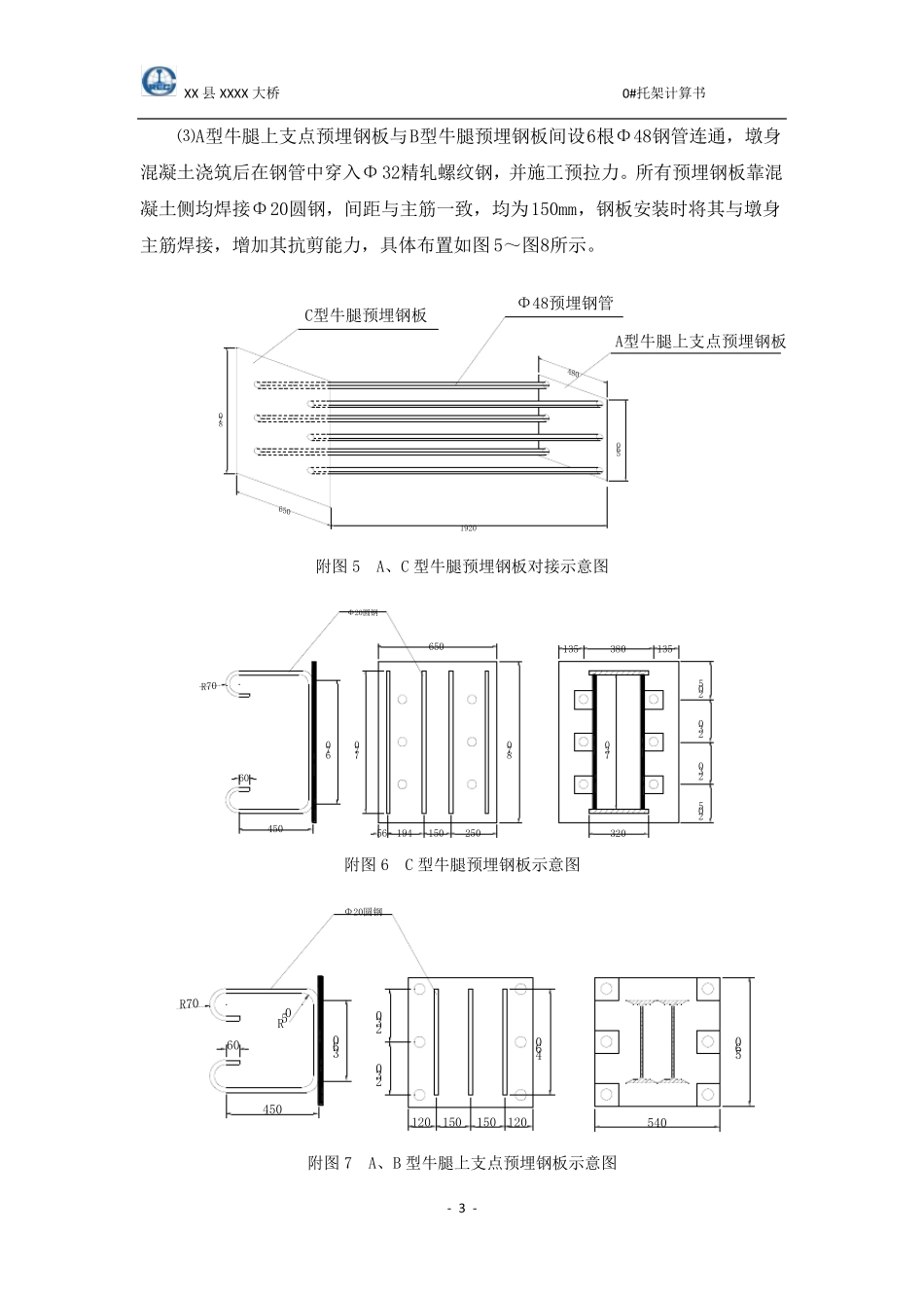
XX 县XXXX 大桥 0#托架计算书 - 1 - 附件一:XXXX 大桥O#块三角托架计算书 1、0#块托架结构形式 ⑴XXXX 大桥1#墩高 42.84m、2#墩高 44.68m,墩身高度较高,其截面形式见图 1。经比选,本着安全、经济有效的原则, O 号块支撑采用三角托架方案。 附图1 0#块箱梁截面形式 ⑵三角托架由牛腿、横梁和纵梁三部分组成。在墩身横桥向外侧布置5个牛腿,1个主墩布置10个,根据近似等荷载分配法确定牛腿横桥向间距分别为2.45m,3.08m,3.08m,2.45m。根据牛腿位置及其形式不同分为A、B、C型,其中A、B型牛腿构造上完全一致,仅位置及数量不同,A型牛腿位于墩身正面,一个墩共10片,B型牛腿位于圆端处,一个墩共4片;C型牛腿为2cm厚钢板制成的小牛腿,一个墩共10片,其具体布置形式见图2、3。 A型牛腿上布置横梁为两道双拼H40型钢,H40钢间距1.8m;B型牛腿上布置为两道双拼I36a工字钢,工字钢间距1.15m;C型牛腿上横梁为H70钢,中心间距为3.34m。 附图2 0#块托架平面布置示意图 308245308245600300115165180180横梁双拼H40横梁双拼H70横梁双拼I36aC型牛腿B型牛腿A型牛腿 XX 县XXXX 大桥 0#托架计算书 - 2 - 0#块模板采用钢模板,厚10.5cm,模板底纵梁为I25a,两支墩间纵梁长度为3.94m,悬臂段纵梁长度为3m,留1m的操作平台,操作平台上搭设安全围栏,高度不低于1.2m。详见图4。 附图3 0#块托架正面布置示意图 附图4 0#块托架侧面布置示意图 A型牛腿B型牛腿2100245308308245钢管横梁双拼H40纵梁I25a挂篮侧模桁架加强杆115116116A型牛腿C型牛腿200800200120030200钢模版10cm工字钢I25a,长3m钢管,直径450mm安全围栏安全围栏横梁双拼H70 钢管高度15cm 2cm厚钢板小牛腿 横梁双拼H40钢楔水平杆双拼I36a 斜撑双拼I25a300218150115 XX 县XXXX 大桥 0#托架计算书 - 3 - ⑶A型牛腿上支点预埋钢板与B型牛腿预埋钢板间设6根Φ48钢管连通,墩身混凝土浇筑后在钢管中穿入Φ32精轧螺纹钢,并施工预拉力。所有预埋钢板靠混凝土侧均焊接Φ20圆钢,间距与主筋一致,均为150mm,钢板安装时将其与墩身主筋焊接,增加其抗剪能力,具体布置如图 5~图8所示。 附图 5 A、C 型牛腿预埋钢板对接示意图 附图 6 C 型牛腿预埋钢板示意图 附图 7 A、B 型牛腿上支点预埋钢板示意图 A型牛腿上支点预埋钢板650870C型牛腿预埋钢板1920480560Φ48预埋钢管20523023020513538013532073056194250770650870Φ20圆钢150670R706045054...

1、当您付费下载文档后,您只拥有了使用权限,并不意味着购买了版权,文档只能用于自身使用,不得用于其他商业用途(如 [转卖]进行直接盈利或[编辑后售卖]进行间接盈利)。
2、本站所有内容均由合作方或网友上传,本站不对文档的完整性、权威性及其观点立场正确性做任何保证或承诺!文档内容仅供研究参考,付费前请自行鉴别。
3、如文档内容存在违规,或者侵犯商业秘密、侵犯著作权等,请点击“违规举报”。

碎片内容

XX大桥0块三角托架计算书

小辰2+ 关注
实名认证
内容提供者

出售各种资料和文档

确认删除?
VIP
微信客服
  • 扫码咨询
会员Q群
  • 会员专属群点击这里加入QQ群
客服邮箱
回到顶部