电脑桌面
添加小米粒文库到电脑桌面
安装后可以在桌面快捷访问

水准仪的认识与使用目的和要求VIP免费

水准仪的认识与使用目的和要求_第1页
1/2
水准仪的认识与使用目的和要求_第2页
2/2
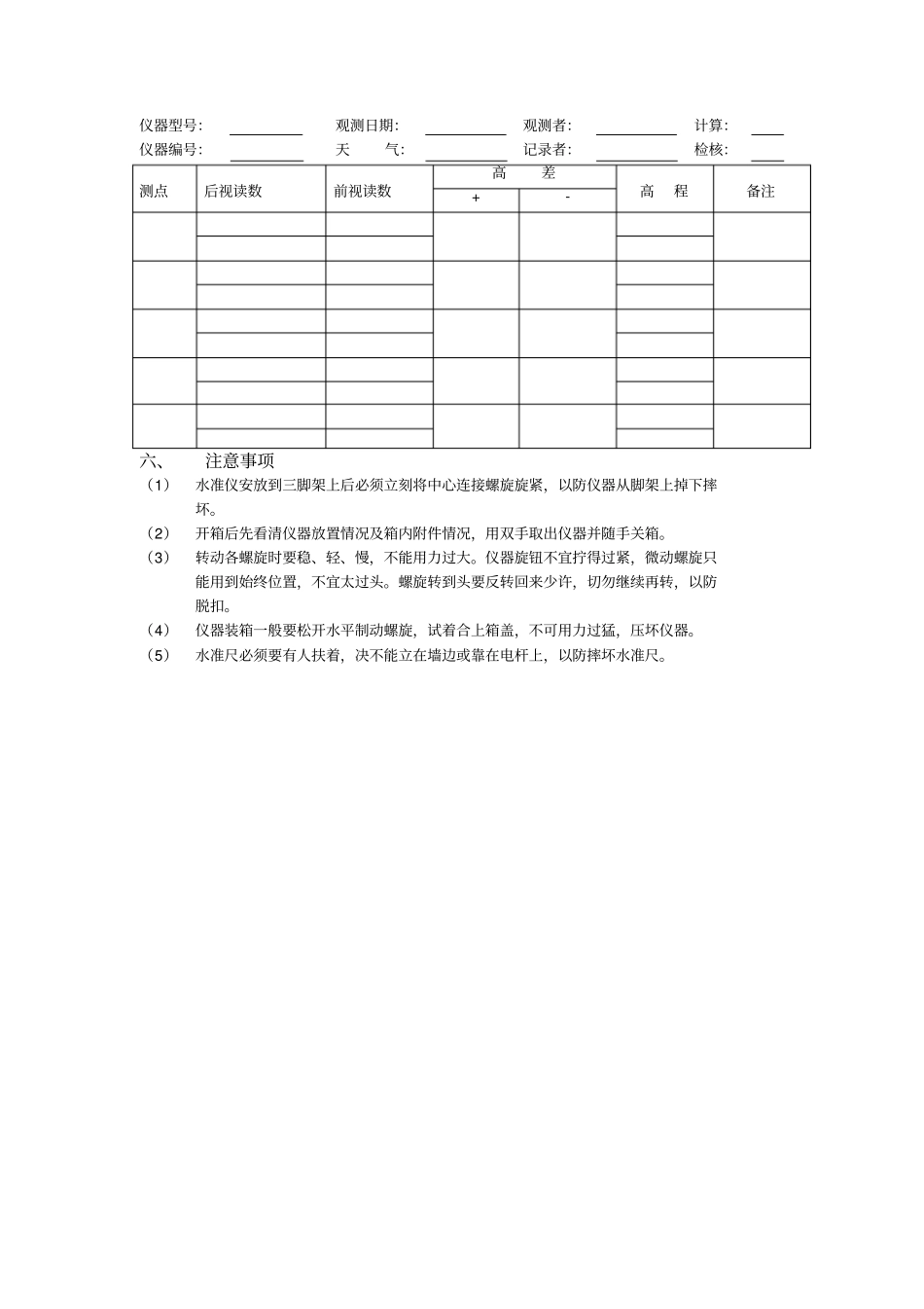
实验一水准仪的认识与使用一、目的和要求(1)了解 DS3 自动安平水准仪的基本构造,认清其主要部件的名称和作用。(2)掌握 DS3 自动安平水准仪的安置、瞄准和读数方法。(3)测定地面两点间高差。二、仪器和工具南方 DS3 自动安平水准仪1,水准脚架1,水准尺 2,记录板 1。三、实验内容(1)认识 DS3 自动安平水准仪的构造和各操作部件的名称、作用和操作方法。(2)练习水准仪的安置整平。(3)练习水准尺的读数方法。(4)初步练习高差的观测、记录及计算方法。四、实验方法与步骤1.安置仪器将脚架张开,使其高度适当,架头大致水平,踩实架腿。再开箱取出仪器将其固连在三角架上。2.认识仪器指出仪器各部分的名称,了解其作用并熟悉其使用方法,同时弄清水准尺的分划与注记。3.粗略整平旋转水准仪基座上的三个脚螺旋,使圆水准器气泡居中。先用双手同时向内(或向外)转动一对脚螺旋,使圆水准器气泡移动到中间,再转动另外一只脚螺旋,使圆气泡居中,通常需要反复进行。注意气泡移动的方向与左手拇指或右手食指运动方向一致.4.瞄准水准尺、精平与读数(1)瞄准。甲将水准尺立于某地面点上,乙松开水平制动螺旋,转动仪器,用粗瞄器粗略瞄准水准尺,固定制动螺旋,用微动螺旋使水准尺大致位于视场中央;转动目镜对光螺旋进行对光,使十字分划清晰,再转动物镜对光螺旋,看清水准尺影像;转动水平微动螺旋,使十字丝纵丝靠近水准尺的一端,若存在视差,则应仔细进行物镜对光予以消除。(2)精平。自动安平水准仪不需此操作,但要检查补偿器是否处在正常工作状态。(3)读数。用中丝在水准尺上读取4 位读数,即米、分米、厘米及毫米,一次读出4 位数,毫米级为估读数。读数后检查仪器视线是否精平。5.测定地面两点间的高差(1)在地面选定A 、B 两个坚固的点。(2)在 A 、B 两点间安置水准仪,使仪器至A、B 两点的距离大致相等。(3)竖立水准尺于A 点上,瞄准点A 上的水准尺,精平后读数,此为后视读数a,记入表中测点 A 一行的后视读数栏下。(4)再将水准尺立于点B,瞄准点 B 的水准尺,精平后读取前视读数b,并记入表中测点 B 一行的前视读数栏下。计算A、B 两点的高差hAB=a-b。(5)按同法读取、记录水准尺红面读数,计算高差。检核黑面中丝读数加上水准尺常数K(4.687 或 4.787)减去红面中丝读数应不超过+3mm。(6) 换一人重新安置仪器,进行上述观测,直至小组所有成员全部观测测定完毕,小组各成...

1、当您付费下载文档后,您只拥有了使用权限,并不意味着购买了版权,文档只能用于自身使用,不得用于其他商业用途(如 [转卖]进行直接盈利或[编辑后售卖]进行间接盈利)。
2、本站所有内容均由合作方或网友上传,本站不对文档的完整性、权威性及其观点立场正确性做任何保证或承诺!文档内容仅供研究参考,付费前请自行鉴别。
3、如文档内容存在违规,或者侵犯商业秘密、侵犯著作权等,请点击“违规举报”。

碎片内容

水准仪的认识与使用目的和要求

确认删除?
VIP
微信客服
  • 扫码咨询
会员Q群
  • 会员专属群点击这里加入QQ群
客服邮箱
回到顶部