电脑桌面
添加小米粒文库到电脑桌面
安装后可以在桌面快捷访问

水性涂料涂饰工程质量验收记录表VIP免费

水性涂料涂饰工程质量验收记录表_第1页
1/2
水性涂料涂饰工程质量验收记录表_第2页
2/2
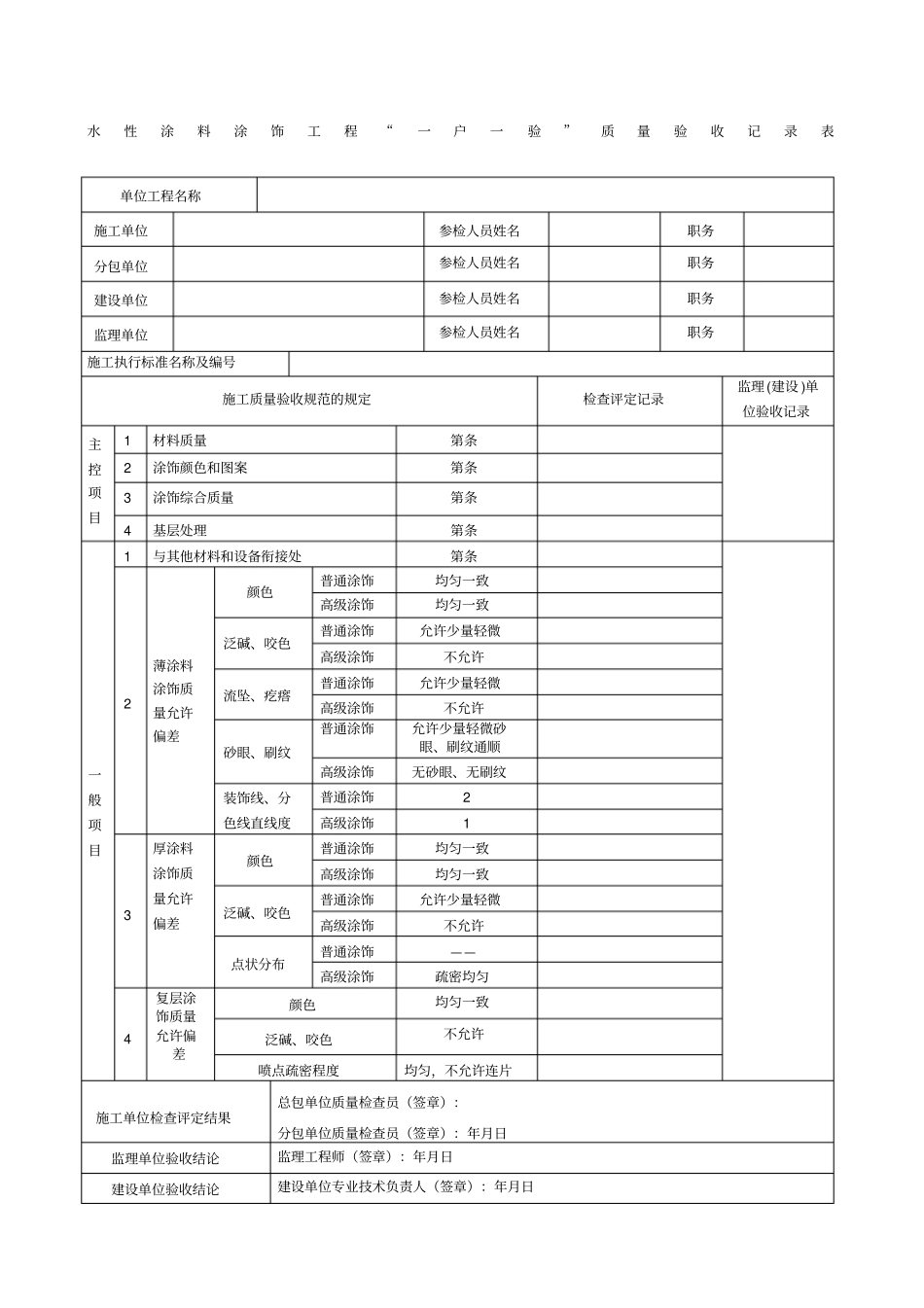
水性涂料涂饰工程“一户一验”质量验收记录表单位工程名称施工单位参检人员姓名职务分包单位参检人员姓名职务建设单位参检人员姓名职务监理单位参检人员姓名职务施工执行标准名称及编号施工质量验收规范的规定检查评定记录监理(建设 )单位验收记录主控项目1 材料质量第条2 涂饰颜色和图案第条3 涂饰综合质量第条4 基层处理第条一般项目1 与其他材料和设备衔接处第条2 薄涂料涂饰质量允许偏差颜色普通涂饰均匀一致高级涂饰均匀一致泛碱、咬色普通涂饰允许少量轻微高级涂饰不允许流坠、疙瘩普通涂饰允许少量轻微高级涂饰不允许砂眼、刷纹普通涂饰允许少量轻微砂眼、刷纹通顺高级涂饰无砂眼、无刷纹装饰线、分色线直线度普通涂饰2 高级涂饰1 3 厚涂料涂饰质量允许偏差颜色普通涂饰均匀一致高级涂饰均匀一致泛碱、咬色普通涂饰允许少量轻微高级涂饰不允许点状分布普通涂饰——高级涂饰疏密均匀4 复层涂饰质量允许偏差颜色均匀一致泛碱、咬色不允许喷点疏密程度均匀,不允许连片施工单位检查评定结果总包单位质量检查员(签章):分包单位质量检查员(签章):年月日监理单位验收结论监理工程师(签章):年月日建设单位验收结论建设单位专业技术负责人(签章):年月日

1、当您付费下载文档后,您只拥有了使用权限,并不意味着购买了版权,文档只能用于自身使用,不得用于其他商业用途(如 [转卖]进行直接盈利或[编辑后售卖]进行间接盈利)。
2、本站所有内容均由合作方或网友上传,本站不对文档的完整性、权威性及其观点立场正确性做任何保证或承诺!文档内容仅供研究参考,付费前请自行鉴别。
3、如文档内容存在违规,或者侵犯商业秘密、侵犯著作权等,请点击“违规举报”。

碎片内容

水性涂料涂饰工程质量验收记录表

您可能关注的文档

文库当当响+ 关注
实名认证
内容提供者

该用户很懒,什么也没介绍

确认删除?
VIP
微信客服
  • 扫码咨询
会员Q群
  • 会员专属群点击这里加入QQ群
客服邮箱
回到顶部