电脑桌面
添加小米粒文库到电脑桌面
安装后可以在桌面快捷访问

《工厂供电(第3版)》刘介才(课后习题详细答案)VIP专享VIP免费

《工厂供电(第3版)》刘介才(课后习题详细答案)_第1页
1/38
《工厂供电(第3版)》刘介才(课后习题详细答案)_第2页
2/38
《工厂供电(第3版)》刘介才(课后习题详细答案)_第3页
3/38
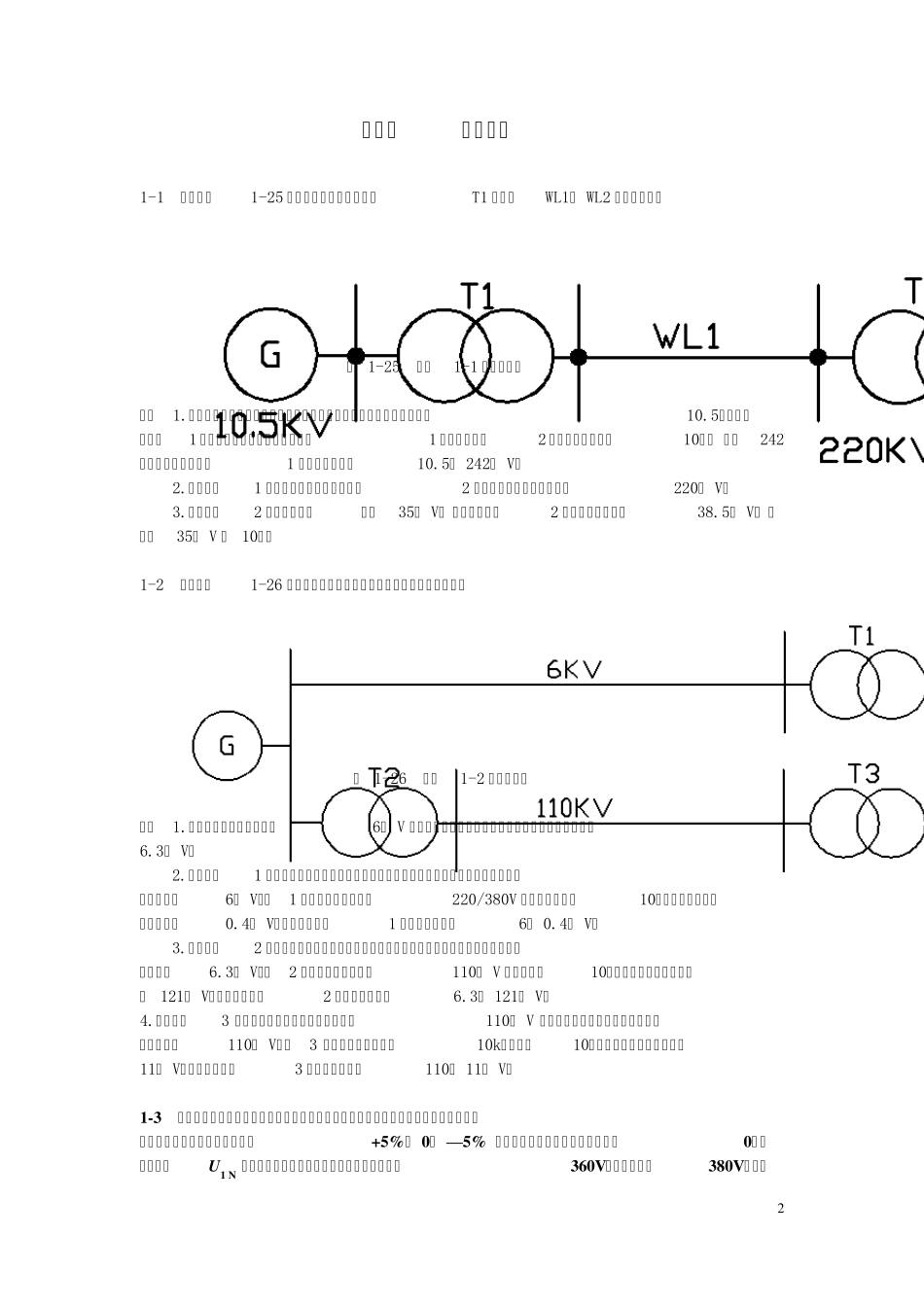
1 《工厂供电》 第三版 刘介才主编 课后习题解答 2014 年 8 月 2 第一章 习题解答 1-1 试确定图1-25 所示供电系统中的变压器T1 和线路WL1、 WL2 的额定电压? 图 1-25 习题1-1 的供电系统 解:1.变压器T1的一次侧额定电压:应与发电机G的额定电压相同,即为10.5kV。变压器T1 的二次侧额定电压应比线路WL1 末端变压器T2 的一次额定电压高10%, 即为242kV。因此变压器T1 的额定电压应为10.5/ 242k V。 2.线路WL1 的额定电压:应与变压器T2 的一次额定电压相同,即为220k V。 3.线路WL2 的额定电压:应为35k V, 因为变压器T2 二次侧额定电压为38.5k V, 正好比35k V 高 10%。 1-2 试确定图1-26 所示供电系统中的发电机和各变压器的额定电压? 图 1-26 习题1-2 的供电系统 解:1.发电机G的额定电压应比6k V 线路额定电压高5%,因此发电机G的额定电压应为6.3k V。 2.变压器T1 的额定电压:一次额定电压应与发电机G的额定电压相同,因此其一次额定电压应为6k V。T1 的二次额定电压应比220/380V 线路额定电压高10%,因此其二次额定电压应为0.4k V。因此变压器T1 的额定电压应为6/ 0.4k V。 3.变压器T2 的额定电压:其一次额定电压应与发电机的额定电压相同,即其一次额定电压应为6.3k V。T2 的二次额定电压应比110k V 电网电压高10%,即其二次额定电压应为 121k V。因此变压器T2 的额定电压应为6.3/ 121k V。 4.变压器T3 的额定电压:其一次额定电压应与110k V 线路的额定电压相同,即其一次额定电压应为110k V。T3 的二次额定电压应比10kV电压高10%,即其二次额定电压应为11k V。因此变压器T3 的额定电压应为110/ 11k V。 1-3 某厂有若干车间变电所,互有低压联络线相连。其中某一车间变电所装有一台无载调压型配电变压器,其高压绕组有+5%、 0、 —5% 三个电压分接头,现调在主接头“0”的位置(即U1 N )运行。但是白天生产时,低压母线电压只有360V (额定电压为380V ),而 3 晚上不生产时,低压母线电压又高达415V。 试问此变电所低压母线昼夜电压偏差范围( %)为多少?宜采取哪些改善措施? 解:1.变电所低压母线昼夜的电压偏差范围: 该变电所白天的电压偏差按式(1-2)计算为: 360380%100%5.26%380NNUUVVUUV  该变电所晚上的电压偏差按式(1-2)计算为...

1、当您付费下载文档后,您只拥有了使用权限,并不意味着购买了版权,文档只能用于自身使用,不得用于其他商业用途(如 [转卖]进行直接盈利或[编辑后售卖]进行间接盈利)。
2、本站所有内容均由合作方或网友上传,本站不对文档的完整性、权威性及其观点立场正确性做任何保证或承诺!文档内容仅供研究参考,付费前请自行鉴别。
3、如文档内容存在违规,或者侵犯商业秘密、侵犯著作权等,请点击“违规举报”。

碎片内容

《工厂供电(第3版)》刘介才(课后习题详细答案)

确认删除?
VIP
微信客服
  • 扫码咨询
会员Q群
  • 会员专属群点击这里加入QQ群
客服邮箱
回到顶部