电脑桌面
添加小米粒文库到电脑桌面
安装后可以在桌面快捷访问

江苏造价员土建案例考试完整答案

江苏造价员土建案例考试完整答案_第1页
1/18
江苏造价员土建案例考试完整答案_第2页
2/18
江苏造价员土建案例考试完整答案_第3页
3/18
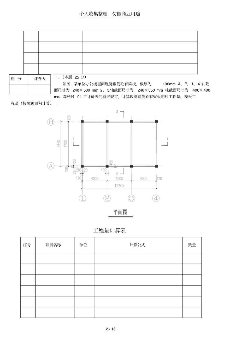
个人收集整理勿做商业用途1 / 18 二○○七年江苏省建设工程造价员资格考试土建造价案例分析试卷题号一二三四五六七总分计分人核分人得分本卷为案例分析题,初级做一~四题,共四题,总分100 分;中级做三~六题,共四题,总分120分;高级做四~七题,共四题,总分120 分;多做和漏做的题均不得分。人工工资单价和施工机械台班单价全部以04 年计价表中价格为准;文字与图形不同时,以文字说明为准;要求分析合理,结论正确,并简要写出计算过程。一. (本题 25 分)如图,某多层住宅变形缝宽度为0.20 m,阳台水平投影尺寸为1.80 × 3.60 m ( 共18 个) ,雨蓬水平投影尺寸为2.60 ×4.00 m,坡屋面阁楼室内净高最高点为3.65m,坡屋面坡度为1:2;平屋面女儿墙顶面标高为11.60 m 。请按建筑工程建筑面积计算规范(GB/T50353-2005) 计算下图的建筑面积,并按04 年计价表规定计算外墙脚手架工程量。建筑面积和工程量计算表序号项目名称计算公式专业级别( 考生填写 ) 得 分评卷人个人收集整理勿做商业用途2 / 18 二. (本题 25 分)如图 , 某单位办公楼屋面现浇钢筋砼有梁板,板厚为100mm,A、B、 1、4 轴截面尺寸为 240×500 mm,2、 3 轴截面尺寸为240×350 mm,柱截面尺寸为400×400 mm。请根据04 年计价表的有关规定,计算现浇钢筋砼有梁板的砼工程量、模板工程量(按接触面积计算) 。工程量计算表序号项目名称单位计算公式数量得 分评卷人个人收集整理勿做商业用途3 / 18 三. (本题 25 分)根据下表提供的子目名称及做法,请按04 计价表填写所列子目的计价表编号和综合单价,其他未说明的, 按计价表执行。(人工、材料、机械单价和管理费费率、 利润费率按计价表子目不做调整,项目未注明者均位于标高20m以下)计价表编号子目名称及做法单位有换算的列简要换算过程综合单价( 元 ) 自 卸 汽 车 运 土 , 运 距2Km(正铲挖掘机装车) 胶泥接桩断面350*350 M10 混合砂浆KP1 粘土多孔砖 240×115×90 1砖墙C25 现浇自拌钢筋砼平板,板坡度15o( 砼工程 ) C20 细石砼刚性防水屋面无分隔缝50mm厚水泥砂浆贴大理石踢脚线 120mm高外墙面水泥砂浆贴釉面砖150*90( 勾缝 , 面砖0.5 元 / 块) 基础梁复合木模板( 梁底有垫层 ) 得 分评卷人个人收集整理勿做商业用途4 / 18 四. (本题 25 分)如图,某单位传达室基础平面图和剖面图。根据地质勘探报告,土壤类别为...

1、当您付费下载文档后,您只拥有了使用权限,并不意味着购买了版权,文档只能用于自身使用,不得用于其他商业用途(如 [转卖]进行直接盈利或[编辑后售卖]进行间接盈利)。
2、本站所有内容均由合作方或网友上传,本站不对文档的完整性、权威性及其观点立场正确性做任何保证或承诺!文档内容仅供研究参考,付费前请自行鉴别。
3、如文档内容存在违规,或者侵犯商业秘密、侵犯著作权等,请点击“违规举报”。

碎片内容

江苏造价员土建案例考试完整答案

您可能关注的文档

确认删除?
VIP
微信客服
  • 扫码咨询
会员Q群
  • 会员专属群点击这里加入QQ群
客服邮箱
回到顶部