电脑桌面
添加小米粒文库到电脑桌面
安装后可以在桌面快捷访问

消防设备设施检查记录表

消防设备设施检查记录表_第1页
1/2
消防设备设施检查记录表_第2页
2/2
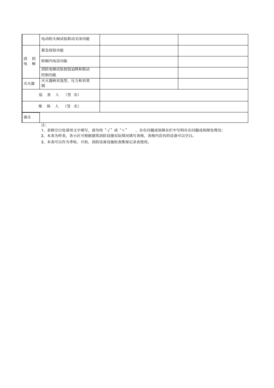
消防设备设施检查记录表大厦年月日巡查测试项目检查测试内容检查测试情况故障及排除情况消 防供配电设 施消防电源工作状态自备发电设备状况火灾自动报警系统火灾报警探测器试验报警功能CRT图形显示器运行状况、火灾报警控制器运行状况非消防电源强切自动,手动手动报警按钮试验报警功能火灾警报装置试验报警功能消火栓、消防炮灭火系统室内消火栓试验屋顶消火栓出水及静压室外消火栓试验室外消火栓出水及静压消防炮试验消防炮出水启泵按钮试验远距离启泵功能气体灭火系统瓶组与储罐核对灭火剂储存量气体灭火控制设备试验模拟自动启动防烟排烟系统风机试验联动启动试验联动启动排烟阀、电动排烟窗;应急照明试验切断正常供电,疏散指示标志试验切断正常供电。应急广播系统扩音器试验联动启动和强制切换功能扬声器测试音量消防专用电话分机电话试验通话质量插孔电话试验通话质量防火分隔设施防火门试验启闭功能防火卷帘试验手动、机械应急和自动控制功能电动防火阀试验联动关闭功能消防电梯紧急按钮功能轿厢内电话功能消防电梯试验按钮迫降和联动控制功能灭火器灭火器核对选型、压力和有效期巡查人(签 名)维保人(签名)备注注:1、表格空白处请用文字填写,请勿用“√”或“×”,存在问题或故障在栏中写明存在问题或故障处理况;2、本表为样表,各小区可根据建筑消防设施实际情况填写表格,表格内没有的设备可以空白。3、本表可以作为季检、月检、消防设备设施检查维保记录表使用。

1、当您付费下载文档后,您只拥有了使用权限,并不意味着购买了版权,文档只能用于自身使用,不得用于其他商业用途(如 [转卖]进行直接盈利或[编辑后售卖]进行间接盈利)。
2、本站所有内容均由合作方或网友上传,本站不对文档的完整性、权威性及其观点立场正确性做任何保证或承诺!文档内容仅供研究参考,付费前请自行鉴别。
3、如文档内容存在违规,或者侵犯商业秘密、侵犯著作权等,请点击“违规举报”。

碎片内容

消防设备设施检查记录表

确认删除?
VIP
微信客服
  • 扫码咨询
会员Q群
  • 会员专属群点击这里加入QQ群
客服邮箱
回到顶部