电脑桌面
添加小米粒文库到电脑桌面
安装后可以在桌面快捷访问

关于电子表的课程设计VIP免费

关于电子表的课程设计_第1页
1/18
关于电子表的课程设计_第2页
2/18
关于电子表的课程设计_第3页
3/18
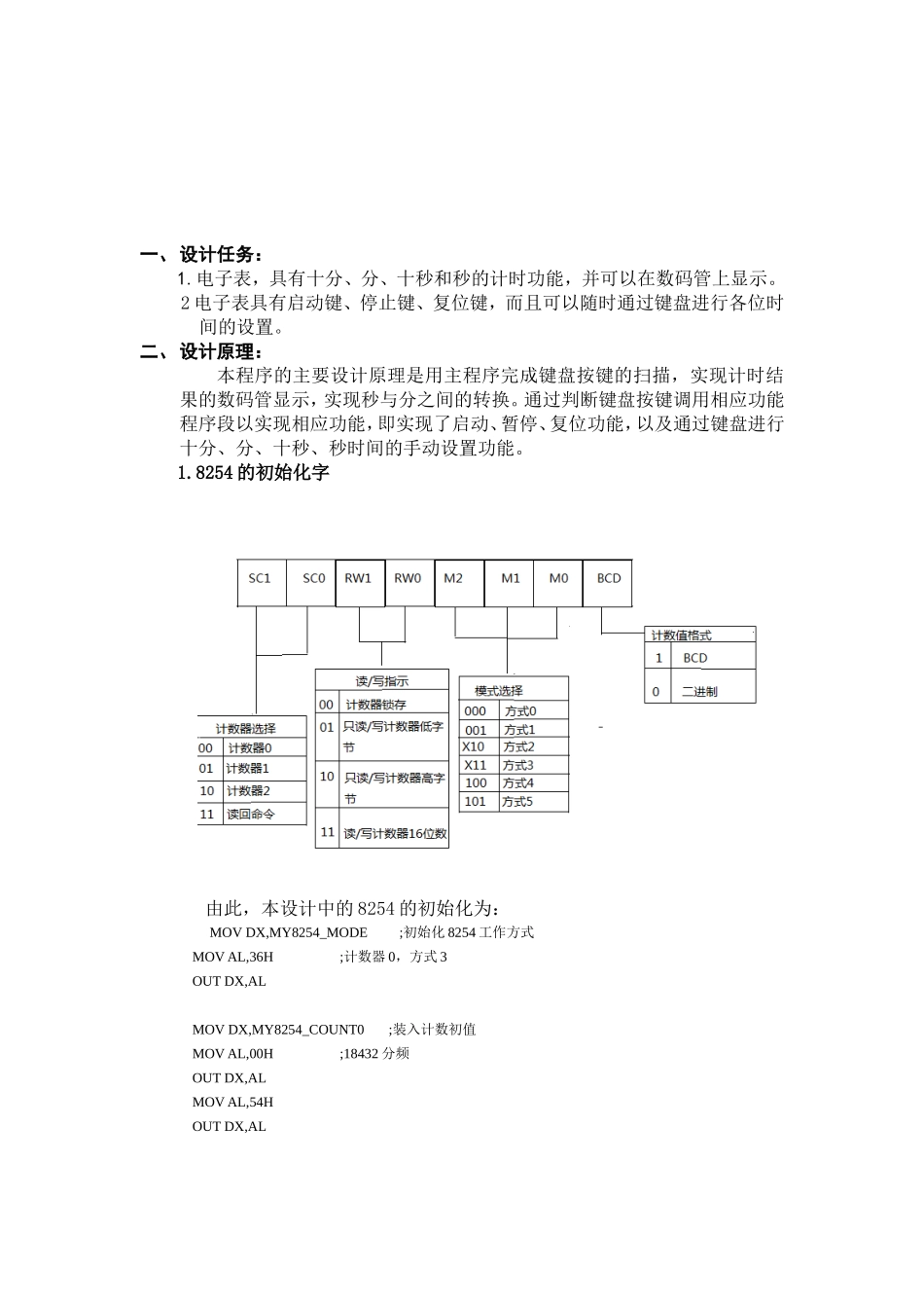
课程设计书系别专业班级题目电子跑表教师学生年月号一、设计任务:1.电子表,具有十分、分、十秒和秒的计时功能,并可以在数码管上显示。2电子表具有启动键、停止键、复位键,而且可以随时通过键盘进行各位时间的设置。二、设计原理:本程序的主要设计原理是用主程序完成键盘按键的扫描,实现计时结果的数码管显示,实现秒与分之间的转换。通过判断键盘按键调用相应功能程序段以实现相应功能,即实现了启动、暂停、复位功能,以及通过键盘进行十分、分、十秒、秒时间的手动设置功能。1.8254的初始化字由此,本设计中的8254的初始化为:MOVDX,MY8254_MODE;初始化8254工作方式MOVAL,36H;计数器0,方式3OUTDX,ALMOVDX,MY8254_COUNT0;装入计数初值MOVAL,00H;18432分频OUTDX,ALMOVAL,54HOUTDX,AL2.8255的初始化字由此,本设计中的8255的初始化为:MOVDX,MY8255_MODE;初始化8255工作方式MOVAL,81H;方式0,A口、B口输出,C口低4位输入OUTDX,AL三、电子表软件流程图1.主程序流程图NYNY程序初始化判断小键盘是否有键按下PC机上面是不是有键按下若按键值为3,则要转至STARTISRUNING处理程序若按键值为1,则要转至STOPKEYTAG处理程序若按键值为2,则要转至CLEARKEYTAG处理程序返回DOS结束调用子程序开始若按键值为8、9、0A、0B、0C、0D、0E、0F,则要转至时间设置处理程序2.电子表处理程序NYNYNYNY四、电子表硬件接线图XD7D7PB0D6PB1D5PB2D4PB3D3PB4D2PB5D1PB6D08255PB7单元A1PA0A0PA1PA2WRPA3RDCSPC0PC1PC2PC3ABCDE键盘F及数G码管DP显示单元X1X2X3X4Y1Y2Y3Y4开始SEC秒是否到10?TENSEC十秒是否到6?MINT个位分是否到10?TENMINT十位分到6?SEC秒加1SEC秒清零,TENSEC十秒加1TENSEC十秒清零,MINT个位分加1MINT个位分清零,TENMINT十位分加1TENMINT十位秒分清零调用LED动态显示程序结束XD6XD5XD4XD3XD2XD1XD0系XA3XA2XIOWXIORIOY0IOY1INTRCLK统总线五.电子表软件代码;***************根据CHECK配置信息修改下列符号值*******************IOY0EQU0e000H;片选IOY0对应的端口始地址D7D6D5D4D3D28254D1单元D0A1A2WRRDCSOUT0CLK0IOY1EQU0e040H;*****************************************************************MY8255_AEQUIOY0+00H*4;8255的A口地址MY8255_BEQUIOY0+01H*4;8255的B口地址MY8255_CEQUIOY0+02H*4;8255的C口地址MY8255_MODEEQUIOY0+03H*4;8255的控制寄存器地址MY8254_COUNT0EQUIOY1+00H*4;8254计数器0端口地址MY8254_COUNT1EQUIOY1+01H*4;8254计数器1端口地址MY8254_COUNT2EQUIOY1+02H*4;8254计数器2端口地址MY8254_MODEEQUIOY1+03H*4;8254控制寄存器端口地址STACK1SEGMENTSTACKDW256DUP(?)STACK1ENDSDATASEGMENTDTABLEDB3FH,06H,5BH,4FH,66H,6DH,7DH,07H,7FH,67H,77H,7CH,39H,5EH,79H,71H;键值表,0~F对应的7段数码管的段位值TIMETABLEDB0,0,0,0STARTKEYDB3;启动键STOPKEYDB1;停止键CLEARKEYDB2;清0键SETTMADDKEYDB8;设置十位分钟加SETMADDKEYDB9;设置个位分钟加SETTSADDKEYDB0AH;设置十位秒加SETSADDKEYDB0BH;设置个位秒加SETTMSUBKEYDB0CH;设置十位分钟减SETMSUBKEYDB0DH;设置个位分钟减SETTSSUBKEYDB0EH;设置十位秒减SETSSUBKEYDB0FH;设置个位秒减STATUSDB0;8254out端口状态键ISRUNINGDB0WTHOUSANDDB0WSECDB0WMSECDB0TENSECDB0SECDB0MINTDB0TENMINTDB0DATAENDSCODESEGMENTASSUMECS:CODE,DS:DATASTART:MOVAX,DATAMOVDS,AXMOVES,AXMOVDX,MY8254_MODE;初始化8254工作方式MOVAL,36H;计数器0,方式3OUTDX,ALMOVDX,MY8254_COUNT0;装入计数初值MOVAL,00H;18432分频OUTDX,ALMOVAL,54HOUTDX,ALMOVDX,MY8255_MODE;初始化8255工作方式MOVAL,81H;方式0,A口、B口输出,C口低4位输入OUTDX,ALBEGIN:CALLDIS;显示刷新CALLCLEAR;清屏CALLCCSCAN;扫描按键JZNOKEYDOWN;有键按下则跳置GETKEY1JMPGETKEY1NOKEYDOWN:MOVAH,1;判断PC键盘是否有按键按下INT16HJZKEYSCANEND;无按键则跳回继续循环,有则退出JMPQUITKEYSCANEND:CMPISRUNING,1JNEBEGINTIMESTART:MOVAL,11100010B;设置回读命令MOVDX,MY8254_MODEOUTDX,ALMOVDX,MY8254_COUNT0;读0端口状态控制字INAL,DXCMPSTATUS,1JNENOTSTATUSTESTAL,80HJZCH...

1、当您付费下载文档后,您只拥有了使用权限,并不意味着购买了版权,文档只能用于自身使用,不得用于其他商业用途(如 [转卖]进行直接盈利或[编辑后售卖]进行间接盈利)。
2、本站所有内容均由合作方或网友上传,本站不对文档的完整性、权威性及其观点立场正确性做任何保证或承诺!文档内容仅供研究参考,付费前请自行鉴别。
3、如文档内容存在违规,或者侵犯商业秘密、侵犯著作权等,请点击“违规举报”。

碎片内容

关于电子表的课程设计

确认删除?
VIP
微信客服
  • 扫码咨询
会员Q群
  • 会员专属群点击这里加入QQ群
客服邮箱
回到顶部