电脑桌面
添加小米粒文库到电脑桌面
安装后可以在桌面快捷访问

化工厂危险程度分级

化工厂危险程度分级_第1页
1/11
化工厂危险程度分级_第2页
2/11
化工厂危险程度分级_第3页
3/11
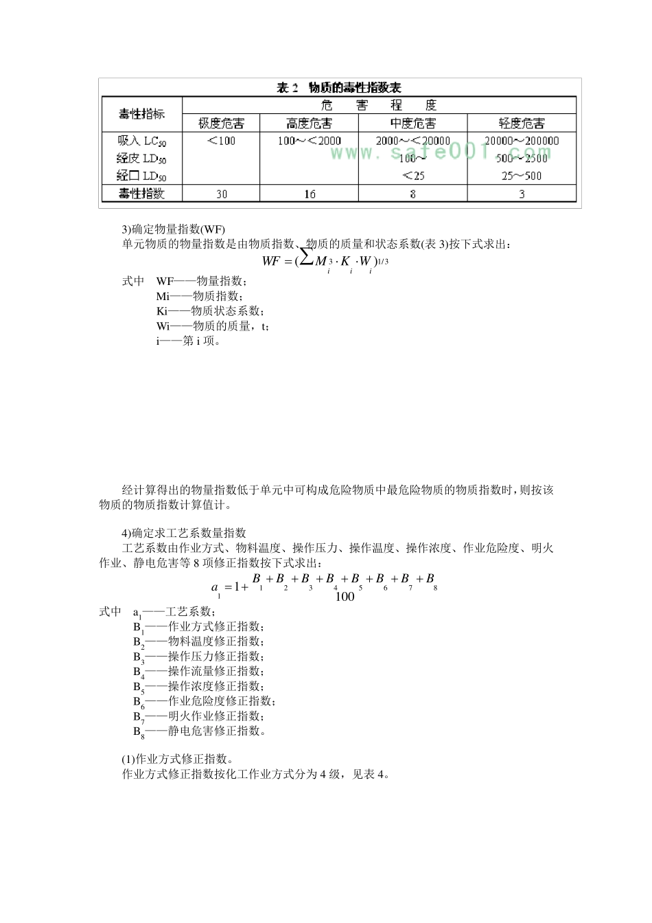
化工厂危险程度分级 该评价方法是以化工生产、贮存过程中的物质、物量指数为基础,用工艺、设备、厂房、安全装置、环境、工厂安全管理等系统系数修正后,得出工厂的实际危险等级。 1 评价程序 评价程序如图 1 所示。 图 1 化工厂危险程度分级 2 各项系数选取原则 1)确定物质指数 将工厂按工艺过程或装置布置分成若干单元,先查出单元内危险物质的火灾、爆炸性指数(F)、毒性指数(P),然后求出物质指数 M: M=F+P 物质火灾、爆炸性指数按物质的火灾、爆炸危险性指数表(表 1)确定。 2)确定物质毒性指数(P) 按《职业性接触毒物危害程度分级》(GB 5044—1985)中分为 4 级;极度危害、高度危害、中毒危害和轻度危害,其值分别为 30,16,8,3。 物质的毒性指数,可根据表 2 确定。 3)确定物量指数(WF) 单元物质的物量指数是由物质指数、物质的质量和状态系数(表3)按下式求出: 3/13)(iiiWKMWF  式中 WF——物量指数; Mi——物质指数; Ki——物质状态系数; Wi——物质的质量,t; i——第 i项。 经计算得出的物量指数低于单元中可构成危险物质中最危险物质的物质指数时,则按该物质的物质指数计算值计。 4)确定求工艺系数量指数 工艺系数由作业方式、物料温度、操作压力、操作温度、操作浓度、作业危险度、明火作业、静电危害等 8 项修正指数按下式求出: 1001876543211BBBBBBBBa 式中 a1——工艺系数; B1——作业方式修正指数; B2——物料温度修正指数; B3——操作压力修正指数; B4——操作流量修正指数; B5——操作浓度修正指数; B6——作业危险度修正指数; B7——明火作业修正指数; B8——静电危害修正指数。 (1)作业方式修正指数。 作业方式修正指数按化工作业方式分为 4 级,见表4。 (2 )求物料的温度修正指数。 按物料的温度特性,其温度分为 5 种,见表 5 。 当一种物质满足表 5 中 2 个或 2 个以上条件时,物料修正指数取最大值。 (3 )操作压力修正指数。 操作压力修正指数按操作压力的表压分为 1 0 级,见表 6 。 (4 )操作流量修正指数。 主要危险物质的操作流量修正指数分为 6 级,见表 7 。 (5 )操作浓度修正指数。 按可燃性气体(或蒸气)的浓度与该物质爆炸极限的比较值,操作浓度指数分为3 级,见表8 。 (6 )作业危险度修正指数。 按操作失控或设备泄漏时,物质、压力、热量释放所能导致的危害程度,作...

1、当您付费下载文档后,您只拥有了使用权限,并不意味着购买了版权,文档只能用于自身使用,不得用于其他商业用途(如 [转卖]进行直接盈利或[编辑后售卖]进行间接盈利)。
2、本站所有内容均由合作方或网友上传,本站不对文档的完整性、权威性及其观点立场正确性做任何保证或承诺!文档内容仅供研究参考,付费前请自行鉴别。
3、如文档内容存在违规,或者侵犯商业秘密、侵犯著作权等,请点击“违规举报”。

碎片内容

化工厂危险程度分级

您可能关注的文档

确认删除?
VIP
微信客服
  • 扫码咨询
会员Q群
  • 会员专属群点击这里加入QQ群
客服邮箱
回到顶部