电脑桌面
添加小米粒文库到电脑桌面
安装后可以在桌面快捷访问

化工工艺CAD制图标准

化工工艺CAD制图标准_第1页
1/26
化工工艺CAD制图标准_第2页
2/26
化工工艺CAD制图标准_第3页
3/26
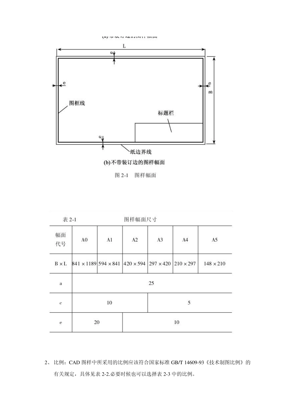
C A D 制图标准 基本要求主要是图纸、比例、字体和图线的选用。 1、 图样幅画:又称图纸幅画,在计算机进行绘图时,应该配置相应的图样幅画、标题栏、代号栏、附加栏等内容,装配图或安装图上一般应配备明细表内容,工艺流程图上应配备图例等内容。GB/T 14689-93《技术制图图样幅画格式》中已对图样幅画与格式做了详细的规定。在用计算机绘图时,根据实际需要,图样幅画还可以设置以下内容:(1)方向符号:用来确定 CAD 图样的视图方向。(2)剪切符号:用于对 CAD 图样的裁剪定位。(3)米制参考分度:用于对图样比例尺寸提供参考。(4)对中符号:用于对 CAD图样的方位起到对中作用。对于复杂的 CAD 装配图在标准中一般要求设置图符分区,图符分区主要用于对图纸存放的图形、尺寸、结构、说明等内容起到查找、定位方便的作用。同时规定在 CAD 绘图中对图纸有加长加宽要求时,应按基本幅面的短边(B)成整数倍增加。 2、 比例:CAD 图样中所采用的比例应该符合国家标准 GB/T 14609-93《技术制图比例》的有关规定,具体见表 2-2.必要时候也可以选择表 2-3 中的比例。 3、 字体:CAD 制图的字体应该按《技术制图字体》GB/T 14691-93 的有关规定,做到字体端正、比画清楚、排列蒸汽、间隔均匀,并要求采用长仿宋矢量字体。代号、符号要符合有关标准规定。(1)字一般要以斜体输出。(2)小数点输出时,应占一个字位,并位于中间靠下处。(3)字母一般也要斜体输出。(4)汉子输出时一般采用正体,并采用国家正是公布的简化汉字方案。(5)标点符号应按照其真正含义正确使用,除省略号、破折号为两个字位外,其余均为一个字位。(6)字体高度由图样幅面大小确定。(7)规定字体的最小字距、行距,以及间隔线、基准线与书写字体间的最小距离。 4、 图线:图线指图线的基本线型和基本线型的变形。GB/T 17450-98《技术制图图线》对图线有详细的说明。 5、 标题栏:标题栏位于图框右下角,其格式在 GB/T 10609.1-93《技术制图标题栏》中有详细的规定。 化工制图标准 在化工厂的建设过程中,无论是设计、施工,还是设备的制造、安装,或是生产过程中的试车、检修、技术改造,均离不开化工图样。化工制图是专门研究化工图样的绘制和阅读的一门科学。在化工制图中一般采用《机械制图》的国家标准,《机械制图》标准基本上与CAD 图标准一致。 1、 图样幅画:国家标准对机械制图的图样幅画的基本规定,是采用 A0 ...

1、当您付费下载文档后,您只拥有了使用权限,并不意味着购买了版权,文档只能用于自身使用,不得用于其他商业用途(如 [转卖]进行直接盈利或[编辑后售卖]进行间接盈利)。
2、本站所有内容均由合作方或网友上传,本站不对文档的完整性、权威性及其观点立场正确性做任何保证或承诺!文档内容仅供研究参考,付费前请自行鉴别。
3、如文档内容存在违规,或者侵犯商业秘密、侵犯著作权等,请点击“违规举报”。

碎片内容

化工工艺CAD制图标准

确认删除?
VIP
微信客服
  • 扫码咨询
会员Q群
  • 会员专属群点击这里加入QQ群
客服邮箱
回到顶部