电脑桌面
添加小米粒文库到电脑桌面
安装后可以在桌面快捷访问

北京市材料检测报告有效期VIP专享

北京市材料检测报告有效期_第1页
1/35
北京市材料检测报告有效期_第2页
2/35
北京市材料检测报告有效期_第3页
3/35
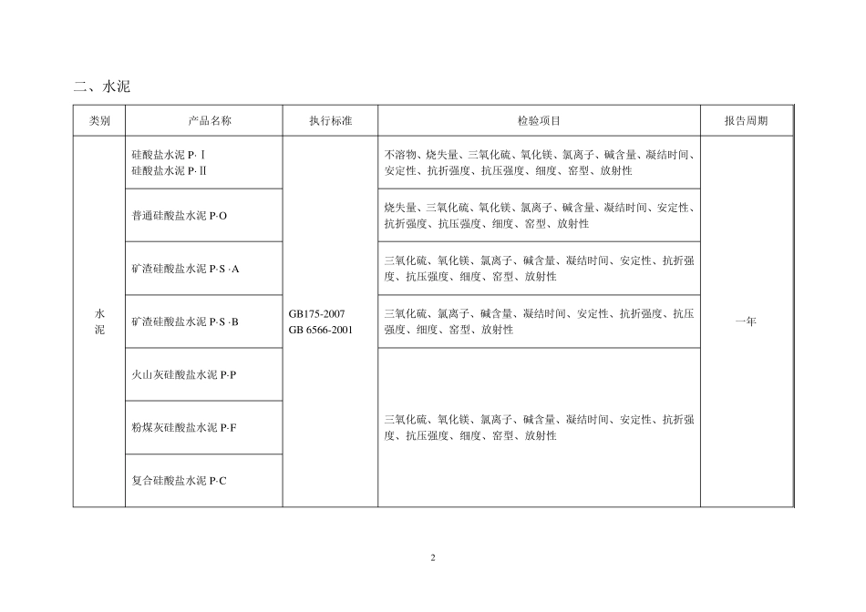
1 附 件: 北京市建设工程材料供应备案产品技术指标体系(2010 版) 一、钢材 类别 产品名称 执行标准 检验项目 报告周期 钢 材 钢筋混凝土用钢 热轧光圆钢筋 GB1499.1-2008 尺寸、外形、重量及允许偏差、屈服强度、抗拉强度、断后伸长率、最大力总伸长率、弯曲性能、表面质量、化学成分 一年 钢筋混凝土用钢 热轧带肋钢筋 GB1499.2-2007 尺寸、外形、重量及允许偏差、屈服强度、抗拉强度、断后伸长率、最大力总伸长率、弯曲性能、反向弯曲性能、表面质量、化学成分 一年 冷轧带肋钢筋 GB 13788-2008 尺寸、外形、重量及允许偏差、规定非比例延伸率为 0.2%时的应力(RP0.2)、抗拉强度(Rm)、伸长率、弯曲试验(或反复弯曲次数)、应力松弛、表面质量、化学成分 一年 低压流体输送用焊接钢管 GB/T 3091-2008 尺寸、外形、重量、下屈服强度、抗拉强度、断后伸长率、化学成分、弯曲试验、压扁试验、导向弯曲试验、液压试验(或超声波探伤检验、或涡流探伤检验、或射线探伤检验)、表面质量、镀锌层重量测定、镀锌层均匀性试验、渡锌层附着力检验、渡锌层的表面质量 一年 结构用无缝钢管 GB/T 8162-2008 尺寸、外形、重量、化学成分、抗拉强度、下屈服强度、断后伸长率、冲击试验、硬度试验、压扁试验、弯曲试验、表面质量、无损检测 一年 输送流体用无缝钢管 GB/T 8163-2008 尺寸、外形、重量、化学成分、抗拉强度、下屈服强度、断后伸长率、冲击试验、压扁试验、扩口试验、弯曲试验、液压试验(或涡流探伤检验、或漏磁探伤检验、或超声波探伤检验)、表面质量 一年 2 二、水泥 类别 产品名称 执行标准 检验项目 报告周期 水 泥 硅酸盐水泥P·Ⅰ 硅酸盐水泥P·Ⅱ GB175-2007 GB 6566-2001 不溶物、烧失量、三氧化硫、氧化镁、氯离子、碱含量、凝结时间、安定性、抗折强度、抗压强度、细度、窑型、放射性 一年 普通硅酸盐水泥P·O 烧失量、三氧化硫、氧化镁、氯离子、碱含量、凝结时间、安定性、抗折强度、抗压强度、细度、窑型、放射性 矿渣硅酸盐水泥P·S ·A 三氧化硫、氧化镁、氯离子、碱含量、凝结时间、安定性、抗折强度、抗压强度、细度、窑型、放射性 矿渣硅酸盐水泥P·S ·B 三氧化硫、氯离子、碱含量、凝结时间、安定性、抗折强度、抗压强度、细度、窑型、放射性 火山灰硅酸盐水泥P·P 三氧化硫、氧化镁、氯离子、碱含量、凝结时间、安定性、抗折强度、抗压强度、细...

1、当您付费下载文档后,您只拥有了使用权限,并不意味着购买了版权,文档只能用于自身使用,不得用于其他商业用途(如 [转卖]进行直接盈利或[编辑后售卖]进行间接盈利)。
2、本站所有内容均由合作方或网友上传,本站不对文档的完整性、权威性及其观点立场正确性做任何保证或承诺!文档内容仅供研究参考,付费前请自行鉴别。
3、如文档内容存在违规,或者侵犯商业秘密、侵犯著作权等,请点击“违规举报”。

碎片内容

北京市材料检测报告有效期

小辰6+ 关注
实名认证
内容提供者

出售各种资料和文档

确认删除?
VIP
微信客服
  • 扫码咨询
会员Q群
  • 会员专属群点击这里加入QQ群
客服邮箱
回到顶部