电脑桌面
添加小米粒文库到电脑桌面
安装后可以在桌面快捷访问

焊接消耗定额标准

焊接消耗定额标准_第1页
1/12
焊接消耗定额标准_第2页
2/12
焊接消耗定额标准_第3页
3/12
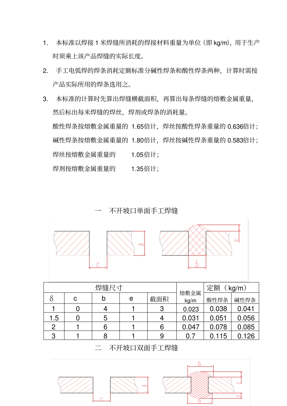
焊接材料消耗定额标准二零一零年八月使用说明:1. 本标准以焊接 1 米焊缝所消耗的焊接材料重量为单位(即 kg/m),用于生产时须乘上该产品焊缝的实际长度。2. 手工电弧焊的焊条消耗定额标准分碱性焊条和酸性焊条两种,计算时需按产品实际所用的焊条选用之。3. 本标准的计算时先算出焊缝横截面积,再算出每条焊缝的熔敷金属重量,然后标出每米焊缝的焊丝,焊剂或焊条的消耗量。酸性焊条按熔敷金属重量的 1.65倍计,焊丝按酸性焊条重量的 0.636倍计;碱性焊条按熔敷金属重量的 1.80倍计,焊丝按碱性焊条重量的 0.583倍计;焊丝按熔敷金属重量的1.05倍计;焊剂按熔敷金属重量的1.35倍计;一不开坡口单面手工焊缝焊缝尺寸熔敷金属kg/m 定额( kg/m)δc b e 截面积酸性焊条碱性焊条1 0 4 1 3 0.023 0.038 0.041 1.5 0 5 1 4 0.031 0.051 0.056 2 1 6 1 6 0.047 0.078 0.085 3 1 8 1 9 0.7 0.115 0.126 二不开坡口双面手工焊缝焊缝尺寸熔敷金属kg/m 定额( kg/m)δc b e 截面积酸性焊条碱性焊条3 1 8 1 14 0.109 0.18 0.196 4 2 10 1 21 0.164 0.27 0.295 4.5 2 10 1 22 0.172 0.28 0.31 5 2 12 1 26 0.204 0.34 0.37 6 2 14 1 30 0.235 0.39 0.42 8 2.5 16 1.5 51 0.400 0.66 0.72 10 2.5 18 1.5 57 0.448 0.74 0.81 三V 型坡口单面手工焊缝焊缝尺寸熔敷金属kg/m 定额(kg/m)δαp c b e 截面积酸性焊条碱性焊条3 700 1 1.5 8 1 12.6 0.098 0.162 0.176 4 700 1 1.5 8 1 17.6 0.137 0.226 0.247 5 700 1 1.5 10 1 25.3 0.197 0.325 0.355 6 700 2 2.5 10 1 32.8 0.256 0.423 0.460 8 700 2 2.5 14 1.5 59.2 0.462 0.763 0.830 10 650 2 2.5 16 1.5 85.8 0.670 1.110 1.210 12 650 2 2.5 18 1.5 118 0.920 1.524 1.660 14 650 2 3 20 1.5 176 1.370 2.260 2.470 四V 型坡口双面手工焊缝焊缝尺寸熔敷金属kg/m 定额( kg/m)δαp c b b1e=e1 截面积酸性焊条碱性焊条5 700 2 2 10 8 1 28.3 0.221 0.365 0.398 6 700 2 2 10 8 1 35.2 0.274 0.452 0.494 8 700 2 2 14 10 1.5 65.2 0.510 0.841 0.920 10 650 2 2 16 10 1.5 86.7 0.676 0.120 1.220 五对称双面 X 型坡口手工焊缝焊缝尺寸...

1、当您付费下载文档后,您只拥有了使用权限,并不意味着购买了版权,文档只能用于自身使用,不得用于其他商业用途(如 [转卖]进行直接盈利或[编辑后售卖]进行间接盈利)。
2、本站所有内容均由合作方或网友上传,本站不对文档的完整性、权威性及其观点立场正确性做任何保证或承诺!文档内容仅供研究参考,付费前请自行鉴别。
3、如文档内容存在违规,或者侵犯商业秘密、侵犯著作权等,请点击“违规举报”。

碎片内容

焊接消耗定额标准

您可能关注的文档

确认删除?
VIP
微信客服
  • 扫码咨询
会员Q群
  • 会员专属群点击这里加入QQ群
客服邮箱
回到顶部