电脑桌面
添加小米粒文库到电脑桌面
安装后可以在桌面快捷访问

熏蒸业务联系单

熏蒸业务联系单_第1页
1/3
熏蒸业务联系单_第2页
2/3
熏蒸业务联系单_第3页
3/3
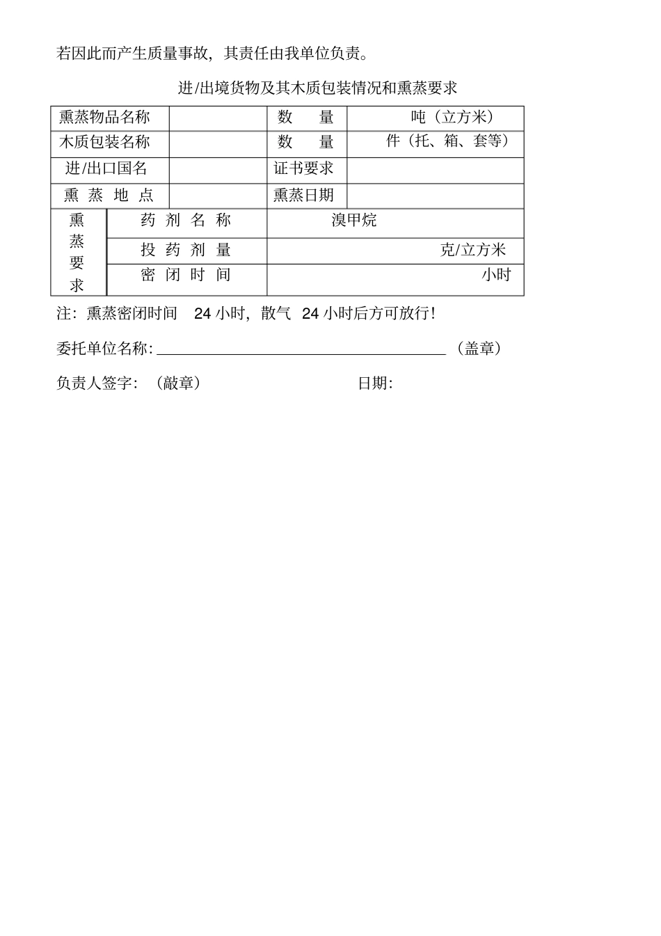
熏蒸业务联系单委托人单位:联系人:电话:手机:传真:熏蒸地点:熏蒸时间:仓库联系人:仓库电话:进仓编号:海运提单号货物数量:散货立方;集装箱:20尺只;40尺只。(借箱熏蒸请注明“借” )箱号: (请一定要在熏蒸之前提供集装箱号)证书显示内容:(特别重要 : 所有发货人必须要有在商检局的注册备案号,如果没有请到所在地的商检局注册)发货人(英文):(中文):受货人(英文):货物品名 (英文):H.S.编码:货物中文名:总价:产地:货 物 数 量 :包装种类:合 同 号:毛重:净重:到达口岸:船名航次(英文):唛头:船期:输往国家(地区):附加声明 (合同、信用证订立的检验检疫条款或特殊要求):注: 1、证书显示内容除货物中文品名外请用打印机打印,每票分别填写。2、证书如需显示船名船次提单号箱封号请填写(至美国的必须显示),不显示则填写BY SEA 。3、委托书中请盖单位公章。4、请按如下顺序发传真:业务联系单 、委托声明书 、报关单 、 发票 、合同 、装箱单 、报检委托书(正本)信用证 (如有必须提供 ),加杠的必须提供。5、若为拼箱,请在20 尺和 40 尺后注明“拼”字,标明共几票。需要显示箱号、封号、提单号等附加内容,请填写在附加声明中。6、TEL :FAX: 熏蒸委托声明书兹证明我单位(委托单位名称) 的进 /出境货物及其木质包装(具体见下表)委托( 熏 蒸 单位 名称)进行熏蒸处理,并声明该批出境货物木质包装不带树皮和蛀洞,集装箱箱体完好,不会由此而影响熏蒸质量;另声明不会因熏蒸而影响货物质量。若因此而产生质量事故,其责任由我单位负责。进/出境货物及其木质包装情况和熏蒸要求熏蒸物品名称数量吨(立方米)木质包装名称数量件(托、箱、套等)进/出口国名证书要求熏 蒸 地 点熏蒸日期熏蒸要求药 剂 名 称溴甲烷投 药 剂 量克/立方米密 闭 时 间小时注:熏蒸密闭时间24 小时,散气 24 小时后方可放行!委托单位名称:(盖章)负责人签字:(敲章)日期:出入境检验检疫报检委托书本单位与受托人协商后达成本委托书, 将本单位进口 /出口货物的出入境检验检疫报检工作全权委托受托人办理, 并保证向受托人提供的用于办理报检手续的所有单证均真实无讹:委托日期:年月日本委托书有效期:年月日至年月日委 托 人(印章):___________________ 单位地址: _________________________ 机构性质: ____________________经营范围: ...

1、当您付费下载文档后,您只拥有了使用权限,并不意味着购买了版权,文档只能用于自身使用,不得用于其他商业用途(如 [转卖]进行直接盈利或[编辑后售卖]进行间接盈利)。
2、本站所有内容均由合作方或网友上传,本站不对文档的完整性、权威性及其观点立场正确性做任何保证或承诺!文档内容仅供研究参考,付费前请自行鉴别。
3、如文档内容存在违规,或者侵犯商业秘密、侵犯著作权等,请点击“违规举报”。

碎片内容

熏蒸业务联系单

您可能关注的文档

确认删除?
VIP
微信客服
  • 扫码咨询
会员Q群
  • 会员专属群点击这里加入QQ群
客服邮箱
回到顶部