电脑桌面
添加小米粒文库到电脑桌面
安装后可以在桌面快捷访问

燃气的应用规范VIP专享

燃气的应用规范_第1页
1/13
燃气的应用规范_第2页
2/13
燃气的应用规范_第3页
3/13
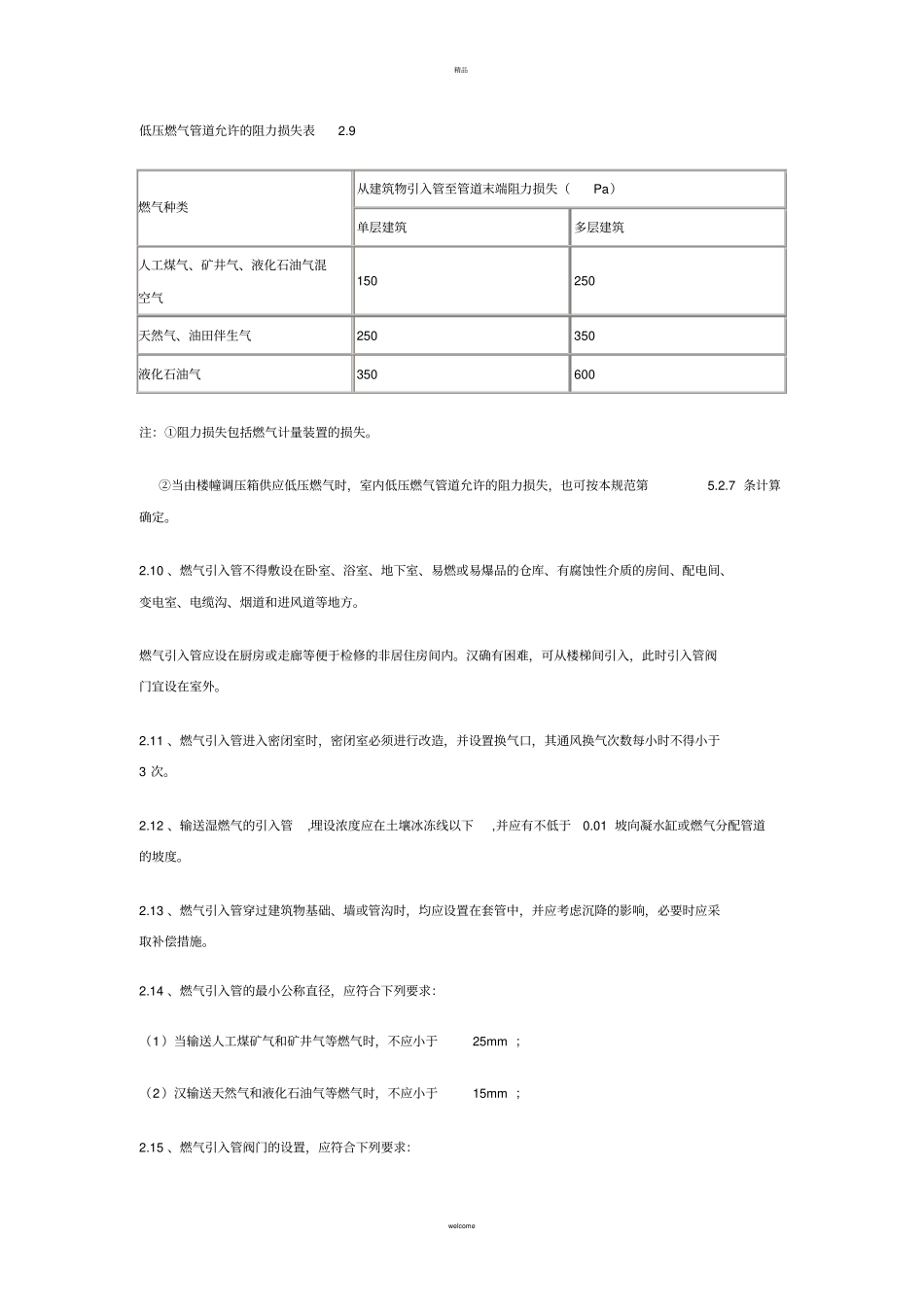
精品welcome 燃气的应用1 、一般规定1.1 、本章适用于城镇居民住宅、公共建筑和工业企业内部的燃气系统设计。1.2 、调压、计量、燃烧等设备,应根据使用的燃气类别及特性、安装条件和用户要求等因素选择。2 、室内燃气管道2.1 、用户室内燃气管道的最高压力不应大于表2.1 的规定。用户室内燃气管道的最同压力(表压 MPa) 表 2.1燃气用户最高压力工业用户及单独的锅炉房0.4公共建筑和居民用户(中压进户 )0.2公共建筑和居民用户(低压进户 )0.0052.2 、燃气供应压力应根据用气设备燃烧器的额定压力及其允许的压力波动范围确定。用气设备的燃烧器的额定压力可按表2.2 采用。用气设备燃烧器的额定压力(表压kPa )表 2.2燃烧器燃气人工煤气天然气液化石油气矿井气、 液化气混空气天然气、 油田伴生气低压1.01.02.02.8 或 5.0中压10 或 3010 或 3020 或 5030 或 1002.3 、在城镇供气管道上严禁直接安装加压设备。2.4 、当供气压力不能满足用气设备要求而需要加压时,必须符合下列要求:精品welcome (1)加压设备前必须设浮动式缓冲罐。缓冲罐的容量庆保证加压时不影响地区管网的压力工况;(2)缓冲罐前应设管网低压保护装置;(3)缓冲罐应设贮量下限位与加压设备联锁的自动切断阀;(4)加压设备应设旁通阀和出口止回阀。2.5 、室内中、低压燃气管道应采用镀锌钢管。中压燃气管道宜采用焊接或法兰连接。2.6 、室内燃气管道的计算流量应按下式计算:Q h=k t( Σ kNQn)式中: Q h--- 燃气管道的计算流量(m 3/h );k t--- 不同类型用户的同时工作系数;当缺乏资料时,可取k t=1 ;k--- 燃具同时工作系数,居民生活用燃具可按附录F 确定。 公共建筑和工业用燃具可按加热工艺要求确定;N--- 同一类型燃具的数目;Q n--- 燃具的额定流量(m 3/h )。2.8 、计算低压燃气管道阻力损失时,应考虑因同程差而引起的燃气附加压力。燃气的附加压力可按下式计算:△ H=10 ×(ρk- ρm )×h式中:△H--- 燃气的附加压力(Pa);ρk--- 空气的密度( kg/m3);ρm --- 燃气的密度( kg/m3 );h--- 燃气管道终、起点高程差(m )。2.9 、当由调压站供应低压燃气时,室内低压燃气管道允许的阻力损失,不应大于表2.9 的规定。精品welcome 低压燃气管道允许的阻力损失表2.9燃气种类从建筑物引入管至管道末端阻力损失(Pa)单层建筑多层建筑人工煤气、矿井气、液化石油气混空气150250天然气、...

1、当您付费下载文档后,您只拥有了使用权限,并不意味着购买了版权,文档只能用于自身使用,不得用于其他商业用途(如 [转卖]进行直接盈利或[编辑后售卖]进行间接盈利)。
2、本站所有内容均由合作方或网友上传,本站不对文档的完整性、权威性及其观点立场正确性做任何保证或承诺!文档内容仅供研究参考,付费前请自行鉴别。
3、如文档内容存在违规,或者侵犯商业秘密、侵犯著作权等,请点击“违规举报”。

碎片内容

燃气的应用规范

确认删除?
VIP
微信客服
  • 扫码咨询
会员Q群
  • 会员专属群点击这里加入QQ群
客服邮箱
回到顶部