电脑桌面
添加小米粒文库到电脑桌面
安装后可以在桌面快捷访问

《司法鉴定机构仪器设备配置标准》的通知(司通发【2011】323号)VIP专享VIP免费

《司法鉴定机构仪器设备配置标准》的通知(司通发【2011】323号)_第1页
1/14
《司法鉴定机构仪器设备配置标准》的通知(司通发【2011】323号)_第2页
2/14
《司法鉴定机构仪器设备配置标准》的通知(司通发【2011】323号)_第3页
3/14
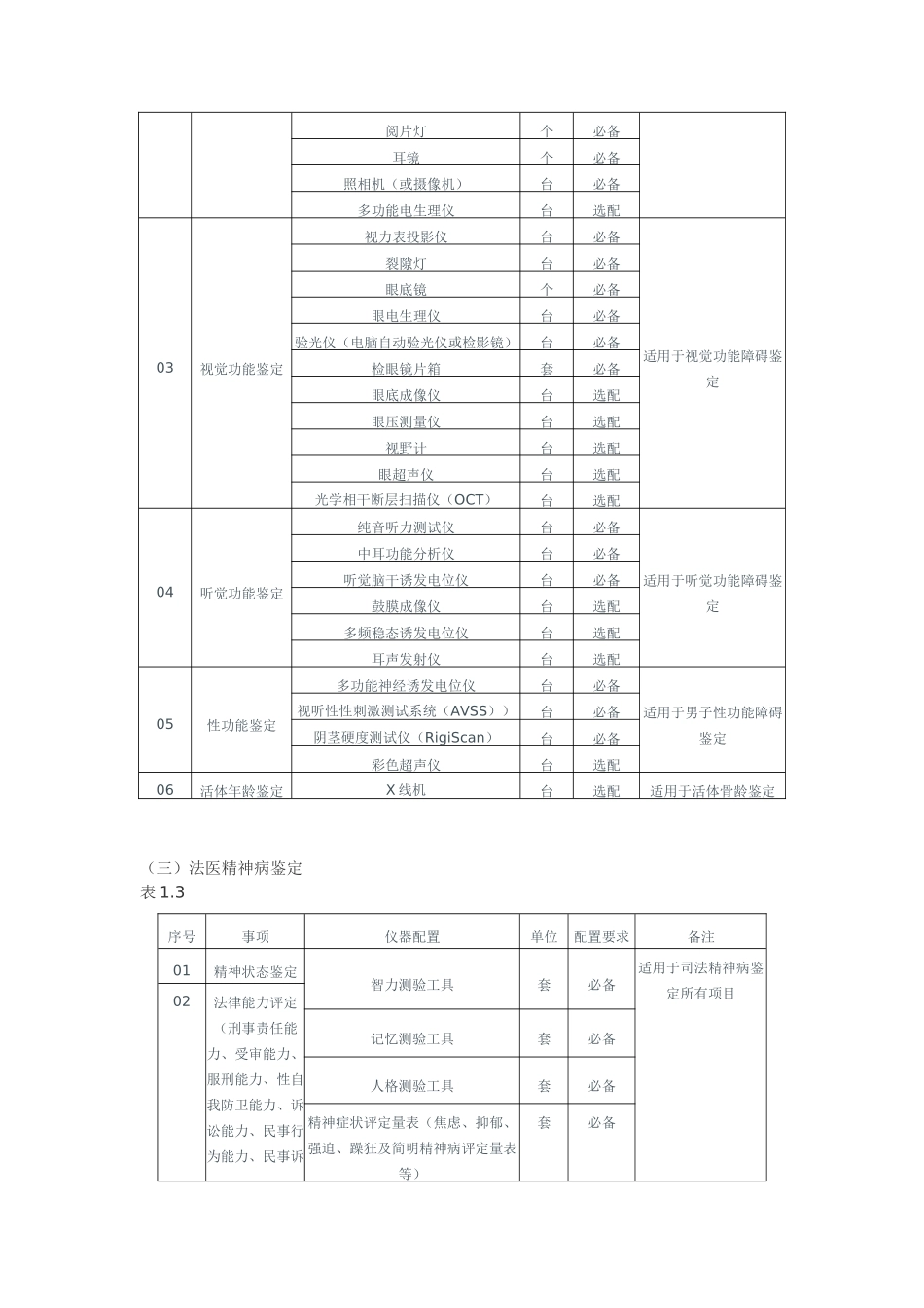
关于印发《司法鉴定机构仪器设备配置标准》的通知司发通【2011】323号各省、自治区、直辖市司法厅(局),新疆生产建设兵团司法局:为了适应诉讼活动和科技发展的需要,进一步提高司法鉴定机构的资质条件,结合司法鉴定行业的实际,我部对2006年颁布的《司法鉴定机构仪器设备基本配置标准(暂行)》(司发通[2006]57号)进行了修订。现将修订后的《司法鉴定机构仪器设备配置标准》(以下简称《配置标准》)印发给你们,自2012年3月1日起施行。各地要严格按照《配置标准》开展司法鉴定机构登记管理工作。自本通知实施之日起,新申请设立司法鉴定机构的,应当达到《配置标准》要求。本通知实施前经司法行政机关审核登记的司法鉴定机构,应当在申请延续前,达到《配置标准》要求。请各地将执行中遇到的问题及时报司法部司法鉴定管理局。二〇一一年十二月二十七日司法鉴定机构仪器设备配置标准一、法医类(一)法医病理鉴定表1.1序号事项场所仪器配置单位配置类型备注0102030405死亡原因鉴定死亡方式鉴定死亡时间鉴定损伤时间鉴定致伤物推断鉴定尸体解剖室尸体解剖台台必备应有可使用的尸体解剖室解剖、测量器械台必备照明及消毒系统套必备进排水系统套必备照相设备台必备抽送风系统套选配录像设备台必备组织器官取材、储存室取材台(含取材器械)台必备须配置组织器官储存室进排水系统、照明及消毒系统套必配组织器官固定存放桶套必备器官标本存放装置个必备抽送风系统套选配录像设备台选配病理切片制片室切片设备台必备应有可使用的病理切片制片室脱水设备台必备包埋设备台必备染色设备台必备病理切片诊断室生物显微镜(放大倍数:40×~400×)台必备须配置病理切片诊断室多人共览显微镜台选配图像采集/拍摄系统台选配图像处理系统台选配病理切片全息图像扫描仪台选配切片、蜡块存放室(柜)切片存放柜个必备须配置切片、蜡块存放室(柜)蜡块存放柜个必备运尸工具运尸车(包括担架、尸体存放舱等)台选配法医病理鉴定技术支持毒物分析实验室具备挥发性毒物(含乙醇)、气体类毒物(含CO)、毒品(阿片类、苯丙胺类、大麻类)、有毒药物、有毒植物、动物、杀虫剂、杀鼠药、除草剂、金属毒物和无机毒物检测仪器设备间必备死因鉴定项目应有可使用的满足本配置标准要求的毒物分析实验室影像学检查室X线机、螺旋CT间选配DNA同一认定实验室具备血痕、毛发、肌肉、精斑、甲醛固定后组织、组织蜡块、组织切片的DNA同一性比对设备间选配(二)法医临床鉴定表1.2序号事项仪器配置单位配置要求备注0102损伤程度鉴定伤残程度评定临床检查基本工具(血压计、听诊器、叩诊锤、关节量角器、直尺或卷尺、国际标准视力表)套必备适用于所有法医临床鉴定检查床张必备身高体重仪台必备阅片灯个必备耳镜个必备照相机(或摄像机)台必备多功能电生理仪台选配03视觉功能鉴定视力表投影仪台必备适用于视觉功能障碍鉴定裂隙灯台必备眼底镜个必备眼电生理仪台必备验光仪(电脑自动验光仪或检影镜)台必备检眼镜片箱套必备眼底成像仪台选配眼压测量仪台选配视野计台选配眼超声仪台选配光学相干断层扫描仪(OCT)台选配04听觉功能鉴定纯音听力测试仪台必备适用于听觉功能障碍鉴定中耳功能分析仪台必备听觉脑干诱发电位仪台必备鼓膜成像仪台选配多频稳态诱发电位仪台选配耳声发射仪台选配05性功能鉴定多功能神经诱发电位仪台必备适用于男子性功能障碍鉴定视听性性刺激测试系统(AVSS))台必备阴茎硬度测试仪(RigiScan)台必备彩色超声仪台选配06活体年龄鉴定X线机台选配适用于活体骨龄鉴定(三)法医精神病鉴定表1.3序号事项仪器配置单位配置要求备注01精神状态鉴定智力测验工具套必备适用于司法精神病鉴定所有项目02法律能力评定(刑事责任能力、受审能力、服刑能力、性自我防卫能力、诉讼能力、民事行为能力、民事诉记忆测验工具套必备人格测验工具套必备精神症状评定量表(焦虑、抑郁、强迫、躁狂及简明精神病评定量表等)套必备讼能力、作证能社会功能评定量表(日常生活能力量表(ADL)、社会功能缺陷筛选量表(SDSS)等)套必备03精神损伤程度评定精神伤残程度评定脑电图或脑电地形图仪台必备(二选一)...

1、当您付费下载文档后,您只拥有了使用权限,并不意味着购买了版权,文档只能用于自身使用,不得用于其他商业用途(如 [转卖]进行直接盈利或[编辑后售卖]进行间接盈利)。
2、本站所有内容均由合作方或网友上传,本站不对文档的完整性、权威性及其观点立场正确性做任何保证或承诺!文档内容仅供研究参考,付费前请自行鉴别。
3、如文档内容存在违规,或者侵犯商业秘密、侵犯著作权等,请点击“违规举报”。

碎片内容

《司法鉴定机构仪器设备配置标准》的通知(司通发【2011】323号)

文章天下+ 关注
实名认证
内容提供者

各种文档应有尽有

确认删除?
VIP
微信客服
  • 扫码咨询
会员Q群
  • 会员专属群点击这里加入QQ群
客服邮箱
回到顶部