电脑桌面
添加小米粒文库到电脑桌面
安装后可以在桌面快捷访问

土料碾压筑堤单元工程施工质量验收评定表

土料碾压筑堤单元工程施工质量验收评定表_第1页
1/113
土料碾压筑堤单元工程施工质量验收评定表_第2页
2/113
土料碾压筑堤单元工程施工质量验收评定表_第3页
3/113
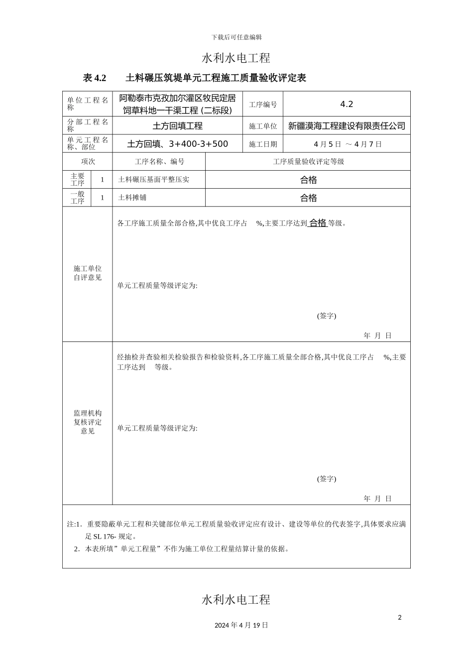
下载后可任意编辑土料碾压筑堤单元工程施工质量验收评定表12024 年 4 月 19 日下载后可任意编辑水利水电工程表 4.2 土料碾压筑堤单元工程施工质量验收评定表单 位 工 程 名称阿勒泰市克孜加尔灌区牧民定居饲草料地一干渠工程 (二标段)工序编号4.2分 部 工 程 名称土方回填工程施工单位新疆漠海工程建设有限责任公司单 元 工 程 名称、部位土方回填、3+400-3+500施工日期 4 月 5 日 ~ 4 月 7 日项次工序名称、编号工序质量验收评定等级主要工序1土料碾压基面平整压实合格一般工序1土料摊铺合格施工单位自评意见各工序施工质量全部合格,其中优良工序占 %,主要工序达到 合格 等级。单元工程质量等级评定为: (签字) 年 月 日监理机构复核评定意见经抽检并查验相关检验报告和检验资料,各工序施工质量全部合格,其中优良工序占 %,主要工序达到 等级。单元工程质量等级评定为:(签字) 年 月 日注:1.重要隐蔽单元工程和关键部位单元工程质量验收评定应有设计、建设等单位的代表签字,具体要求应满足 SL 176- 规定。 2.本表所填”单元工程量”不作为施工单位工程量结算计量的依据。水利水电工程22024 年 4 月 19 日下载后可任意编辑表 4.2.1 土料摊铺工序施工质量验收评定表单位工程名称阿勒泰市克孜加尔灌区牧民定居饲草料地一干渠工程 (二标段)工序名称、编号4.2.1、土料摊铺分部工程名称土方回填工程施 工 单 位新疆漠海工程建设有限责任公司单 元 工 程 名称、编号土方回填、C2-1施 工 日 期 4 月 5 日 ~ 4 月 7 日项次检验项目质量标准检查(测)记录或备查资料名称合格数合格率 主控项目1土块直径符合表 5.0.5-2 的要求铺料厚度 50cm、限制直径≤15cm;15cm、16cm、17cm、14cm、13cm、12cm、10cm、12cm、14cm、9cm880%2铺土厚度符合碾压试验或表 5.0.5-2 的要求;允许偏差为-5.0~0 cm18t 振动碾、铺料厚度 50cm;54cm、47cm、47cm、51cm、50cm、52cm、57cm、56cm、51cm、52cm880%一般项目1作 业 面 分段长度人工作业不小于50m;机械作业不小于 100m机械作业;100.5m、100.2m、100.1m、99.5m、99.3m、100.2m、100.0m、100.1m、100.1m、99.1m、770%2铺 填 边 线超宽值人 工 铺 料 大 于10cm;机械铺料大于 30cm机械铺料;34cm、32cm、44cm、18cm、17cm、27cm、33cm、30cm、41cm、39cm770%防渗体: 0~10cm/包 边 盖 顶 :0 ~10cm/施工单位自评意见主...

1、当您付费下载文档后,您只拥有了使用权限,并不意味着购买了版权,文档只能用于自身使用,不得用于其他商业用途(如 [转卖]进行直接盈利或[编辑后售卖]进行间接盈利)。
2、本站所有内容均由合作方或网友上传,本站不对文档的完整性、权威性及其观点立场正确性做任何保证或承诺!文档内容仅供研究参考,付费前请自行鉴别。
3、如文档内容存在违规,或者侵犯商业秘密、侵犯著作权等,请点击“违规举报”。

碎片内容

土料碾压筑堤单元工程施工质量验收评定表

您可能关注的文档

津创媒+ 关注
实名认证
内容提供者

欢迎交流文创,小店资料希望满足您的需要。

确认删除?
VIP
微信客服
  • 扫码咨询
会员Q群
  • 会员专属群点击这里加入QQ群
客服邮箱
回到顶部