电脑桌面
添加小米粒文库到电脑桌面
安装后可以在桌面快捷访问

现场签证确认单

现场签证确认单_第1页
1/13
现场签证确认单_第2页
2/13
现场签证确认单_第3页
3/13
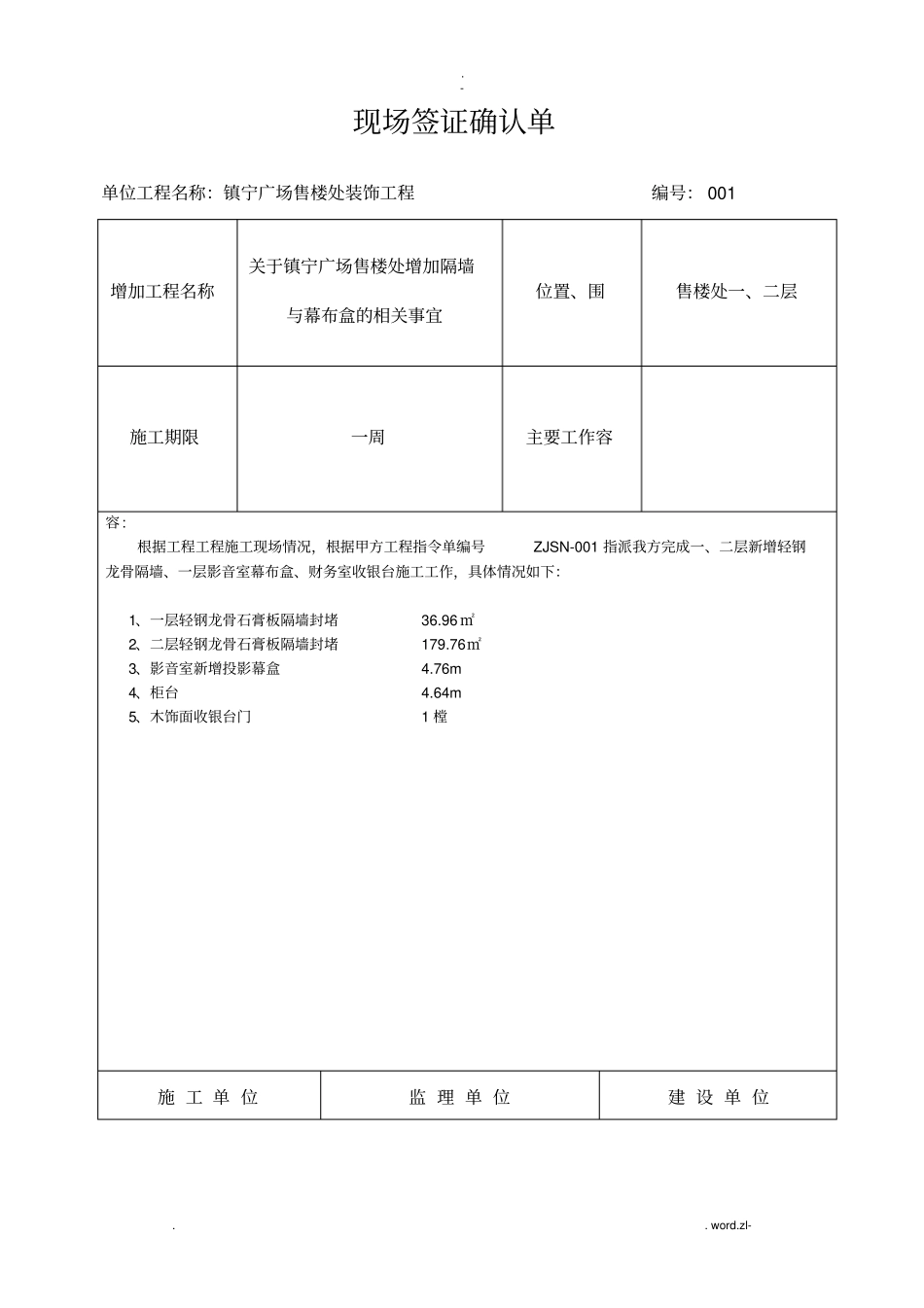
. -. . word.zl-现场签证确认单单位工程名称:镇宁广场售楼处装饰工程编号: 001 增加工程名称关于镇宁广场售楼处增加隔墙与幕布盒的相关事宜位置、围售楼处一、二层施工期限一周主要工作容容: 根据工程工程施工现场情况,根据甲方工程指令单编号ZJSN-001 指派我方完成一、二层新增轻钢龙骨隔墙、一层影音室幕布盒、财务室收银台施工工作,具体情况如下:1、一层轻钢龙骨石膏板隔墙封堵36.96 ㎡2、二层轻钢龙骨石膏板隔墙封堵179.76㎡3、影音室新增投影幕盒4.76m 4、柜台4.64m 5、木饰面收银台门1 樘施 工 单 位监 理 单 位建 设 单 位. -. . word.zl-见证人:见证人:见证人:注:现场签证必须及时办理现场签证确认单单位工程名称:镇宁广场售楼处装饰工程编号: 002 增加工程名称关于镇宁广场售楼处增加看房通道施工的相关事宜位置、围看房通道施工期限主要工作容. -. . word.zl-容: 根据工程工程施工现场情况,根据甲方工程指令单编号ZJSN-002 指派我方完成看房通道轻钢龙骨隔墙、看房通道一至二层踏步砖铺贴、看房通道石膏板吊顶、管线、灯具等施工工作,具体情况如下:1、块料楼地面62.6㎡2、楼梯踏步地砖38.7㎡3、砖砌台阶1 个4、块料踢脚线52m 5、楼地面地毯47.2㎡6、楼梯抹灰面乳胶漆103.6㎡7、天棚吊顶72.2㎡8、轻钢龙骨石膏板隔墙封堵205.38㎡9、电气配管 KBG20 220m 10、电气配线360m 11、L1 金卤筒灯20 个12、普通吸顶式及其他灯具3 个13、双联控制开关2 个14、单联控制开关4 个施 工 单 位监 理 单 位建 设 单 位. -. . word.zl-见证人:见证人:见证人:注:现场签证必须及时办理现场签证确认单单位工程名称:镇宁广场售楼处装饰工程编号: 003 增加工程名称关于镇宁广场售楼处受各方影响拆改的相关事宜位置、围二层办公区、经理办公室施工期限一周主要工作容. -. . word.zl-容: 根据工程工程施工现场情况,根据甲方工程指令单编号ZJSN-003 指派我方二层办公区现因增加样板房,需拆改已完成的墙面基层、二层经理办公室因土建墙体砌错,隔墙需调整等施工工作,具体情况如下:1、拆改局部装饰板墙面12.96㎡2、新增加轻钢龙骨石膏板隔墙封堵4.5 ㎡3、木地板6 ㎡4、拆改天棚吊顶7.2 ㎡5、新增夹板装饰门1 樘6、木门窗套1.72㎡施 工 单 位监 理 单 位建 设 单 位见证人:见证人:见证人:注:现场签证必须及时办理现场签证确认单. -. . word.zl-单位工程名...

1、当您付费下载文档后,您只拥有了使用权限,并不意味着购买了版权,文档只能用于自身使用,不得用于其他商业用途(如 [转卖]进行直接盈利或[编辑后售卖]进行间接盈利)。
2、本站所有内容均由合作方或网友上传,本站不对文档的完整性、权威性及其观点立场正确性做任何保证或承诺!文档内容仅供研究参考,付费前请自行鉴别。
3、如文档内容存在违规,或者侵犯商业秘密、侵犯著作权等,请点击“违规举报”。

碎片内容

现场签证确认单

确认删除?
VIP
微信客服
  • 扫码咨询
会员Q群
  • 会员专属群点击这里加入QQ群
客服邮箱
回到顶部