电脑桌面
添加小米粒文库到电脑桌面
安装后可以在桌面快捷访问

大工钢筋混凝土结构课程设计

大工钢筋混凝土结构课程设计_第1页
1/18
大工钢筋混凝土结构课程设计_第2页
2/18
大工钢筋混凝土结构课程设计_第3页
3/18
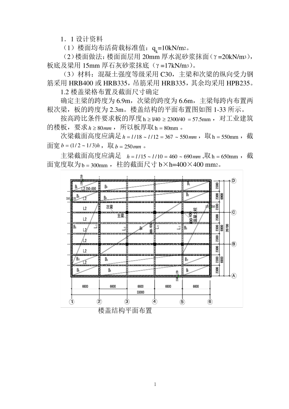
网络教育学院 《钢筋混凝土结构课程设计》 题 目:模塑厂房单向板设计 学习中心: 大连学习中心 专 业: 土木工程 年 级: 2011 年 春季 学 号: 学 生: 指导教师: 1 1.1 设计资料 (1)楼面均布活荷载标准值:qk=10kN/m2。 (2)楼面做法:楼面面层用20mm 厚水泥砂浆抹面( =20kN/m3),板底及梁用15mm 厚石灰砂浆抹底( =17kN/m3)。 (3)材料:混凝土强度等级采用C30,主梁和次梁的纵向受力钢筋采用HRB400 或HRB335,吊筋采用HRB335,其余均采用HPB235。 1.2 楼盖梁格布置及截面尺寸确定 确定主梁的跨度为6.9m,次梁的跨度为6.6m,主梁每跨内布置两根次梁,板的跨度为2.3m。楼盖结构的平面布置图如图1-33 所示。 按高跨比条件要求板的厚度57.5mm2300/40l/40h,对工业建筑的楼板,要求m mh80,所以板厚取80mmh 。 次梁截面高度应满足m mllh550~36712/~18/,取550mmh ,截面宽hb)3/1~2/1(,取m mb250。 主梁截面高度应满足m mllh690~46010/~15/,取650mmh ,截面宽度取为300mmb ,柱的截面尺寸b×h=400×400 mm2。 楼盖结构平面布置 2 2 单向板结构设计 2.1 板的设计 板的设计——按考虑塑性内力重分布设计 (1)、荷载计算 恒荷载标准值 222/255.017015.015/22508.080/4.02002.020m mmkNmmmkNmmmkN板底石灰砂浆:钢筋混凝土板:水泥砂浆面层: 小计 2kN/m655.2 活荷载标准值: 210kN/m 因为是工业建筑楼盖且楼面活荷载标准值大于2kN/m0.4,所以活荷载分项系数取 3.1 , 2222/2.16/186.16/133.110/186.32.1655.2mkNmkNgqmkNqmkNg,近似取荷载总设计值:活荷载设计值:恒荷载设计值: (2)、计算简图 取 1m 板宽作为计算单元,板的实际结构如图所示,由图可知:次梁截面为 b=mm250,现浇板在墙上的支承长度为 a=mm120,则按塑性内力重分布设计,板的计算跨度为: mmllmmlmmalmmhllnnn20502502300209521152120)22501202300(22095280)22501202300(2/010101中跨所以边跨板的计算取确定:边跨按以下二项较小值 板的计算简图所示。 板的实际结构 3 板的计算简图 (3) 弯矩设计值 因边跨与中跨的计算跨度相差%1.2205020502095小于10%,可按等跨连续板计算 由表可查得板的弯矩系数αM,,板的弯矩设计值计算过程见表 板的弯矩设计值的计算 截面位置 1 边...

1、当您付费下载文档后,您只拥有了使用权限,并不意味着购买了版权,文档只能用于自身使用,不得用于其他商业用途(如 [转卖]进行直接盈利或[编辑后售卖]进行间接盈利)。
2、本站所有内容均由合作方或网友上传,本站不对文档的完整性、权威性及其观点立场正确性做任何保证或承诺!文档内容仅供研究参考,付费前请自行鉴别。
3、如文档内容存在违规,或者侵犯商业秘密、侵犯著作权等,请点击“违规举报”。

碎片内容

大工钢筋混凝土结构课程设计

确认删除?
VIP
微信客服
  • 扫码咨询
会员Q群
  • 会员专属群点击这里加入QQ群
客服邮箱
回到顶部