电脑桌面
添加小米粒文库到电脑桌面
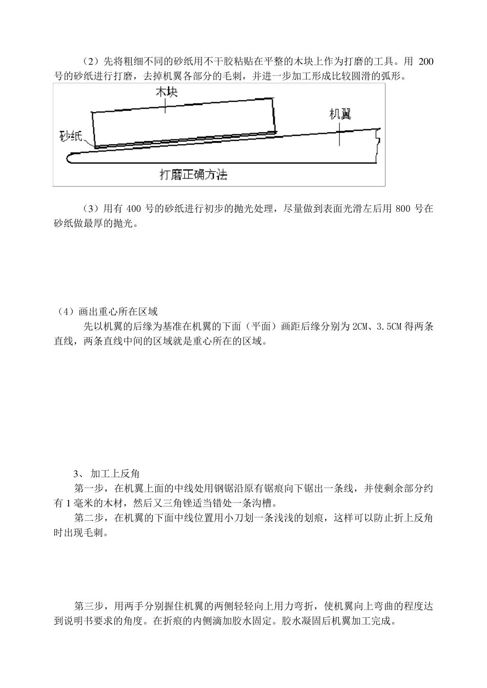
安装后可以在桌面快捷访问

天翔木质模型飞机的制作与放飞

天翔木质模型飞机的制作与放飞_第1页
1/8
天翔木质模型飞机的制作与放飞_第2页
2/8
天翔木质模型飞机的制作与放飞_第3页
3/8
天翔木质模型飞机的制作与放飞 天翔木质模型飞机是杭州中天模型公司生产的手掷、弹射兼用的模型飞机。主要由机翼、机身、水平尾翼、垂直尾翼、机翼加强片和配重橡皮泥组成,同时配有模型制作专用胶水。它是一种性价比较高的半成品模型飞机。适合小学阶段各年级的学生在航模活动中进行制作和放飞。 一、模型飞机的制作 (一)机翼的加工 机翼在出厂时就进行了初步的加工。制作时一般按以下几个步骤完成。 1 、 机翼最厚部位的确定 首先找到机翼的中点,画一条过中点垂直于后缘的直线。在直线上找到距前缘三分之一的点。其次在左右的翼端同样找到距前缘三分之一的点。最后将三个点有直线连接起来。直线所在的区域就是机翼的最厚部位。 2 、 机翼的成型与打磨 (1 )先用钢锉或细木锉将应去掉的部位进行处理,形成大致的平凸机翼。 (2 )先将粗细不同的砂纸用不干胶粘贴在平整的木块上作为打磨的工具。用2 0 0号的砂纸进行打磨,去掉机翼各部分的毛刺,并进一步加工形成比较圆滑的弧形。 (3 )用有400 号的砂纸进行初步的抛光处理,尽量做到表面光滑左后用800 号在砂纸做最厚的抛光。 (4)画出重心所在区域 先以机翼的后缘为基准在机翼的下面(平面)画距后缘分别为2CM、3.5CM 得两条直线,两条直线中间的区域就是重心所在的区域。 3 、 加工上反角 第一步,在机翼上面的中线处用钢锯沿原有锯痕向下锯出一条线,并使剩余部分约有1 毫米的木材,然后又三角锉适当错处一条沟槽。 第二步,在机翼的下面中线位置用小刀划一条浅浅的划痕,这样可以防止折上反角时出现毛刺。 第三步,用两手分别握住机翼的两侧轻轻向上用力弯折,使机翼向上弯曲的程度达到说明书要求的角度。在折痕的内侧滴加胶水固定。胶水凝固后机翼加工完成。 把带有缝隙的机翼轻轻一折 不要折断 用5 0 2 胶水粘接 粘接好的样子 (二)机身的加工 1 、先用2 0 0 号的砂纸对机身表面进行打磨同时去掉边角的毛刺。然后分别用4 0 0 号和 8 0 0 号的砂纸对记忆抛光 2 、从机头开始向后量出 1 3 .5 厘米的点,并在机身的两侧画直线做出标记,直线的位置是机翼后缘的位置。由此向前5.5CM 的区域就是机翼的安装位置。 3、从机身的末端向前量出 1CM 的位置并画线,此处是水平尾翼后缘的位置。 (三)尾翼的加工 尾翼都是1 毫米的桐木板,相对强度比较小,在加工过程中容易折断。因此在打磨加工时,要放在平整的桌面上进行。同...

1、当您付费下载文档后,您只拥有了使用权限,并不意味着购买了版权,文档只能用于自身使用,不得用于其他商业用途(如 [转卖]进行直接盈利或[编辑后售卖]进行间接盈利)。
2、本站所有内容均由合作方或网友上传,本站不对文档的完整性、权威性及其观点立场正确性做任何保证或承诺!文档内容仅供研究参考,付费前请自行鉴别。
3、如文档内容存在违规,或者侵犯商业秘密、侵犯著作权等,请点击“违规举报”。

碎片内容

天翔木质模型飞机的制作与放飞

小辰6+ 关注
实名认证
内容提供者

出售各种资料和文档

确认删除?
VIP
微信客服
  • 扫码咨询
会员Q群
  • 会员专属群点击这里加入QQ群
客服邮箱
回到顶部