电脑桌面
添加小米粒文库到电脑桌面
安装后可以在桌面快捷访问

太阳能超白压花钢化玻璃质量标准

太阳能超白压花钢化玻璃质量标准_第1页
1/7
太阳能超白压花钢化玻璃质量标准_第2页
2/7
太阳能超白压花钢化玻璃质量标准_第3页
3/7
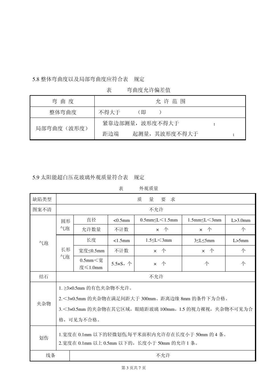
第1 页共7 页 太阳能超白压花钢化玻璃质量标准 3. 分类 3.1 玻璃按厚度分为2.5mm、3.0mm、3.2mm、4mm、5mm、6mm、8mm、10mm。产品规格按客 户要求而定。 3.2本标准按外观质量及用途设定太阳能一个质量等级。 4. 基本术语 4.1 图案不清 局部花纹图案不清或者变形 4.2 气泡 玻璃中的夹杂气体物 4.3 结石、夹杂物 嵌入玻璃表面或裹在玻璃板中的未熔化的混合料颗粒及其他杂质。 4.4 线条 压花玻璃表面呈现的线状条纹缺陷 4.5 划伤 在生产和储运、装卸过程中,玻璃表面被划伤的痕迹 4.6 压痕(包括辊伤) 因压辊表面的原因造成玻璃板面的缺陷或表面花纹被破坏 4.7 皱纹 压花玻璃表面呈现波纹状缺陷 4.8 裂纹 玻璃表面的开裂缺陷 4.9 弯曲度 4.9.1 整体弯曲度 玻璃经高温强化和淬冷之后,整个玻璃表面因承受了不均匀的温度或风压,导致出现弧形弯曲 4.9.2局部弯曲度(即波形度) 玻璃经高温强化和淬冷后,局部出现不同程度的 S形或波浪形的变形 5. 质量要求 5.1 太阳能玻璃的可见光透射比应符合表 1所规定的要求: 表 1 可见光透射比的要求 厚度(m m ) 可见光透射比(%) 2.5 ≥91.7 第2 页共7 页 3.0/3.2 ≥91.6 4 ≥91.5 5 ≥91.2 6 ≥91 8 ≥90.5 10 ≥90 5.2 玻璃铁含量≤0.012% (Fe2O3)。 5.3 太阳能钢化玻璃的厚度允许偏差应符合表2 的规定。 表2 厚度允许偏差 厚度(mm) 厚度允许偏差(mm) 2.5 ±0.2 3.0/3.2 ±0.2 4 ±0.3 5 ±0.4 6 ±0.5 8 ±0.6 10 ±0.6 5.4 太阳能钢化玻璃产品规格为长方形或正方形。产品的长、宽尺寸允许偏差应符合表3规定。 表3 尺寸允许偏差(单位:mm) 厚度(mm) 尺寸允许偏差(mm) 2.5 0,-2mm 3.0/3.2 0,-2mm 4 0,-2mm 5 0,-4mm 6 0,-4mm 8 0,-4mm 10 0,-4mm 5.5 超大规格2000mm×1000mm以上或者异形(含钻孔)规格产品,按供需双方协商规定。 5.6 对角线偏差:对角线长L在0~1000mm之间,两对角线差的绝对值│L1-L2│≤1mm,若1000mm≤L≤3000mm,则两对角线差的绝对值│L1-L2│≤2mm。 5.7 玻璃钻孔加工要求 5.7.1 玻璃钻孔的孔径尺寸公差为±1.0mm,孔中心定位尺寸公差为±1.5mm。 5.7.2 钻孔、开槽之后,边棱必须粗磨倒边,并符合如下的规定: (1) 钻孔直径D≥玻璃厚度T; (2) 孔的边距 L≥1.5×玻璃厚度T; (3) 挖槽的a、b 两处需圆角过渡,圆角半径 R≥玻璃...

1、当您付费下载文档后,您只拥有了使用权限,并不意味着购买了版权,文档只能用于自身使用,不得用于其他商业用途(如 [转卖]进行直接盈利或[编辑后售卖]进行间接盈利)。
2、本站所有内容均由合作方或网友上传,本站不对文档的完整性、权威性及其观点立场正确性做任何保证或承诺!文档内容仅供研究参考,付费前请自行鉴别。
3、如文档内容存在违规,或者侵犯商业秘密、侵犯著作权等,请点击“违规举报”。

碎片内容

太阳能超白压花钢化玻璃质量标准

确认删除?
VIP
微信客服
  • 扫码咨询
会员Q群
  • 会员专属群点击这里加入QQ群
客服邮箱
回到顶部