电脑桌面
添加小米粒文库到电脑桌面
安装后可以在桌面快捷访问

检验批同条件试块方案样本

检验批同条件试块方案样本_第1页
1/17
检验批同条件试块方案样本_第2页
2/17
检验批同条件试块方案样本_第3页
3/17
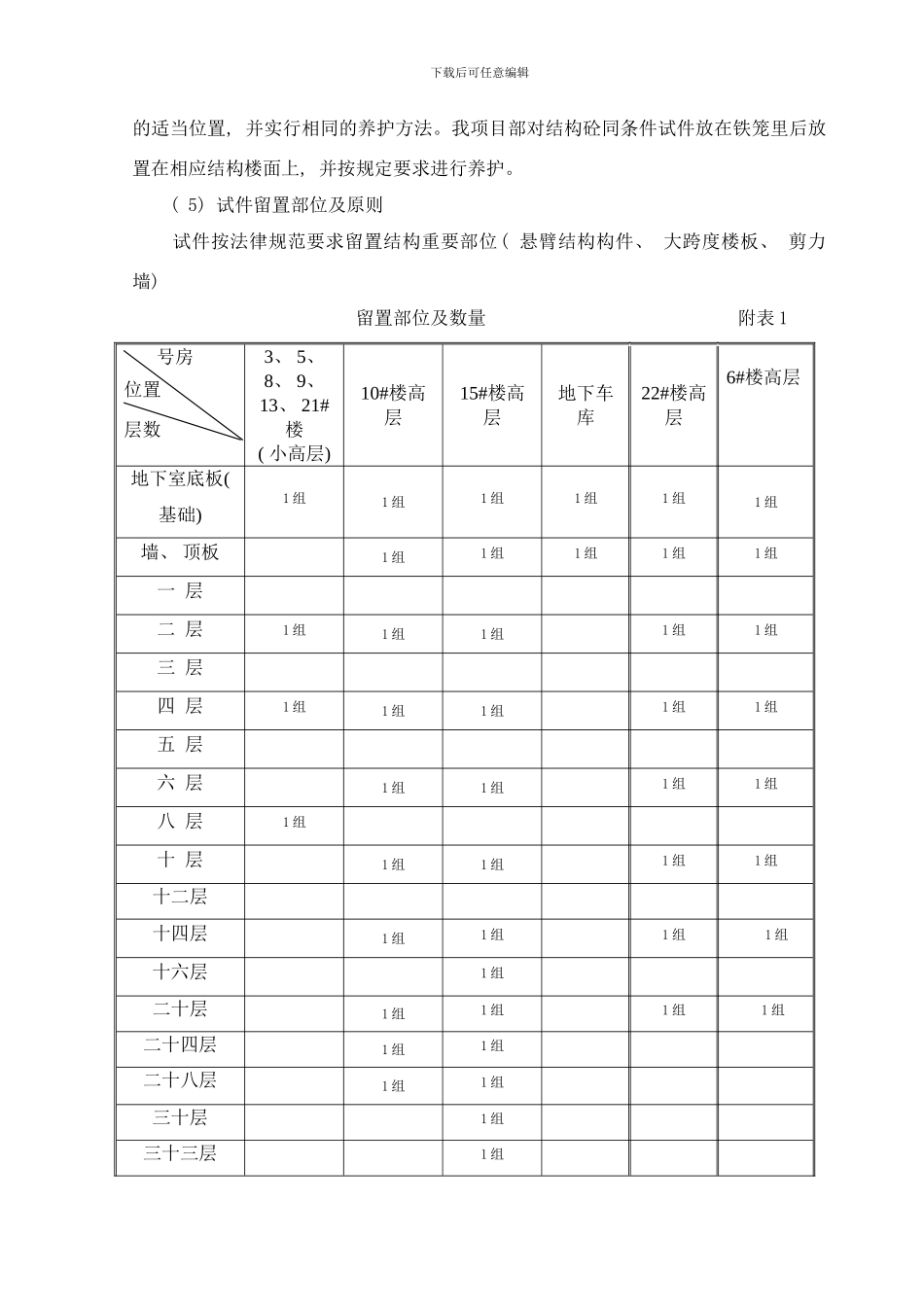
下载后可任意编辑 苏州吴江区蓝光•天悦城花园项目同条件养护试块方案根据现行国家标准《GB50204- 》要求, 会同建设单位、 监理单位对本工程 10栋主楼以及地下室验收检验批划分及重要结构实行同条件养护试块的留置与取样, 经商讨并达成共识, 制定了如下方案, 要求在施工过程中严格按此方案执行。一、 工程概况苏州吴江区蓝光•天悦城花园项目工程位于吴江区松陵镇, 东临冬梅街, 西至秋枫街, 南临高新路, 北至本工程待建处。本工程结构形式为剪力墙框架结构, 其中 15#房为 33 层高层; 6#房为 22 层高层; 22#房 23 层高层; 10#房 28 层高层和 24669.54㎡地下室以及 3、 5、 8、 9、 13、 21#房 8 层小高层; 开关站、 变电站等附属用房。本工程结构砼均采纳商品砼; 根据公司所定购销合同, 工程所有砼采纳苏州同舜混凝土有限公司生产厂家供应。二、 编制依据1. 苏州设计讨论股份有限公司的施工图; 2. 《建筑工程施工质量验收统一标准》GB50300- ; 3. 《混凝土结构工程施工质量验收法律规范》GB50204- ; 4. 苏州市颁布的有关建设工程质量标准、 法令法规、 条例等; 三、 混凝土同条件养护试件1.试件的规格、 尺寸试件采纳砼抗压试模, 规格为 150×150×150 、 抗渗试模规格为¢1502.结构实体同条件养护试件的留置方法和取样数量应符合如下要求: ( 1) 同条件养护试件所对应的结构构件和结构部位, 按监理、 建设、 施工单位各方共同选定的部位留置; ( 2) 结构工程中各混凝土强度等级均留置同条件养护试件; ( 3) 同一强度等级的养护试件, 其留置的数量符合法律规范要求, 不宜少于 10组, 且不应少于 3 组。故经各方商定从基础至主体屋面结构, 每二层留置一组同条件养护试件。( 4) 按法律规范要求同条件养护试块拆模后的放置应靠近结构构件或结构部位下载后可任意编辑的适当位置, 并实行相同的养护方法。我项目部对结构砼同条件试件放在铁笼里后放置在相应结构楼面上, 并按规定要求进行养护。( 5) 试件留置部位及原则 试件按法律规范要求留置结构重要部位( 悬臂结构构件、 大跨度楼板、 剪力墙) 留置部位及数量 附表 1 号房位置层数3、 5、 8、 9、 13、 21#楼( 小高层) 10#楼高层15#楼高层地下车库22#楼高层6#楼高层地下室底板( 基础) 1 组1 组1 组1 组1 组1 组墙、 顶板1 组1 组1 组1 组1 组一 层二 层1 组1 组1 组1 组1...

1、当您付费下载文档后,您只拥有了使用权限,并不意味着购买了版权,文档只能用于自身使用,不得用于其他商业用途(如 [转卖]进行直接盈利或[编辑后售卖]进行间接盈利)。
2、本站所有内容均由合作方或网友上传,本站不对文档的完整性、权威性及其观点立场正确性做任何保证或承诺!文档内容仅供研究参考,付费前请自行鉴别。
3、如文档内容存在违规,或者侵犯商业秘密、侵犯著作权等,请点击“违规举报”。

碎片内容

检验批同条件试块方案样本

确认删除?
VIP
微信客服
  • 扫码咨询
会员Q群
  • 会员专属群点击这里加入QQ群
客服邮箱
回到顶部