电脑桌面
添加小米粒文库到电脑桌面
安装后可以在桌面快捷访问

棉织物前处理工艺实验及效果测试样本

棉织物前处理工艺实验及效果测试样本_第1页
1/5
棉织物前处理工艺实验及效果测试样本_第2页
2/5
棉织物前处理工艺实验及效果测试样本_第3页
3/5
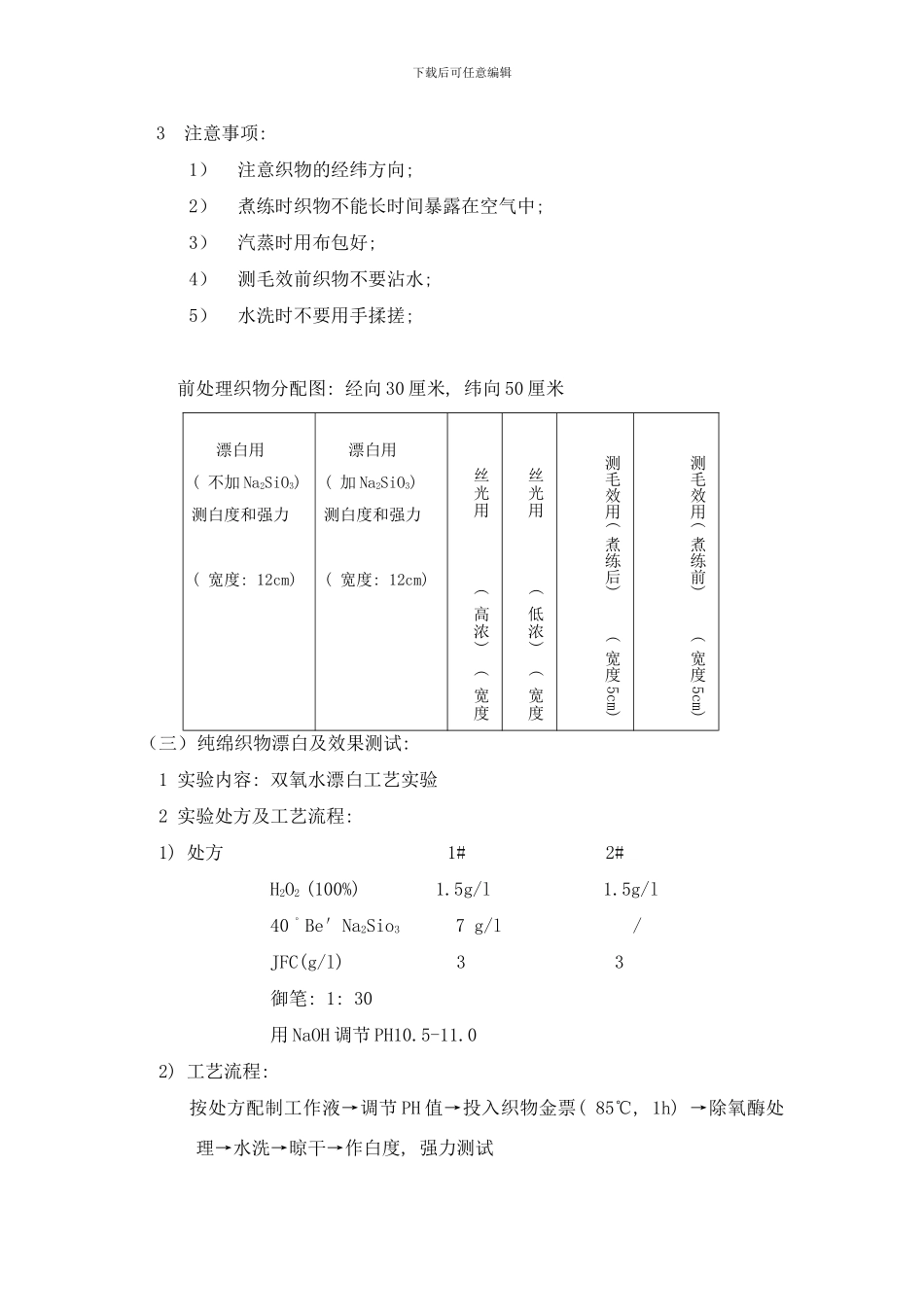
下载后可任意编辑 实验一 棉织物前处理工艺实验及效果测试一 实验内容: ( 一) 纯棉织物轧蒸法 碱退浆 ( 二) 纯绵织物常温煮练工艺实验 ( 三) 纯绵织物漂白丝光及煮练效果测试------毛效法 ( 四) 纯棉织物的丝光及效果测试二 实验目的: 1 学习纯绵织物轧蒸法 碱退浆 浸渍法 碱煮法的工艺方法 2 学习煮练效果测试方法三 实验原理: 《染整工艺学》P279 纯绵机织物含有大量的杂质(浆料 油脂 蜡质 果胶 色素 棉子壳等)杂质的存在将影响印染加工的效果及织物成品质量。因此在印染加工中一般要进行被称做前处理的 烧毛----退浆---煮练----漂白----丝光的加工过程, 以提高织物的表面质量, 润滑性, 收复性 典型的前处理过程 烧毛----退浆---煮练----漂白----丝光----半成品 为增加纱线的触耐磨性 可织性 机织物的经讲在织是前,要经过浆丝处理,但在整加工前,首先要除去浆料.纯绵织物一般使用淀粉浆料,淀粉浆在稀的NaOH 溶液变温作用下膨化,转化为凝胶态时,纤维的附着力下降,再经水的冲击等作用脱落. 棉纤维伴生物的存在,影响工作时纤维的处理,不利于染整加工, 煮练的目的是去除绝大部分纤维伴生物.伴生物: 油脂: 高级脂肪酸, 在热稀碱作用下发生皂化而溶解, 水洗可去除。 蜡质: 高级一元醇 , 皂化物,精练助前对其进乳化 棉籽壳: 为木质素, 亚硫酸钠使其转化为木质素磺酸盐。氢氧化钠热溶液使之溶解, 在机械力作用下去除。 含氮物质: 为蛋白质, 亚硝酸钠, 硝酸钠等物质, 在碱的作用下使其水解或形成钠盐。 果胶质: 主要成分是以果胶酸的钙, 镁盐和甲制的形式存在, 也能够与纤维分子之间形成酯键。精炼时在高温柔烧碱作用下, 酯下载后可任意编辑键水解成羟基, 并转变成钠盐。同时也可能发生分子键的断裂, 提高在水中的溶解度而除去。(一)棉织物退浆: 1 处方: NaOH 10 g/l 润湿剂 JFC 1.5 g/l2 工艺流程及条件: 织物浸于80-85℃工作液→二浸二轧( 轧液率110-130%) →汽蒸( 100-102℃, 25 min) →热水洗( 80℃, 洗两次, 5 min) →冷水洗至碱性( 用PH试纸检验) →留做煮练效果测试 3 退浆效果的测试: 步骤: 将织物样品放入碘化钾/碘溶液大约 1 分钟, 冷水冲洗, 用铝质细杆马上与紫标对比。碘化钾/碘溶液的配制: 4.15gKL 用 20ml 蒸馏水溶解, 0.0635g 碘加入并溶解, 将溶液用蒸馏水稀释至 100ml。用 TEGEWA 紫标分...

1、当您付费下载文档后,您只拥有了使用权限,并不意味着购买了版权,文档只能用于自身使用,不得用于其他商业用途(如 [转卖]进行直接盈利或[编辑后售卖]进行间接盈利)。
2、本站所有内容均由合作方或网友上传,本站不对文档的完整性、权威性及其观点立场正确性做任何保证或承诺!文档内容仅供研究参考,付费前请自行鉴别。
3、如文档内容存在违规,或者侵犯商业秘密、侵犯著作权等,请点击“违规举报”。

碎片内容

棉织物前处理工艺实验及效果测试样本

文森传品+ 关注
实名认证
内容提供者

一家传播文化教育的小店,资料丰富,随意挑选。

确认删除?
VIP
微信客服
  • 扫码咨询
会员Q群
  • 会员专属群点击这里加入QQ群
客服邮箱
回到顶部