电脑桌面
添加小米粒文库到电脑桌面
安装后可以在桌面快捷访问

六角头螺栓重量表VIP免费

六角头螺栓重量表_第1页
1/7
六角头螺栓重量表_第2页
2/7
六角头螺栓重量表_第3页
3/7
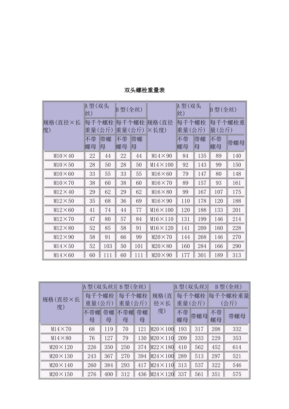
六角头螺栓重量表规格(直径×长度)每千个螺栓重量(公斤)规格(直径×长度)每千个螺栓重量(公斤)不带螺母带螺母不带螺母带螺母M10×302940M14×80117142M10×403546M14×90129154M10×504152M16×4092126M10×604758M16×50106140M12×304157M16×60122156M12×404965M16×70138172M12×505874M16×80154188M12×606783M16×90170204M12×707692M16×100185219M12×8085101M20×50183245M14×406994M20×60205267M14×5081106M20×70230292M14×6093118M20×80255317M14×70105130M20×90279341M20×100304366M22×160548624规格(直径×长度)每千个螺栓重量(公斤)规格(直径×长度)每千个螺栓重量(公斤)不带螺母带螺母不带螺母带螺母M20×110329391M24×80388500M20×120354416M24×90424536M20×130378440M24×100459571M22×60250326M24×110495607M22×70280356M24×120531643M22×80310386M24×130566678M22×90339415M24×140602714M22×100369445M24×150637749M22×110399475M24×160673785M22×120429505M27×80519687M22×130459535M27×90564732M22×140489565M27×100609777M22×150519595M27×110654822M27×120699867M30×17011541388M27×130744912M30×18012101444M27×140789957M30×19012661500M27×1508341002M30×20013221556M27×1608791047M30×21013781612规格(直径×长度)每千个螺栓重量(公斤)规格(直径×长度)每千个螺栓重量(公斤)不带螺母带螺母不带螺母带螺母M27×1709241092M30×22014341868M27×1809691137M36×11012461617M30×100765999M36×12013261697M30×1108201054M36×13014061777M30×1208751109M36×14014861857M30×1309311165M36×15015661937M30×1409861220M36×16016462017M30×15010421276M36×17017262097M30×16010981332M36×18018062177M36×19018862257M42×23030953694M36×20019662337M42×24032043803M36×21020462417M42×25033133912M36×22021262497M48×15030053962M36×23022062577M48×16031474104M36×24022862657M48×17032894246M42×15022232822M48×18034314388M42×16023322931M48×19035734530M42×17024413040M48×20037154672M42×18025503149M48×21038574814M42×19026593258M48×22039994956M42×20027683367M48×23041415098M42×21028773476M48×24042835240M42×22029863585M48×25044325389M48×26045745531M48×28048585815M48×30051426099双头螺栓重量表规格(直径×长度)A型(双头丝)B型(全丝)规格(直径×长度)A型(双头丝)B型(全丝)每千个螺栓重量(公斤)每千个螺栓重量(公斤)每千个螺栓重量(公斤)每千个螺栓重量(公斤)不带螺母带螺母不带螺母带螺母不带螺母带螺母不带螺母带螺母M10×4022442244M14×908413589140M10×5028502850M14×1009214399150M10×6033553355M16×607914780148M10×7038603860M16×708915793161M12×4029622962M16×8099167107175M12×5035683669M16×90110178120188M12×6041744477M16×100120188133201M12×7047805784M16×110131199146214M12×8052855891M16×120141209160228M12×9058916699M20×70144268146270M14×505210350101M20×80160284166290M14×606011160111M20×90177301189313规格(直径×长度)A型(双头丝)B型(全丝)规格(直径×长度)A型(双头丝)B型(全丝)每千个螺栓重量(公斤)每千个螺栓重量(公斤)每千个螺栓重量(公斤)每千个螺栓重量(公斤)不带螺母带螺母不带螺母带螺母不带螺母带螺母不带螺母带螺母M14×706811970121M20×100193317208332M14×807612779130M20×110209333229353M20×120226350250374M22×180410562452614M20×130243367270394M24×100289513297521M20×140260384293417M24×110313537322546M20×150276400312436M24×120337561351575M22×80200352205357M24×130360584380604M22×90221373230382M24×140383607409633M22×100242394256408M24×150407631449673M22×110263415281433M24×160430654468692M22×120284436307459M24×170454678497721M22×130304456333485M24×180477701526750M22×140325477358570M27×100372708386722M22×1503464...

1、当您付费下载文档后,您只拥有了使用权限,并不意味着购买了版权,文档只能用于自身使用,不得用于其他商业用途(如 [转卖]进行直接盈利或[编辑后售卖]进行间接盈利)。
2、本站所有内容均由合作方或网友上传,本站不对文档的完整性、权威性及其观点立场正确性做任何保证或承诺!文档内容仅供研究参考,付费前请自行鉴别。
3、如文档内容存在违规,或者侵犯商业秘密、侵犯著作权等,请点击“违规举报”。

碎片内容

六角头螺栓重量表

您可能关注的文档

确认删除?
VIP
微信客服
  • 扫码咨询
会员Q群
  • 会员专属群点击这里加入QQ群
客服邮箱
回到顶部