电脑桌面
添加小米粒文库到电脑桌面
安装后可以在桌面快捷访问

2024-7-14杭州-48框架技术协议

2024-7-14杭州-48框架技术协议_第1页
1/9
2024-7-14杭州-48框架技术协议_第2页
2/9
2024-7-14杭州-48框架技术协议_第3页
3/9
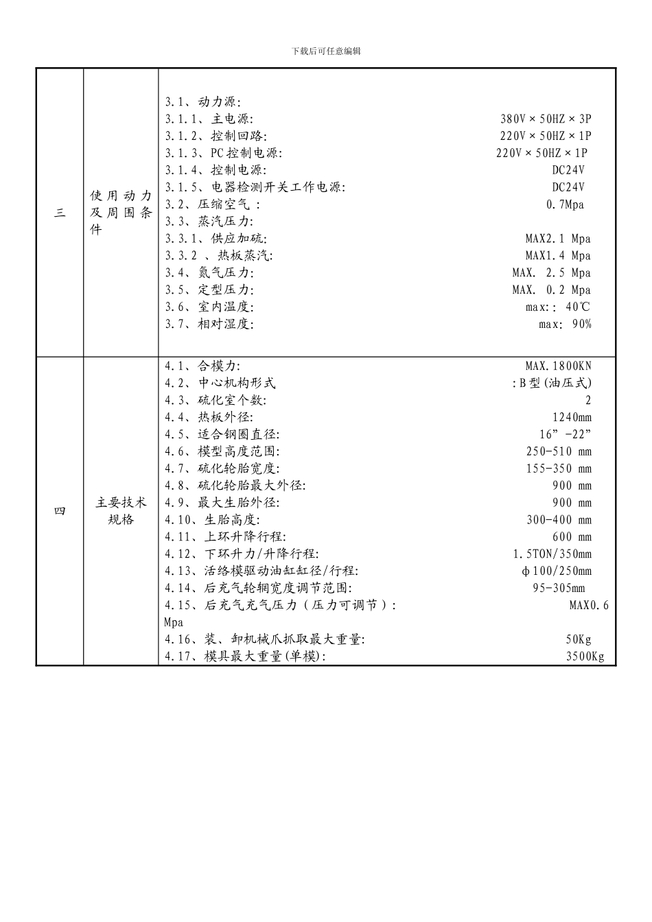
下载后可任意编辑LLY-B1240×1800×2 液压轮胎硫化机技术协议 项次内 容说 明一机型结构与用途:本机采纳热板加热、BOM 型中心机构的液压轮胎硫化机,其结构为双模框架上加压式。开合模采纳线性导轨导向,单模双油缸驱动垂直升降,左右各一个上置式加压油缸加压与保压,装胎和卸胎机械手升降为线性导轨导向油压驱动。 采纳单工位存胎器;全油压式中心机构;新型天平两工位四点式后充气装置。全机由机架、装胎机械手、上加压式加压机构、热板式硫化室及模型开合机构、油压式中心机构、卸胎机械手、油压式活络模驱动装置、单工位存胎器、后充气装置、连接棍道、电控装置、液压站及油压管道系统、硫化管道系统等组成。可满足安装两半模或活络模氮气硫化工艺,能完成单机装胎、定型、硫化、卸胎、充气冷却定型等功能。 主要用于硫化半钢子午线轿车轮胎及轻卡子午线轮胎。二供货范围:2.1.1、提供整机 台:2.1.2、每台包括:2.1.2.1 主机:机座与模型开合机构(线性导轨导向)、加压机构、中心机构(油压 B 型)等。 一台套2.1.2.2、卸胎机械手(线性导轨导向、油缸驱动升降,气缸旋转和张闭式) 一台套2.1.2.3、装胎机械手(线性导轨导向、油缸驱动升降 ,气缸旋转和张闭式)。 一台套2.1.2.4、活络模操纵装置(单缸油压式) 一台套2.1.2.5、连接棍道 (建议采纳,否则一拖一液压站无位置安放) 一台套2.1.2.6、新型天平两工位四点式后充气装置 一台套2.1.2.7、单工位存胎器(根据需方要求结构制作) 一台套2.1.2.8、控制系统 一台套2.1.2.9、管道系统:包括热工管路(根据需方原理图制作)、气力控制管路、液压管路等。 一台套2.1.3、托胎臂 (是否需要) 一台套2.1.4、液压站。2.1.4.1 、液压站采纳一拖一形式即一个液压站拖动一台硫化机的液压动作。下载后可任意编辑三使 用 动 力及 周 围 条件3.1、动力源:3.1.1、主电源: 380V×50HZ×3P3.1.2、控制回路: 220V×50HZ×1P3.1.3、PC 控制电源: 220V×50HZ×1P3.1.4、控制电源: DC24V3.1.5、电器检测开关工作电源: DC24V3.2、压缩空气 : 0.7Mpa3.3、蒸汽压力:3.3.1、供应加硫: MAX2.1 Mpa3.3.2 、热板蒸汽: MAX1.4 Mpa3.4、氮气压力: MAX. 2.5 Mpa3.5、定型压力: MAX. 0.2 Mpa3.6、室内温度: max::40℃3.7、相对湿度: max:90%四主要技术 规格4.1、合模力: MAX.1800KN4.2、中心机构形式 :B 型(油压式)4.3、硫化室个数: 24.4、热板外径: 1240mm4.5、适...

1、当您付费下载文档后,您只拥有了使用权限,并不意味着购买了版权,文档只能用于自身使用,不得用于其他商业用途(如 [转卖]进行直接盈利或[编辑后售卖]进行间接盈利)。
2、本站所有内容均由合作方或网友上传,本站不对文档的完整性、权威性及其观点立场正确性做任何保证或承诺!文档内容仅供研究参考,付费前请自行鉴别。
3、如文档内容存在违规,或者侵犯商业秘密、侵犯著作权等,请点击“违规举报”。

碎片内容

2024-7-14杭州-48框架技术协议

雏圣文化+ 关注
实名认证
内容提供者

欢迎光临,大量办公文档供您挑选。

确认删除?
VIP
微信客服
  • 扫码咨询
会员Q群
  • 会员专属群点击这里加入QQ群
客服邮箱
回到顶部