电脑桌面
添加小米粒文库到电脑桌面
安装后可以在桌面快捷访问

移相全桥大功率软开关电源的设计资料

移相全桥大功率软开关电源的设计资料_第1页
1/10
移相全桥大功率软开关电源的设计资料_第2页
2/10
移相全桥大功率软开关电源的设计资料_第3页
3/10
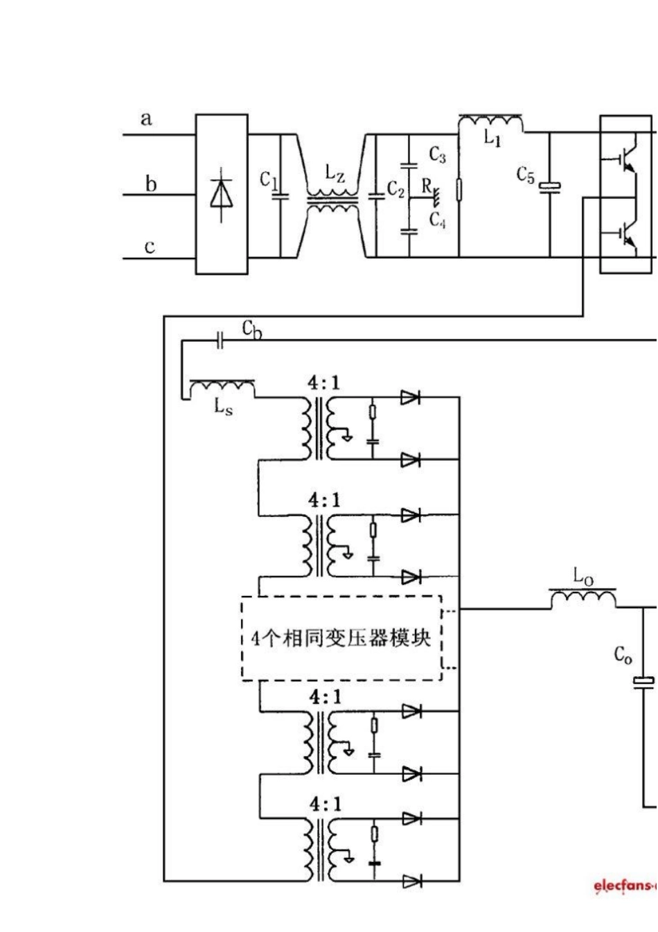
移相全桥大功率软开关电源的设计1 引言在电镀行业里, 一般要求工作电源的输出电压较低,而电流很大。 电源的功率要求也比较高, 一般都是几千瓦到几十千瓦。目前, 如此大功率的电镀电源一般都采用晶闸管相控整流方式。其缺点是体积大、效率低、噪音高、功率因数低、输出纹波大、动态响应慢、稳定性差等。本文介绍的电镀用开关电源,输出电压从0~12V、电流从 0~5000A 连续可调, 满载输出功率为 60kW.由于采用了ZVT软开关等技术,同时采用了较好的散热结构,该电源的各项指标都满足了用户的要求,现已小批量投入生产。2 主电路的拓扑结构鉴于如此大功率的输出,高频逆变部分采用以IGBT 为功率开关器件的全桥拓扑结构,整个主电路如图1 所示,包括:工频三相交流电输入、二极管整流桥、EMI 滤波器、滤波电感电容、高频全桥逆变器、高频变压器、输出整流环节、输出LC 滤波器等。隔直电容 Cb 是用来平衡变压器伏秒值,防止偏磁的。 考虑到效率的问题,谐振电感 LS 只利用了变压器本身的漏感。因为如果该电感太大,将会导致过高的关断电压尖峰,这对开关管极为不利, 同时也会增大关断损耗。另一方面,还会造成严重的占空比丢失,引起开关器件的电流峰值增高,使得系统的性能降低。图 1 主电路原理图3 零电压软开关高频全桥逆变器的控制方式为移相FB2ZVS 控制方式,控制芯片采用Unitrode 公司生产的 UC3875N。超前桥臂在全负载范围内实现了零电压软开关,滞后桥臂在75 %以上负载范围内实现了零电压软开关。图 2 为滞后桥臂IGBT 的驱动电压和集射极电压波形,可以看出实现了零电压开通。开关频率选择20kHz , 这样设计一方面可以减小IGBT的关断损耗,另一方面又可以兼顾高频化,使功率变压器及输出滤波环节的体积减小。图 2 IGBT 驱动电压和集射极电压波形图4 容性功率母排在最初的实验样机中,滤波电容C5 与 IGBT 模块之间的连接母排为普通的功率母排。在实验中发现IGBT 上的电压及流过IGBT 的电流均发生了高频震荡,图3 为满功率时采集的变压器初级的电压、电流波形图。原因是并联在IGBT 模块上的突波吸收电容与功率母排的寄生电感发生了高频谐振。满载运行一小时后,功率母排的温升为38 ℃,电容C5 的温升为 24 ℃。图 3 使用普通功率母排时变压器初级电压、电流波形为了消除谐振及减小功率母排、滤波电容的温升,我们最终采用了容性功率母排,图4 为采用容性功率母排后满功率时采集的变压器初级...

1、当您付费下载文档后,您只拥有了使用权限,并不意味着购买了版权,文档只能用于自身使用,不得用于其他商业用途(如 [转卖]进行直接盈利或[编辑后售卖]进行间接盈利)。
2、本站所有内容均由合作方或网友上传,本站不对文档的完整性、权威性及其观点立场正确性做任何保证或承诺!文档内容仅供研究参考,付费前请自行鉴别。
3、如文档内容存在违规,或者侵犯商业秘密、侵犯著作权等,请点击“违规举报”。

碎片内容

移相全桥大功率软开关电源的设计资料

确认删除?
VIP
微信客服
  • 扫码咨询
会员Q群
  • 会员专属群点击这里加入QQ群
客服邮箱
回到顶部