电脑桌面
添加小米粒文库到电脑桌面
安装后可以在桌面快捷访问

稳定计算及洪水验算

稳定计算及洪水验算_第1页
1/6
稳定计算及洪水验算_第2页
2/6
稳定计算及洪水验算_第3页
3/6
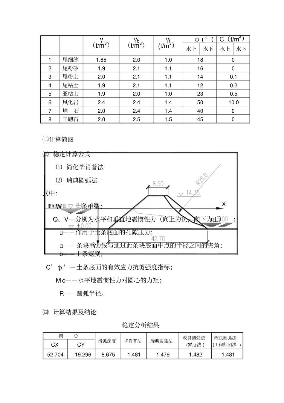
渗流稳定计算考虑土的结构和摩檫力时,临界渗流坡降的计算公式为:Is=γg/ γ0-(1-n)+0.5n 式中: γg=△(1-n) I =h/L γg — 干容重γo — 水容中n — 孔隙率△ — 比重H — 水位差 ( m ) L — 渗迳长度 ( m ) 渗流坡降比较表名称尾矿坝下游坡备注最大渗流坡降0.205 临界渗流坡降0.925 安 全 系 数4.51 规定安全系数2 计算渗透稳定安全系数远大于规定的安全系数,因此尾矿坝不会产生渗流破坏,满足渗流稳定的要求。尾矿坝稳定分析尾矿坝的稳定计算及分析是十分重要的,但缺少详细资料, 无法进行准确计算, 设计根据经验参照相近矿山资料计算,拟静力法稳定计算,即将水平地震惯性力计入稳定计算公式中再用静力法作计算。在此,参考采用相近矿山的尾矿强度指标计算。①计算方法在进行尾矿坝体稳定性分析验算中,采用电算法, 按相类似矿山尾砂及土料的物理性质及参照《选矿厂尾矿设施设计规范》取值。计算中尾矿坝体分成3 个区域,竖向分成20 条,采用瑞典圆弧法计算机计算。②计算断面:取最大断面,最高洪水位,进行计算。③基本计算参数坝高:14.35m ④计算条件:坝顶标高14.35 m ,库内最高水位 8.86 m。由于该地区基本地震烈度为6 度,因此本次设计仅作坝体的静力稳定分析。坝坡抗滑稳定最小安全系数坝的级别运用情况1 2 3 4、5 正常运行1.30 1.25 1.20 1.15 洪水运行1.20 1.15 1.10 1.05 特殊运行1.10 1.05 1.05 1.00 坝体尾矿的平均物理力学指标(规范)项目尾中砂尾细砂尾粉砂尾粉土尾粉质粘土尾粘土平均粒径 dp(mm)0.35 0.2 0.075 0.05 0.035 <0.02 有效粒径 d10 (mm) 0.10 0.07 0.02 0.01 0.003 0.002 不均匀系数d60/d103 3 4 6 10 5 天然容重 γ (g/cm3) 1.8 1.85 1.9 2.0 1.95 1.8 孔隙比 e (%) 0.8 0.9 0.9 0.95 1.0 1.4 内摩檫角 φ (o) 34 33 30 28 16 8 凝聚力 C (kPa) 7.84 7.84 9.8 9.8 10.78 13.72 压缩系数 α1-2(1/kPa) 1.7 ×10-41.7 ×10-41.6 ×10-42.1 ×10-44.1 ×10-49.2 ×10-4渗透系数 k (cm/s) 1.5 ×10-31.3 ×10-33.75 ×10-41.25 ×10-43.0 ×10-62.0 ×10-7㈠ 土层的物理力学性质土料物理力学性质指标编号名称天然容重饱和容重浮容重内摩擦角凝聚力γ(t/m3)γb(t/m3)γf (t/m3)φ ( ° )C(t/m2)水上水下水上水下1 尾细纱1.85 2.0 1.0 18 0 2...

1、当您付费下载文档后,您只拥有了使用权限,并不意味着购买了版权,文档只能用于自身使用,不得用于其他商业用途(如 [转卖]进行直接盈利或[编辑后售卖]进行间接盈利)。
2、本站所有内容均由合作方或网友上传,本站不对文档的完整性、权威性及其观点立场正确性做任何保证或承诺!文档内容仅供研究参考,付费前请自行鉴别。
3、如文档内容存在违规,或者侵犯商业秘密、侵犯著作权等,请点击“违规举报”。

碎片内容

稳定计算及洪水验算

您可能关注的文档

爱的疯狂+ 关注
实名认证
内容提供者

该用户很懒,什么也没介绍

确认删除?
VIP
微信客服
  • 扫码咨询
会员Q群
  • 会员专属群点击这里加入QQ群
客服邮箱
回到顶部