电脑桌面
添加小米粒文库到电脑桌面
安装后可以在桌面快捷访问

竖丝岩棉带施工工艺

竖丝岩棉带施工工艺_第1页
1/12
竖丝岩棉带施工工艺_第2页
2/12
竖丝岩棉带施工工艺_第3页
3/12
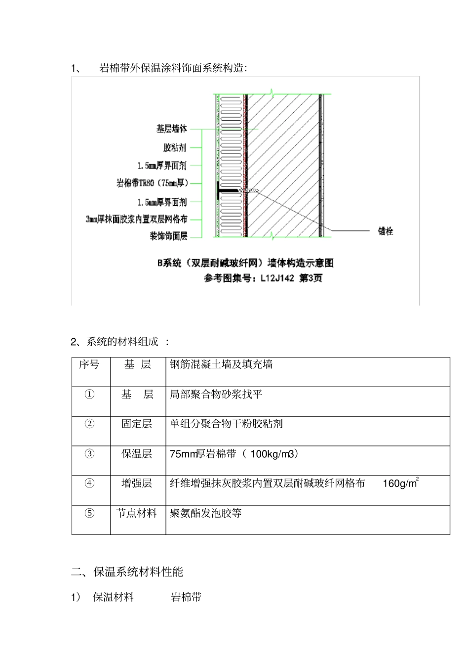
竖丝岩棉带外墙外保温系统施工工艺青岛凯诺建筑工程有限公司日期 2016.6.12 一、 系统及材料组成1、岩棉带外保温涂料饰面系统构造:2、系统的材料组成 :序号基 层钢筋混凝土墙及填充墙①基层局部聚合物砂浆找平②固定层单组分聚合物干粉胶粘剂③保温层75mm厚岩棉带( 100kg/m3)④增强层纤维增强抹灰胶浆内置双层耐碱玻纤网格布160g/m2 ⑤节点材料聚氨酯发泡胶等二、保温系统材料性能1) 保温材料岩棉带1.具有优异的热阻值及导热系数2.具有较好的透气性能3.较低的吸水率,憎水性能好4.良好的柔韧性及优异的尺寸稳定性5.垂直于板面抗拉强度≥ 80Kpa 6.酸度系数≥ 1.6 2) 聚合物干粉胶粘剂和纤维增强抹面胶浆施工性能优异:保水性佳,操作流利,开放时间长,加水搅拌即可使用;附着、粘结效果好,抗垂挂性强;良好的抗渗性能:吸水率小;柔性:横向变形大;对基材粘结力优异:防止涂层产生空鼓和起壳;抗冻融和耐高温性能优异;3) 聚合物干粉胶粘剂技术性能(见下表)测试性能项目指标拉伸粘结强度(Mpa)与标准混凝土板28d 原强度≥0.60 耐水强度( 28d 标养)≥0.40 拉伸粘结强度(Mpa)与岩棉带28d 原强度≥0.10 耐水强度( 28d 标养)≥0.10 操作时间为 2h 的拉伸强度( Mpa)与岩棉带28d ≥0.10 4) 纤维增强抹灰胶浆技术性能(见下表)测试性能项目指标拉伸粘结强度( Mpa)与岩棉带28d 原强度≥0.1 耐水( 28d 标养)≥0.1 操作时间为 2h 的拉伸强度(Mpa)与岩棉带28d ≥0.1 柔韧性压折比≤3.0 吸水量, g/m2, 浸水 24h ≤500 抗冲击性, J ≥3.0 水蒸气湿流密度, g/ (m2.h )≥1.0 5) 耐碱玻璃纤维网格布耐碱玻纤网布是保护层的增强材料,用于提高保护层抗裂和抗冲击能力,并可缓冲由于墙体位移、开裂等原因引起的岩棉带的轻微位移。外保温系统网格布由耐碱玻纤网格布涂覆抗碱高分子聚合物制成,具有较高的拉伸断裂强力和耐碱能力。耐碱玻纤网布技术性能(见下表)检测项目单位指标网眼尺寸mm 4*4 单位面积质量g/m2≥160 耐碱断裂强力(经、纬向)N/50mm ≥900 耐碱断裂强力保留率(经、纬向)% ≥75 断裂应变(经、纬向)% ≤4 6) 外保温系统的耐候性检测报告、抗风压检测报告以上各项组成材料配套构成的保温系统,由于对材料极其构造方法的高要求,使系统具有优良的保温隔热、防水和装饰功能,以及充分的安全性、耐久性、抗冲击性和耐候性。目前该系统经山东省建...

1、当您付费下载文档后,您只拥有了使用权限,并不意味着购买了版权,文档只能用于自身使用,不得用于其他商业用途(如 [转卖]进行直接盈利或[编辑后售卖]进行间接盈利)。
2、本站所有内容均由合作方或网友上传,本站不对文档的完整性、权威性及其观点立场正确性做任何保证或承诺!文档内容仅供研究参考,付费前请自行鉴别。
3、如文档内容存在违规,或者侵犯商业秘密、侵犯著作权等,请点击“违规举报”。

碎片内容

竖丝岩棉带施工工艺

您可能关注的文档

确认删除?
VIP
微信客服
  • 扫码咨询
会员Q群
  • 会员专属群点击这里加入QQ群
客服邮箱
回到顶部