电脑桌面
添加小米粒文库到电脑桌面
安装后可以在桌面快捷访问

紫洞大桥施工组织设计

紫洞大桥施工组织设计_第1页
1/6
紫洞大桥施工组织设计_第2页
2/6
紫洞大桥施工组织设计_第3页
3/6
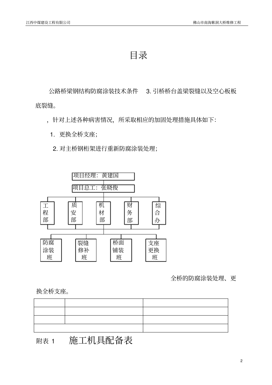
佛山市交通工程质量监督站监制监表 A3施工组织设计报审表项目名称:佛山市南海紫洞大桥维修工程承包单位:江西中煤建设工程有限公司合同段:监理单位:广东德正工程管理有限公司编 号:致(项目监理机构)广东德正工程管理有限公司:现上报佛山市南海紫洞大桥维修工程的实施性施工组织设计及附件,请予审查和批准。附件:实施性施工组织设计承包人(签章)年月日中标单位总工审批意见:总工签名(中标单位公章) :年月日监理工程师意见:签字(签章):年月日总监办审批意见:总监理工程师 / 代表签名(签章):年月日 1 、本表一式四份:经监理工程师审定后,监理机构留二份、报业主一份,退承包人一份。2、于项目实施性方案时就由总监审批江西中煤建设工程有限公司佛山市南海紫洞大桥维修工程1 佛山市南海紫洞大桥维修工程实施性施工组织设计江西中煤建设工程有限公司二 0 一一年一月江西中煤建设工程有限公司佛山市南海紫洞大桥维修工程2 目录公路桥梁钢结构防腐涂装技术条件3. 引桥桥台盖梁裂缝以及空心板板底裂缝。,针对上述各种病害情况,所采取相应的加固处理措施具体如下: 1. 更换全桥支座;2. 对主桥钢桁架进行重新防腐涂装处理;项目经理:黄建国项目总工:张晓俊综合办工程部支座更换班桥面铺装班机材部财务部质安部裂缝修补班防腐涂装班全桥的防腐涂装处理、更换全桥支座。附表 1 施工机具配备表江西中煤建设工程有限公司佛山市南海紫洞大桥维修工程3 序号设备名称型号规格单位数量备注1 发电机组GF150、天津150KW 台1 2 空压机天津、SA-475A 9m3台2 3 砼切缝机REINJECTOR 7.5KW 台2 4 抽水泵北京1KW 台2 5 砼裂缝灌缝机REINJECTOR 0.8MPa 台2 6 冲击钻机GBH5-38D、德国0.5KW台10 7 同步千斤顶YBD250-30 300KN 台64 8 油泵ZB4/800B 1.5KW 台4 9 钢筋切断机GQ40 3kw 台1 10 钢筋弯曲机GW30 2kw 台1 11 电焊机艮象直流台3 12 氧炔焰切割设备氧气、乙炔套2 13 插入式振动器2.2KW 台2 14 平板式振动器1KW 台1 15 16 17 附表 2 施工人员配备表江西中煤建设工程有限公司佛山市南海紫洞大桥维修工程4 序号姓名职务备注1 黄建国项目经理高级工程师2 张晓俊项目总工高级工程师3 张纯安桥梁工程师高级工程师4 张红芹安全生产负责人工程师5 尚杰项目副经理工程师6 奉翔工程部负责人高级工程师7 潘岐志质检负责人工程师8 吴兆文机材部负责人9 刘永波综合办主任1...

1、当您付费下载文档后,您只拥有了使用权限,并不意味着购买了版权,文档只能用于自身使用,不得用于其他商业用途(如 [转卖]进行直接盈利或[编辑后售卖]进行间接盈利)。
2、本站所有内容均由合作方或网友上传,本站不对文档的完整性、权威性及其观点立场正确性做任何保证或承诺!文档内容仅供研究参考,付费前请自行鉴别。
3、如文档内容存在违规,或者侵犯商业秘密、侵犯著作权等,请点击“违规举报”。

碎片内容

紫洞大桥施工组织设计

确认删除?
VIP
微信客服
  • 扫码咨询
会员Q群
  • 会员专属群点击这里加入QQ群
客服邮箱
回到顶部