电脑桌面
添加小米粒文库到电脑桌面
安装后可以在桌面快捷访问

农涵施工--细致VIP免费

农涵施工--细致_第1页
1/13
农涵施工--细致_第2页
2/13
农涵施工--细致_第3页
3/13
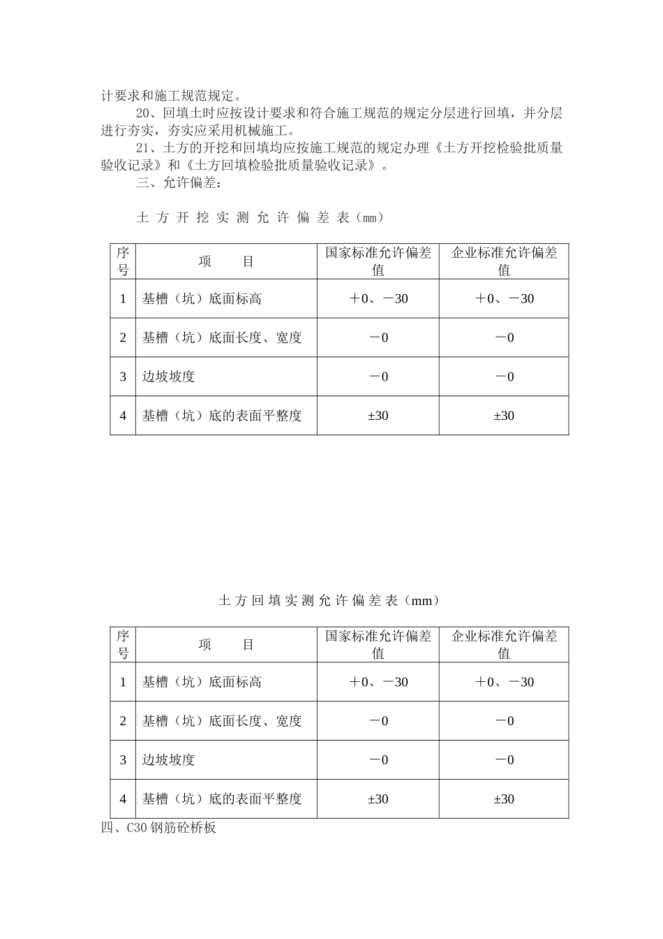
三)建筑物工程农涵一、工艺流程:机械开挖→人工修整→(地基基槽验收合格→基础施工→基础验收合格)→机械分层回填→机械分层夯实→人工表面整平。二、操作要求:1、施工中发现有文物或古墓等,应妥善保护并立即报请当地有关部门处理后,方可继续施工。2、在有地下管道、管线地段施工时,应事先取得该部门的书面同意,并在施工中采取措施以防损坏管道管线。3、土方开挖应编制施工方案并经技术负责人审批同意,土方在定位放线完成并经复核无误后,方可进行施工。4、土方施工中,应经常测量和复核其平面位置、水平标高和边坡坡度等是否符合设计要求。5、采用机械施工时,必要的边坡修整和边角修整,应用人工或小型机具配合进行。6、施工前,应做好施工区域内临时排水系统的规划,并注意与原排水系统相适应。7、开挖低于地下水位的基坑,应根据地质资料、挖方尺寸和防止地基土结构遭破坏等应用集水坑或井点降水。8、井点降水工作结束后所留的井孔,必须用砂砾或填土填实。当设计对地基有特殊要求时应按设计要求回填。9、土方开挖宜从上到下、分层分段、依次进行;随时作成一定的坡势,以利泄水。10、在基坑边缘堆放弃土时应保证挖方边坡的稳定。堆土至挖方边缘距离应根据挖方深度坡度和土的性质确定。11、在边坡上发现土内有倾向于挖方的软弱夹层或裂隙面时,应通知设计单位采取加固措施。12、当由于场地限制无法放坡开挖及紧邻建筑物时,应采取基坑支的措施;基坑的支护应进行设计后方可施工。13、雨期施工或挖好后不能及时进行封底时,可在基底预留150-300mm不挖,待下一工序开始前再挖除。14、基坑(槽)底部的开挖宽度,除基础底部宽度外,应根据施工需要增加工作面、排水设施和支撑结构宽度。15、开挖基坑(槽)不得超基底标高,如个别地方超挖时应用与基土相同的土料填补,并夯实至要求的密实度。16、夜间施工时应合理安排施工项目,防止超挖;并应有足够的光源保证安全施工。17、临时截水沟至挖方边坡上缘的距离一般不少于3m,在平坦地坪开挖可采用挖临时排水沟或筑土堤等措施。18、基坑挖至设计基底标高后,项目经理(施工员)应会同勘察、设计单位和监理(建设)单位检查基底土质是否符合要求,符合要求后方可进入下道工序的施工,并及时填写地基验槽记录和汇签盖章。19、回填土料不得含有树根、木板、草皮和纸屑等有机杂物,土质应符合设计要求和施工规范规定。20、回填土时应按设计要求和符合施工规范的规定分层进行回填,并分层进行夯实,夯实应采用机械施工。21、土方的开挖和回填均应按施工规范的规定办理《土方开挖检验批质量验收记录》和《土方回填检验批质量验收记录》。三、允许偏差:土方开挖实测允许偏差表(mm)序号项目国家标准允许偏差值企业标准允许偏差值1基槽(坑)底面标高+0、-30+0、-302基槽(坑)底面长度、宽度-0-03边坡坡度-0-04基槽(坑)底的表面平整度±30±30土方回填实测允许偏差表(mm)序号项目国家标准允许偏差值企业标准允许偏差值1基槽(坑)底面标高+0、-30+0、-302基槽(坑)底面长度、宽度-0-03边坡坡度-0-04基槽(坑)底的表面平整度±30±30四、C30钢筋砼桥板1、土产材料进厂:土产材料进厂必须验收合格后,方可入库。土产材料必须根据生产需要的规格,进行质量验收,对不合格的土产材料绝对不能验收、入库与使用。如因土产材料不合格而强行使用造成产品质量下降或不合格,由肇事者负责,承担一切责任。对土产材料的试验,由供应部门负责组织送检,每季不少于一次。2、钢材进厂:必须知道钢材的来源,本厂所使用的钢材,必须严格进行试验评定,对不合格的钢材坚决不能使用。钢筋原材料的试验,由供应部门负责组织送检,对钢材的试验要及时,根据试验报告,及早进行分离堆放,不合格品及时退货。钢材的使用,一定要有保管或值班人员知道或指定,根据试验盘号作好记录后出库,不通知保管或值班人员,不准出库使用。钢筋制作绑扎一定要按图施工,决不允许以小代大,以低代高。3、水泥:对进厂水泥,必须有合格证,以保证本厂的产品正常产出,预防使用不合格水泥造成批量的不合格品产出。散装水泥卸车时要密封好,严禁泄...

1、当您付费下载文档后,您只拥有了使用权限,并不意味着购买了版权,文档只能用于自身使用,不得用于其他商业用途(如 [转卖]进行直接盈利或[编辑后售卖]进行间接盈利)。
2、本站所有内容均由合作方或网友上传,本站不对文档的完整性、权威性及其观点立场正确性做任何保证或承诺!文档内容仅供研究参考,付费前请自行鉴别。
3、如文档内容存在违规,或者侵犯商业秘密、侵犯著作权等,请点击“违规举报”。

碎片内容

农涵施工--细致

您可能关注的文档

确认删除?
VIP
微信客服
  • 扫码咨询
会员Q群
  • 会员专属群点击这里加入QQ群
客服邮箱
回到顶部