电脑桌面
添加小米粒文库到电脑桌面
安装后可以在桌面快捷访问

2024年建工一建市政必练案例合集VIP免费

2024年建工一建市政必练案例合集_第1页
1/57
2024年建工一建市政必练案例合集_第2页
2/57
2024年建工一建市政必练案例合集_第3页
3/57
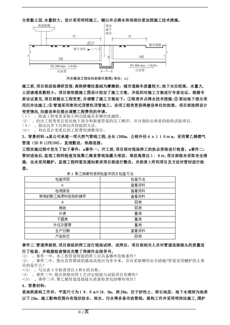
案例题专项训练一、案例分析题1、背景资料:ﻫ某公司承建一座城市桥梁,该桥上部结构为6×20m简支预制预应力混凝土空心板梁,每跨设置边梁2片,中梁24片;下部结构为盖梁及Φ1000mm圆柱式墩,重力式U型桥台,基础均采用Φ1200mm钢筋混凝土钻孔灌注桩。桥墩构造如图1所示。ﻫ开工前,项目部对该桥划分了相应的分部、分项工程和检验批,作为施工质量检查、验收的基础。划分后的分部(子分部)、分项工程及检验批对照表如表1。ﻫ工程完工后,项目部立即向当地工程质量监督机构申请工程竣工验收,该申请未被受理。此后,项目部按照工程竣工验收规定对工程进行全面检查和整修,确认工程符合竣工验收条件后,重新申请工程竣工验收。<1>、写出图1中构件A和桥面铺装结构层B的名称,并说明构件A在桥梁结构中的作用。<2>、列式计算图1中构件A在桥梁中的总数量。<3>、写出表1中C、D和E的内容。<4>、施工单位应向哪个单位申请工程竣工验收?<5>、工程完工后,施工单位在申请工程竣工验收前应做好哪些工作?2、背景资料:ﻫ某公司中标承建污水截流工程,内容有:新建提升泵站一座,位于城市绿地内,地下部分为内径5m的圆形混凝土结构,底板高程-9.0m;新敷设D1200mm和D1400mm柔性接口钢筋混凝土管道546m,管顶覆土深度4.8m~5.5m,检查井间距50m~80m;A段管道从高速铁路桥跨中穿过,B段管道垂直穿越城市道路,工程纵向剖面如下图所示。场地地下水为层间水,赋存于粉质黏土、重第1页分质黏土层,水量较大。设计采用明挖施工,辅以井点降水和局部注浆加固施工技术措施。施工前,项目部进场调研发现:高铁桥墩柱基础为摩擦桩;城市道路车流量较大;地下水位较高,水量大,土层渗透系数较小。项目部依据施工图设计拟定了施工方案,并组织对施工方案进行专家论证。根据专家论证意见,项目部提出工程变更,并调整了施工方案如下:①取消井点降水技术措施;②泵站地下部分采用沉井法施工;③管道采用密闭式顶管机顶管施工。该项工程变更获得建设单位的批准。项目部按照设计变更情况,向建设单位提出调整工程费用的申请。<1>、简述工程变更采取①和③措施具有哪些优越性。<2>、给出工程变更后泵站地下部分和新建管道的完工顺序,并分别给出两者的验收试验项目。<3>、指出沉井下沉和沉井封底的方法。<4>、列出设计变更后的工程费用调整项目。3、背景材料:ﻫ某公司承建一项天然气管线工程,全长1380m,公称外径dn110mm,采用聚乙烯燃气管道(SDR11PE100),直埋敷设,热熔连接。工程实施过程中发生了如下事件:ﻫ事件一:开工前,项目部对现场焊工的执业资格进行检查。ﻫ事件二:管材进场后,监理工程师检查发现聚乙烯直管现场露天堆放,堆放高度达1.8m,项目部既未采取安全措施,也未采用棚护。监理工程师签发通知要求项目部进行整改,并按表3所列项目及方法对管材进行检查。事件三:管道焊接前,项目部组织焊工进行现场试焊,试焊后,项目部相关人员对管道连接接头的质量进行了检查,并根据检查情况完整了焊接作业指导书。<1>、事件一中,本工程管道焊接的焊工应具备哪些资格条件?<2>、事件二中,指出直管堆放的最高高度应为多少米,并应采取哪些安全措施?管道采用棚护的主要目的是什么?<3>、写出表3中检查项目A和B的名称。<4>、事件三中,指出热熔对焊工艺评定检验与试验项目有哪些?<5>、事件三中,聚乙烯管道连接接头质量检查包括哪些项目?4、背景材料:某地铁盾构工作井,平面尺寸为18.6m×18.8m,深28m,位于砂性土、卵石地层,地下水埋深为地表以下23m。施工影响范围内有现状给水、雨水、污水等多条市政管线。盾构工作井采用明挖法施工,围护第2页结构为钻孔灌注桩加钢支撑,盾构工作井周边设降水管井。设计要求基坑土方开挖分层厚度不大于1.5m,基坑周边2m~3m范围内堆载不大于30MPa,地下水位需在开挖前1个月降至基坑底以下1m。ﻫ项目部编制的施工组织设计有如下事项:(1)施工现场平面布置如图4所示,布置内容有施工围挡范围50m×22m,东侧围挡距居民楼15m,西侧围挡与现状道路步道路缘平齐;搅拌设施及堆土场设置于基坑外缘1m处;布置了临时用电、临时用水等设施;场地进行硬化等...

1、当您付费下载文档后,您只拥有了使用权限,并不意味着购买了版权,文档只能用于自身使用,不得用于其他商业用途(如 [转卖]进行直接盈利或[编辑后售卖]进行间接盈利)。
2、本站所有内容均由合作方或网友上传,本站不对文档的完整性、权威性及其观点立场正确性做任何保证或承诺!文档内容仅供研究参考,付费前请自行鉴别。
3、如文档内容存在违规,或者侵犯商业秘密、侵犯著作权等,请点击“违规举报”。

碎片内容

2024年建工一建市政必练案例合集

山水人家+ 关注
实名认证
内容提供者

读万卷书,行万里路。

确认删除?
VIP
微信客服
  • 扫码咨询
会员Q群
  • 会员专属群点击这里加入QQ群
客服邮箱
回到顶部