电脑桌面
添加小米粒文库到电脑桌面
安装后可以在桌面快捷访问

替换BP2833方案的24WLED驱动应用9833D参考

替换BP2833方案的24WLED驱动应用9833D参考_第1页
1/6
替换BP2833方案的24WLED驱动应用9833D参考_第2页
2/6
替换BP2833方案的24WLED驱动应用9833D参考_第3页
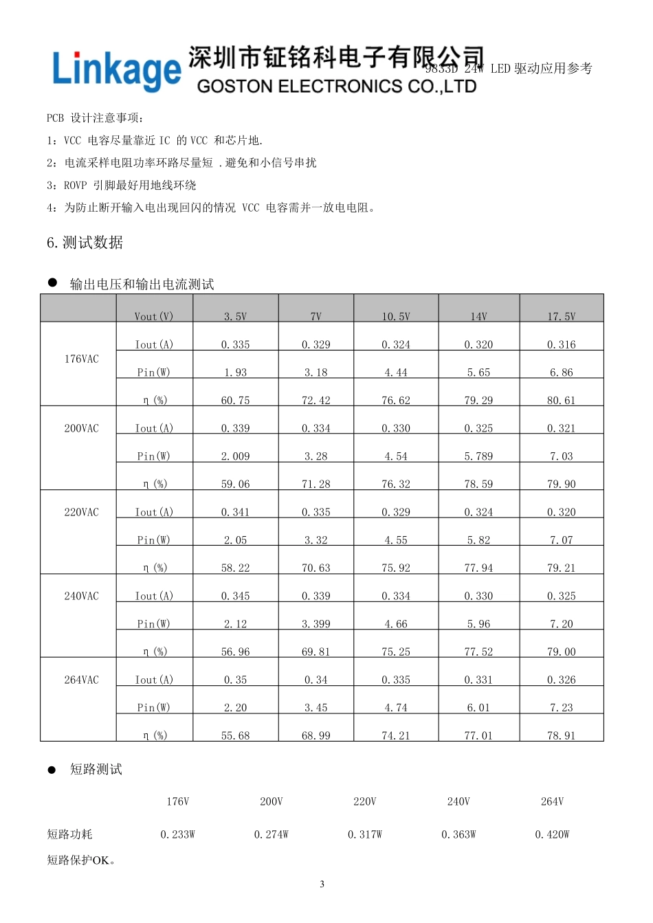
3/6
9833D 24W LED 驱动应用参考1基于9833D 的24 串280mA LED 灯驱动电源方案1.原理图2.BOMNO.元件类型型号描述用量(pcs)位号1贴片电阻1/4W-330K-5%启动电阻2R5;R62贴片电阻1/4W-1.5R-1%输出电流调节1R13贴片电阻1/4W-1.3R-1%输出电流调节1R24贴片电阻1/4W-100K-5%空载电压调节1R35贴片电阻1/4W-82K-5%VCC 放电电阻1R46贴片电阻1/4W-82K-5%假负载1R78电解电容10uF/400V Φ10*20输入电容1C19电解电容4.7uF/400V Φ8*12输出电容1C310电解电容4.7uF/50V Φ3*8供电电容1C211插件二极管DIODE-1N4007 1A-1000V整流桥4D1、2、3、412插件二极管SF28续流二极管1D516绕线电感EE13/1.7mH-190Ts-0.20mm电感1T117保险管FUSE-1A-250V/RESISTOR 1R 保险电阻1F118芯片9833D(DIP8 封装)1U13. PCB 文件9833D 24W LED 驱动应用参考24.电感:A: 骨架图EE13 4+4 立式B: 绕线结构脚位线径匝数电感量磁芯骨架主绕组1---50.251901.7mHEE13立式胶木5.测试数据:176VacIo(mA)286.0286.7286.8287.0287.3287.7Vo(v)11010090807060Pin(w)33.6130.6327.6824.7221.7718.83η93.63%93.57%93.24%92.88%92.37%91.66%200VacIo(mA)284.9285.8286.1286.5287287.5Vo(v)11010090807060Pin(w)33.4730.5527.6324.7121.7818.84η93.64%93.55%93.16%92.76%92.24%91.56%220VIo(mA)284.2285.1285.5286286.5287Vo(v)11010090807060Pin(w )33.4130.5227.6224.7021.7818.86η93.56%93.41%930.1%92.63%92.06%91.19%240VIo(mA)283.6284.6285.1285.6286.1286.7Vo(v)11010090807060Pin(w )33.3830.5127.6224.7321.8018.89η93.44%93 28%92.87%92.40%91.88%91.05%264VacIo(mA)282.8283.9284.4284.8285.4286Vo(v)11010090807060Pin(w)33.4130.5427.6624.7521.8618.96η93.12%92.96%92.52%92.04%91.40%90.51%9833D9833D 24W LED 驱动应用参考3PCB 设计注意事项:1:VCC 电容尽量靠近IC 的VCC 和芯片地.2:电流采样电阻功率环路尽量短.避免和小信号串扰3:ROVP 引脚最好用地线环绕4:为防止断开输入电出现回闪的情况VCC 电容需并一放电电阻。6.测试数据输出电压和输出电流测试Vout(V)3.5V7V10.5V14V17.5V176VACIout(A)0.3350.3290.3240.3200.316Pin(W)1.933.184.445.656.86η(%)60.7572.4276.6279.2980.61200VACIout(A)0.3390.3340.3300.3250.321Pin(W)2.0093.284.545.7897.03η(%)59.0671.2876.3278.5979.90220VACIout(A)0.3410.3350.3290.3240.320Pin(W)2.053.324.555.8...

1、当您付费下载文档后,您只拥有了使用权限,并不意味着购买了版权,文档只能用于自身使用,不得用于其他商业用途(如 [转卖]进行直接盈利或[编辑后售卖]进行间接盈利)。
2、本站所有内容均由合作方或网友上传,本站不对文档的完整性、权威性及其观点立场正确性做任何保证或承诺!文档内容仅供研究参考,付费前请自行鉴别。
3、如文档内容存在违规,或者侵犯商业秘密、侵犯著作权等,请点击“违规举报”。

碎片内容

替换BP2833方案的24WLED驱动应用9833D参考

确认删除?
VIP
微信客服
  • 扫码咨询
会员Q群
  • 会员专属群点击这里加入QQ群
客服邮箱
回到顶部