电脑桌面
添加小米粒文库到电脑桌面
安装后可以在桌面快捷访问

装配关键工序明细表

装配关键工序明细表_第1页
1/15
装配关键工序明细表_第2页
2/15
装配关键工序明细表_第3页
3/15
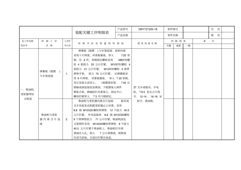
装配关键工序明细表产品型号3WYTZ1200-18 零件图号共页产品名称零件名称第页总工序名称及序号控制工序名称工序卡中工序控制内 容及质量特性指标使 用 设 备 名 称控 制程 度备注关键重要一般一.柴油机、变矩器等综合组装弹簧板(摇摆)与车架连接1. 弹簧板(摇摆) 与车架连接:前转向部采用十片两架,对准板簧座,穿入? 25 穿销,共 6 件,穿销固定螺栓采用M8X70螺栓 4 套扭力20 公斤拧紧, M10X70 螺栓 4套扭力41 公斤拧紧,M12X70螺栓 4 套带弹垫平垫, 扭力 70 公斤拧紧。 后弹簧板采用 9 片两架, 对准板簧座, 穿入 ? 25 穿销,其它安装方法同上。 (摇摆架安装:? 45 长销轴表面连接处涂黄油,下摇摆装入两件铜复合套,销轴轻打对准装入,固定开口螺母拧紧穿入? 5 开口销固定。3T 叉车或航吊、手电钻、 ? 8.5 钻头公斤扳手、 12-14 、 16-18 呆扳手、黄油枪。柴油机与变矩器 内 离 合 片 连接2. 柴油机与变矩器内离合片连接:航吊或叉车吊起发动机跟变矩器止口对准,采用8.8 级 M10X20螺栓带弹垫12 个扭力 40.5公斤拧紧。 外壳连接用8.8 级 M12X35螺栓9 个带弹垫扭力71 公斤拧紧。柴油机固定支架两件采用M10X30螺栓带弹垫8 个扭力40.5 公斤拧紧于柴油机上。柴油机打开润滑油注入孔,加入7 公斤润滑油,视察油位适当添加,合适后拧紧注油盖。柴油机、变矩器等综合组装水 箱 与 传 动 油散热器连接3. 水箱与传动油散热器连接,先在散热器上钻 ? 8.5 孔四个与水箱配钻。用8.8级M8X30 螺栓 4 个带弹垫平垫螺母4 个,扭力 20 公斤拧紧。长头车水箱(变矩器传动油散热器) 与车架连接4. 水箱(变矩器传动油散热器)与车架连接采用 8.8 级 M12X50螺栓套螺母8 件,弹垫4 个平垫 8 个。扭力71 公斤拧紧。柴油机(变矩器 ) 与 车 架 连接:5. 柴油机(变矩器)与车架连接:3T 航吊 吊 起 发 动 机 对 准 车 架 固 定 螺 栓 孔 ,M16X70螺栓 2 件、螺母4 件平垫弹垫各2件,缓冲垫块2 件,螺母170 公斤备紧。变矩器采用M18X80螺栓 4 件、螺母8 件,平垫弹垫各4 件,缓冲垫块2 件,螺母 210公斤备紧。柴 油 机 上 下 水管安装6. 柴油机上下水管安装:采用内? 50 喉箍四件一段与柴油机连接,另一端与水箱连接,喉箍每端两个拧紧。药泵安装7. 药泵安装:采用50 齿轮马达一件配与165 药泵连接联轴器一件,在完成...

1、当您付费下载文档后,您只拥有了使用权限,并不意味着购买了版权,文档只能用于自身使用,不得用于其他商业用途(如 [转卖]进行直接盈利或[编辑后售卖]进行间接盈利)。
2、本站所有内容均由合作方或网友上传,本站不对文档的完整性、权威性及其观点立场正确性做任何保证或承诺!文档内容仅供研究参考,付费前请自行鉴别。
3、如文档内容存在违规,或者侵犯商业秘密、侵犯著作权等,请点击“违规举报”。

碎片内容

装配关键工序明细表

您可能关注的文档

确认删除?
VIP
微信客服
  • 扫码咨询
会员Q群
  • 会员专属群点击这里加入QQ群
客服邮箱
回到顶部