电脑桌面
添加小米粒文库到电脑桌面
安装后可以在桌面快捷访问

西门子MM420简明调试及典型接线

西门子MM420简明调试及典型接线_第1页
1/18
西门子MM420简明调试及典型接线_第2页
2/18
西门子MM420简明调试及典型接线_第3页
3/18
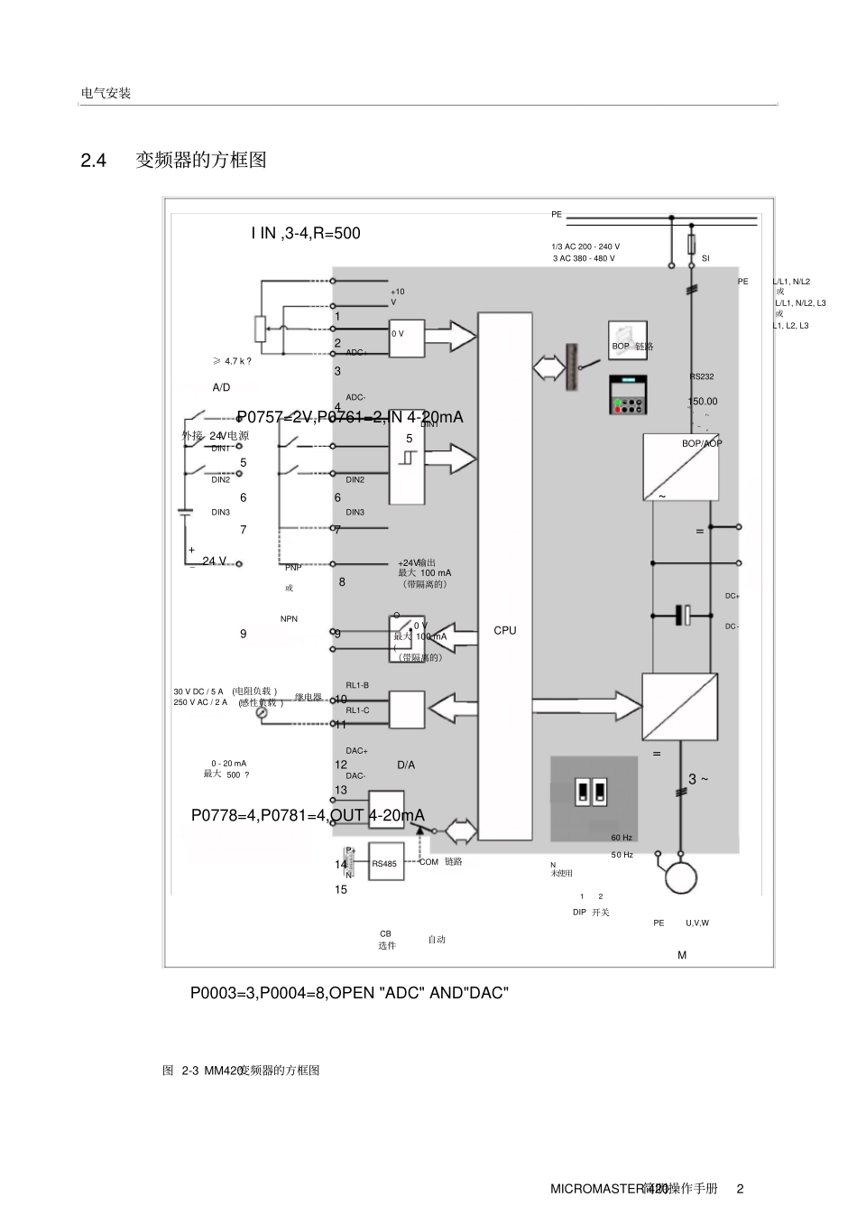
MM420 通用型变频器秦岭水泥许普国2012.02 0.12kW - 11kW 简明操作手册版本 04/04 2.3 控制端子端子号标识功能1 - 输出 +10 V 2 - 输出 0 V 3 ADC+ 模拟输入(+) 4 ADC- 模拟输入(-) 5 DIN1 数字输入1 6 DIN2 数字输入2 7 DIN3 数字输入3 8 - 带电位隔离的输出+24 V / 最大。 100mA 9 - 带电位隔离的输出0 V / 最大。 100 mA 10 RL1-B 数字输出/ NO (常开 )触头11 RL1-C 数字输出/ 切换触头12 DAC+ 模拟输出(+) 13 DAC- 模拟输出(-) 14 P+ RS485 串行接口15 N- RS485 串行接口1电气安装2.4 变频器的方框图PE I IN ,3-4,R=500 1/3 AC 200 - 240 V 3 AC 380 - 480 V SI +10 V 1 0 V 2 ADC+ ≥ 4.7 k ?3 A/D ADC- 4 P0757=2V,P0761=2,IN 4-20mA外接 24 V电源DIN1 5 5 DIN1 BOP 链路RS232 150.00 Hz I Fn0 JogPBOP/AOP PE L/L1, N/L2 或L/L1, N/L2, L3 或L1, L2, L3 DIN2 DIN2 6 6 ~ DIN3 DIN3 7 7 = + _ 24 V PNP 或8 +24V输出最大 100 mA (带隔离的)DC+ NPN 9 9 O 0 V 最大 100 mA ( (带隔离的)CPU DC -30 V DC / 5 A(电阻负载 ) 250 V AC / 2 A(感性负载 ) 继电器RL1-B 10 RL1-C 11 0 - 20 mA 最大 500 ?DAC+ 12 DAC- 13 D/A = 3 ~ P0778=4,P0781=4,OUT 4-20mAP+ 14 N- 15 RS485 COM 链路60 Hz 50 Hz N 未使用1 2 DIP 开关CB 选件自动PE U,V,W M P0003=3,P0004=8,OPEN "ADC" AND"DAC"图 2-3 MM420 变频器的方框图MICROMASTER 420 简明操作手册23 工厂的缺省设置MICROMASTER 420 变频器在出厂时具有这样参数设置:即不需要再进行任何参数化就可以投入运行。为此,出厂时电动机的参数(P0304,P0305,P0307,P0310)是按照西门子公司1 LA7 型 4 极电动机进行设置的,实际连接的电动机额定参数必须与该电动机的额定参数相匹配(参看电动机的铭牌数据 )。出厂时的其他设置:命令信号源P0700 = 2 (数字输入,请参看图3-1) 设定值信号源P1000 = 2 (模拟输入,请参看图3-1) 电动机的冷却方式P0335 = 0 电动机的电流限值P0640 = 150 % 最小频率P1080 = 0 Hz I/O 反向故障确认(复位)数字输入最大频率P1082 = 50 Hz 斜坡上升时间P1120 = 10 s 模拟输入斜坡下降时间P1121 = 10 s 控制方...

1、当您付费下载文档后,您只拥有了使用权限,并不意味着购买了版权,文档只能用于自身使用,不得用于其他商业用途(如 [转卖]进行直接盈利或[编辑后售卖]进行间接盈利)。
2、本站所有内容均由合作方或网友上传,本站不对文档的完整性、权威性及其观点立场正确性做任何保证或承诺!文档内容仅供研究参考,付费前请自行鉴别。
3、如文档内容存在违规,或者侵犯商业秘密、侵犯著作权等,请点击“违规举报”。

碎片内容

西门子MM420简明调试及典型接线

您可能关注的文档

文库响当当+ 关注
实名认证
内容提供者

该用户很懒,什么也没介绍

确认删除?
VIP
微信客服
  • 扫码咨询
会员Q群
  • 会员专属群点击这里加入QQ群
客服邮箱
回到顶部