电脑桌面
添加小米粒文库到电脑桌面
安装后可以在桌面快捷访问

设施规划与物流课程设计

设施规划与物流课程设计_第1页
1/26
设施规划与物流课程设计_第2页
2/26
设施规划与物流课程设计_第3页
3/26
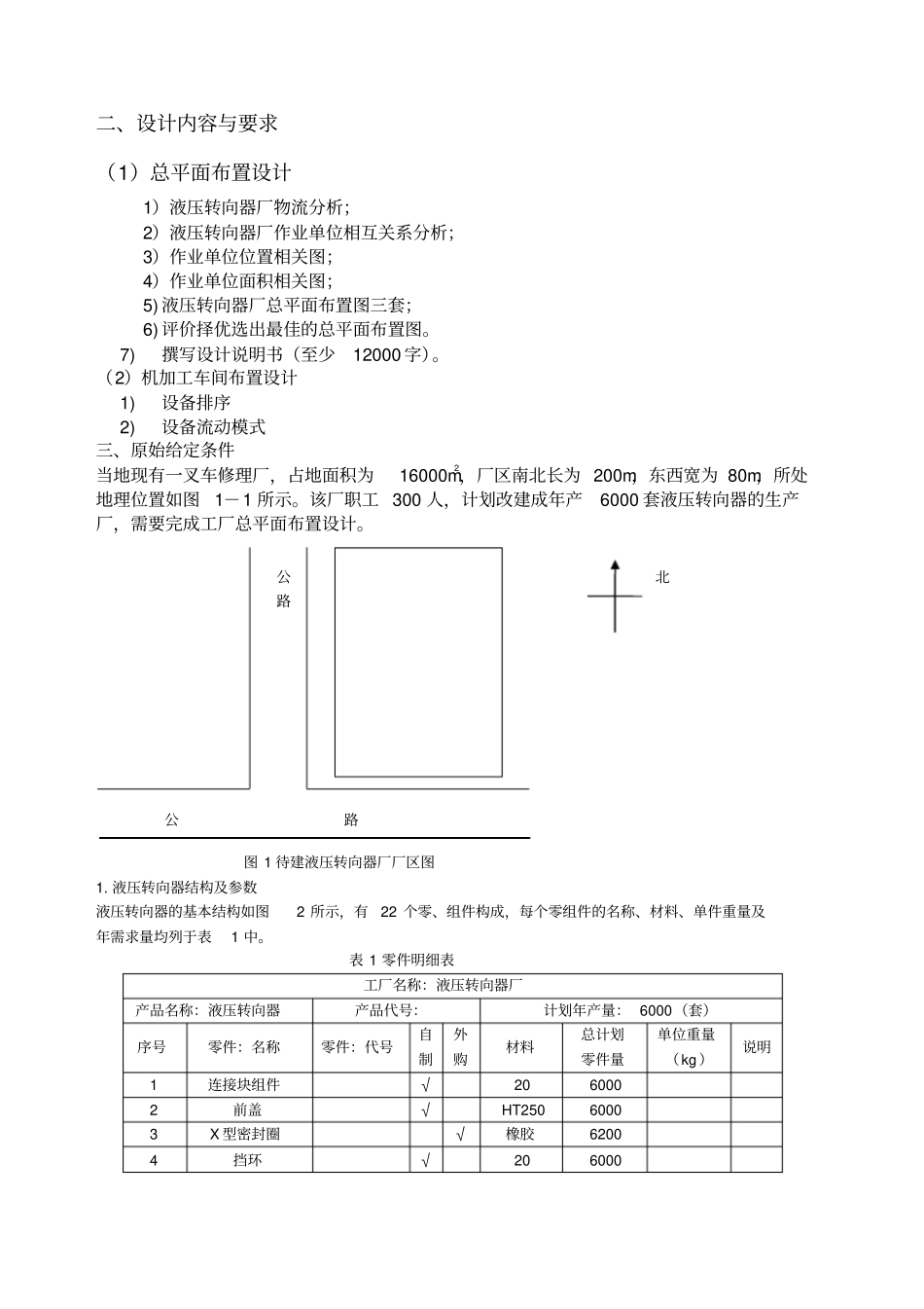
课程设计目录绪论 .............................................................................. 2一 设计题目 ..................................................................... 2二 设计内容与要求............................................................... 2第一章物流分析 .............................................................. 9生产类型与布置原则.............................................................. 9产品工艺过程分析................................................................ 9自制零件工艺过程图............................................................. 10总工艺过程图................................................................... 13物流分析 ....................................................................... 15第二章作业单位相互关系分析. ............................................. 20作业单位非物流相关分析........................................................ 20非物流作业单位相互关系理由.................................................... 20制定液压转向器“基准相互关系”表............................................... 21建立非物流作业单位相互关系图................................................... 22计算作业单位之间的综合关系,绘制作业单位综合相互关系表......................... 23第三章绘制作业单位位置相关图和面积相关图........................... 26作业单位位置相关分析........................................................... 26作业单位面积相关图............................................................... 第四章绘制总平面布置可行方案图............................................. 第五章评价择优 ............................................................... 32评价因素的确定................................................................. 32确定加权值 ..................................................................... 33评价尺度 ....................................................................... 33评选方案 ....................................................................... 33评价...

1、当您付费下载文档后,您只拥有了使用权限,并不意味着购买了版权,文档只能用于自身使用,不得用于其他商业用途(如 [转卖]进行直接盈利或[编辑后售卖]进行间接盈利)。
2、本站所有内容均由合作方或网友上传,本站不对文档的完整性、权威性及其观点立场正确性做任何保证或承诺!文档内容仅供研究参考,付费前请自行鉴别。
3、如文档内容存在违规,或者侵犯商业秘密、侵犯著作权等,请点击“违规举报”。

碎片内容

设施规划与物流课程设计

您可能关注的文档

确认删除?
VIP
微信客服
  • 扫码咨询
会员Q群
  • 会员专属群点击这里加入QQ群
客服邮箱
回到顶部