电脑桌面
添加小米粒文库到电脑桌面
安装后可以在桌面快捷访问

设施设备维修保养与清洁卫生评定检查表

设施设备维修保养与清洁卫生评定检查表_第1页
1/10
设施设备维修保养与清洁卫生评定检查表_第2页
2/10
设施设备维修保养与清洁卫生评定检查表_第3页
3/10
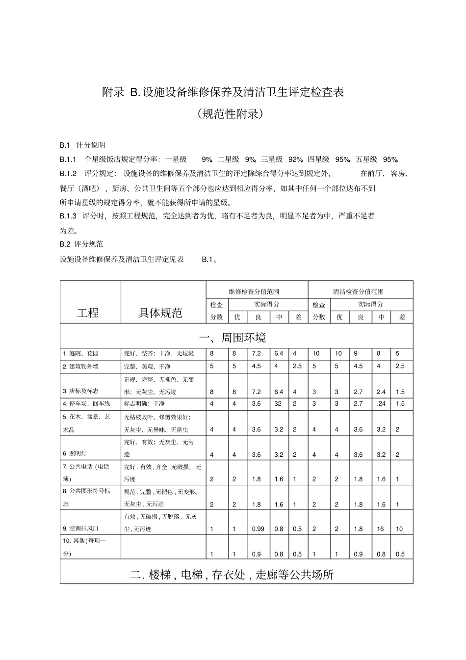
附录 B.设施设备维修保养及清洁卫生评定检查表(规范性附录)B.1 计分说明B.1.1 个星级饭店规定得分率:一星级9%、二星级 9%、三星级 92%、四星级 95%、五星级 95%。B.1.2 评分规定: 设施设备的维修保养及清洁卫生的评定除综合得分率达到规定外,在前厅、客房、餐厅(酒吧) 、厨房、公共卫生间等五个部分也应达到相应得分率,如其中任何一个部位达布不到所申请星级的规定得分率,就不能获得所申请的星级。B.1.3 评分时,按照工程规范,完全达到者为优,略有不足者为良,明显不足者为中,严重不足者为差。B.2 评分规范设施设备维修保养及清洁卫生评定见表B.1 。工程具体规范维修检查分值范围清洁检查分值范围检查分数实际得分检查分数实际得分优良中差优良中差一、周围环境1. 庭院、花园完好、整齐;干净、无垃圾8 8 7.2 6.4 4 10 10 9 8 5 2. 建筑物外墙完整、美观、干净5 5 4.5 4 2.5 5 5 4.5 4 2.5 3. 店标及标志正规、完整、无褪色、无变形;无灰尘、无污迹8 8 7.2 6.4 4 3 3 2.7 2.4 1.5 4. 停车场、回车线标志明确;干净4 4 3.6 32 2 3 3 2.7 .24 1.5 5. 花木、盆景、艺术品无枯枝败叶、修剪效果好;无灰尘、无异味、无昆虫4 4 3.6 3.2 2 4 4 3.6 3.2 2 6. 照明灯完好、有效;无灰尘、无污迹4 4 3.6 3.2 2 4 4 3.6 3.2 2 7. 公共电话 (电话簿) 完好 , 有效 , 齐全 , 无破损。 无污迹2 2 1.8 1.6 1 2 2 1.8 1.6 1 8. 公共图形符号标志规范 , 完整 , 无褪色 , 无变形。无灰尘 , 无污迹2 2 1.8 1.6 1 2 2 1.8 1.6 1 9. 空调排风口有效 , 无破损 , 无脱落。无灰尘 , 无污迹1 1 0.99 0.8 0.5 2 2 1.8 16 10 10. 其他( 每项一分) 1 1 0.9 0.8 0.5 1 1 0.9 0.8 0.5 二. 楼梯 , 电梯 , 存衣处 , 走廊等公共场所1. 地面平整 , 无破损 , 无卷边 , 无变形。无污迹 , 无异味 , 干净 , 光亮20 20 18 16 10 30 30 27 24 15 2. 门无破损 , 无变形 , 无划痕。玻璃明亮 , 无灰尘10 10 9 8 5 10 10 9 8 5 3. 天花无破损 , 无裂痕 , 无脱落。无灰尘 , 无污迹 , 无蛛网10 10 9 8 5 10 10 9 8 5 4. 墙面平整 , 无破损 , 无裂痕 , 无脱落。无灰尘 , 无污迹 , 无蛛网20 20 18 16 10 20 20 18 16 10 5. 灯具完好...

1、当您付费下载文档后,您只拥有了使用权限,并不意味着购买了版权,文档只能用于自身使用,不得用于其他商业用途(如 [转卖]进行直接盈利或[编辑后售卖]进行间接盈利)。
2、本站所有内容均由合作方或网友上传,本站不对文档的完整性、权威性及其观点立场正确性做任何保证或承诺!文档内容仅供研究参考,付费前请自行鉴别。
3、如文档内容存在违规,或者侵犯商业秘密、侵犯著作权等,请点击“违规举报”。

碎片内容

设施设备维修保养与清洁卫生评定检查表

您可能关注的文档

确认删除?
VIP
微信客服
  • 扫码咨询
会员Q群
  • 会员专属群点击这里加入QQ群
客服邮箱
回到顶部