电脑桌面
添加小米粒文库到电脑桌面
安装后可以在桌面快捷访问

质检复混肥料检验原始记录

质检复混肥料检验原始记录_第1页
1/4
质检复混肥料检验原始记录_第2页
2/4
质检复混肥料检验原始记录_第3页
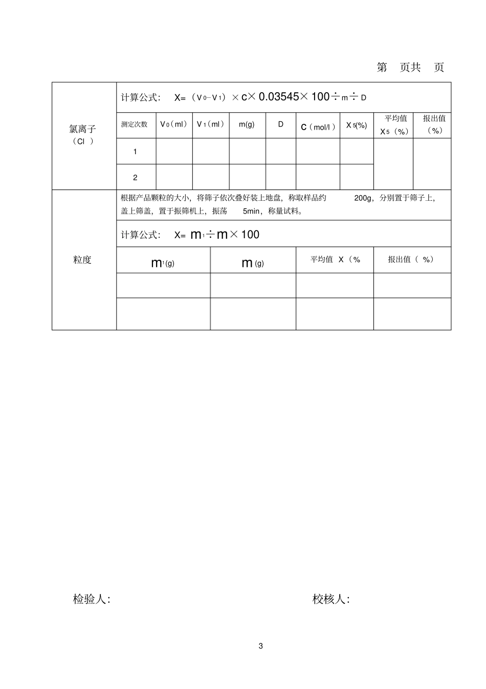
3/4
1 第页共页复混肥料检验原始记录样品名称样品编号生产日期检验日期温度湿度规格型号检验性质检验依据主要仪器设备及精度电子天平( 0.1mg) 电热干燥箱( 0.1℃)外观标签总养分(N+P205+K 2O)X=X 1 +X 2+ X 3=总氮含量(以 N 计)计算公式: X 1=(V 1– V 2)× c×0.01401 ×100÷m×10测定次数V 1(ml)V 2( ml)c(mol/l )m(g) X 1(%) 平均值X 1(%)报出值(%)1 2 试验方法:根据含量称取样品于烧瓶中,加催化剂,加硫酸,于电炉上消解至无白烟生成,冷却至室温, 定容 100ml,取 100ml 消化液于定氮仪样品管中加热蒸馏至流出液150ml左右,用 0.1mol/l 盐酸标准溶液滴定至由浅绿色变成微红色,同时做试剂空白。有效磷含量(以 P2O5 计)计算公式: X 2=[(m2– m1)– m0]×32.07 ÷m测定次数m2(g)m1(g) m0(g) m(g) X 2(%) 平均值X 2(%)报出值(%)1 2 2 第页共页试验方法:称取含100-200mg 的五氧化二磷试样2g 左右于滤纸上,塞入250ml 容量瓶中,加入 150ml 预先加热至60℃的 EDTA 溶液,置于 60℃± 1℃的恒温水浴振荡器中,震荡1h.取出量瓶,冷却至室温,用水稀释至刻度,混均。干过滤,得溶液A ,吸取 25mlA ,加入10ml 硝酸溶液, 稀释至 100ml,在电炉上煮沸, 取下,加入喹钼柠铜35ml, 在电炉上微沸1min,然后再干过滤,置于180℃± 2℃干燥箱内,干燥45min,冷却至室温,称量。同时做试剂空白。水溶性磷次数m1(g) m2(g) m(g) W(%) W (%) 报出值(%)计算公式:X 1=(m1– m2)× 100÷m试验方法:称样置于瓷蒸发皿中,加水研磨上清液过滤于含有5 mL 硝酸的容量瓶中,连续研磨三次定容至刻度。吸取25mL 溶液于烧杯中,加硝酸溶液10mL,用水稀释至100 mL 。加热加入 35 mL 喹钼柠酮溶剂,微沸1min,冷却过滤。沉淀连同滤器置于180℃± 2℃于干燥箱内,干燥45min,冷却称量。同时做试剂空白。水溶性磷占 有效磷百分率计算公式: X=X 1÷X 2×100 报出值(%)钾含量(以 K2O 计)计算公式: X 3=[(m2– m1)– m0]×131.4 ÷m测定次数m2(g)m1(g) m0(g) m(g) X 3(%) 平均值X 3(%)报出值(%)1 2 试验方法:称取含氧化钾400mg 的试样 2g-5g,置于 250ml 锥形瓶中,加热煮沸30min,冷却,定量转移到250ml 量瓶中,用水稀释至刻度,干过滤,吸取上述滤液25ml, 加 EDTA 溶液 25ml,加 2-3 滴酚酞溶液,滴加氢氧化钠溶...

1、当您付费下载文档后,您只拥有了使用权限,并不意味着购买了版权,文档只能用于自身使用,不得用于其他商业用途(如 [转卖]进行直接盈利或[编辑后售卖]进行间接盈利)。
2、本站所有内容均由合作方或网友上传,本站不对文档的完整性、权威性及其观点立场正确性做任何保证或承诺!文档内容仅供研究参考,付费前请自行鉴别。
3、如文档内容存在违规,或者侵犯商业秘密、侵犯著作权等,请点击“违规举报”。

碎片内容

质检复混肥料检验原始记录

您可能关注的文档

确认删除?
VIP
微信客服
  • 扫码咨询
会员Q群
  • 会员专属群点击这里加入QQ群
客服邮箱
回到顶部