电脑桌面
添加小米粒文库到电脑桌面
安装后可以在桌面快捷访问

有线电视预算定额

有线电视预算定额_第1页
1/9
有线电视预算定额_第2页
2/9
有线电视预算定额_第3页
3/9
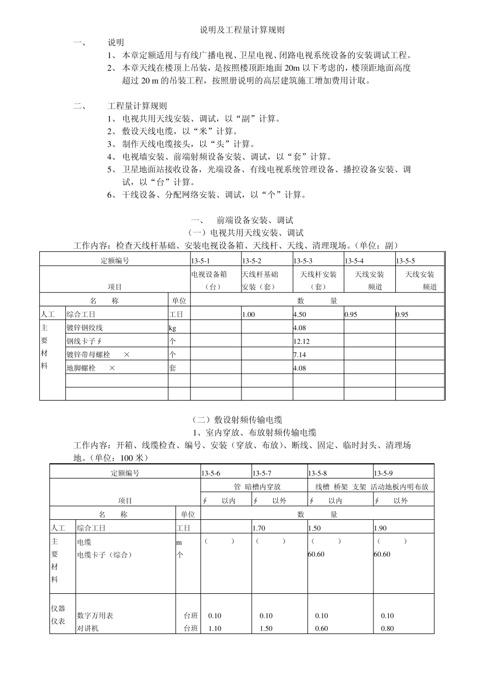
说明及工程量计算规则 一、 说明 1、 本章定额适用与有线广播电视、卫星电视、闭路电视系统设备的安装调试工程。 2、 本章天线在楼顶上吊装,是按照楼顶距地面 20m 以下考虑的,楼顶距地面高度超过 20 m 的吊装工程,按照册说明的高层建筑施工增加费用计取。 二、 工程量计算规则 1、 电视共用天线安装、调试,以“副”计算。 2、 敷设天线电缆,以“米”计算。 3、 制作天线电缆接头,以“头”计算。 4、 电视墙安装、前端射频设备安装、调试,以“套”计算。 5、 卫星地面站接收设备,光端设备、有线电视系统管理设备、播控设备安装、调试,以“台”计算。 6、 干线设备、分配网络安装、调试,以“个”计算。 一、 前端设备安装、调试 (一)电视共用天线安装、调试 工作内容:检查天线杆基础、安装电视设备箱、天线杆、天线、清理现场。(单位:副) 定额编号 13-5-1 13-5-2 13-5-3 13-5-4 13-5-5 项目 电视设备箱 (台) 天线杆基础 安装(套) 天线杆安装(套) 天线安装 1-12频道 天线安装 13-57频道 名 称 单位 数 量 人工 综合工日 工日 1.80 1.00 4.50 0.95 0.95 主 要 材 料 镀锌钢绞线 kg 4.08 钢线卡子∮6 个 12.12 镀锌带母螺栓M10×20~35 个 7.14 地脚螺栓M14×120~230 套 4.08 (二)敷设射频传输电缆 1、室内穿放、布放射频传输电缆 工作内容:开箱、线缆检查、编号、安装(穿放、布放)、断线、固定、临时封头、清理场地。(单位:100 米) 定额编号 13-5-6 13-5-7 13-5-8 13-5-9 项目 管/暗槽内穿放 线槽/桥架/支架/活动地板内明布放 ∮9mm以内 ∮9mm以外 ∮9mm以内 ∮9mm以外 名 称 单位 数 量 人工 综合工日 工日 1.30 1.70 1.50 1.90 主 要 材 料 电缆 电缆卡子(综合) m 个 (102.00) (102.00) (102.00) 60.60 (102.00) 60.60 仪器 仪表 数字万用表 对讲机 台班 台班 0.10 1.10 0.10 1.50 0.10 0.60 0.10 0.80 2、室外架设射频传输电缆 工作内容:1、电杆上:检测电缆、配盘、架设电缆、挂钩、盘余长、绑保护物。 2、墙壁上:安装支撑物、布放吊线、做终端、配盘、架设电缆、挂钩、盘余长、绑保护物。(单位:100 米) 定额编号 13-5-10 13-5-11 13-5-12 13-5-13 项目 在电杆上架设射频电缆 在墙壁上架设射频电缆 ∮9mm以内 ∮9mm以外 ∮9mm以内 ∮9mm以外 ...

1、当您付费下载文档后,您只拥有了使用权限,并不意味着购买了版权,文档只能用于自身使用,不得用于其他商业用途(如 [转卖]进行直接盈利或[编辑后售卖]进行间接盈利)。
2、本站所有内容均由合作方或网友上传,本站不对文档的完整性、权威性及其观点立场正确性做任何保证或承诺!文档内容仅供研究参考,付费前请自行鉴别。
3、如文档内容存在违规,或者侵犯商业秘密、侵犯著作权等,请点击“违规举报”。

碎片内容

有线电视预算定额

您可能关注的文档

确认删除?
VIP
微信客服
  • 扫码咨询
会员Q群
  • 会员专属群点击这里加入QQ群
客服邮箱
回到顶部