电脑桌面
添加小米粒文库到电脑桌面
安装后可以在桌面快捷访问

过滤器、离子交换设备备课

过滤器、离子交换设备备课_第1页
1/47
过滤器、离子交换设备备课_第2页
2/47
过滤器、离子交换设备备课_第3页
3/47
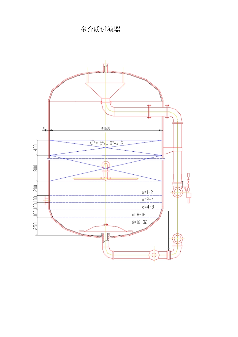
补给水设备流程 : 原水-澄清池-过滤器-阳床-除炭器-中间水箱-阴床-混床再生设备:酸/碱槽车-酸 /碱储罐-酸 /碱计量箱-酸 /碱喷射器-(阳/阴/混)再生一 过滤器1 活性炭过滤器活性炭过滤器主要用于去除水中余氯、色度、有机物及胶体硅等,作为离子交换器前处理系统设备,可防止树脂中毒污染,保证树脂的使用寿命。结构特点:1) 上部进水装置为母支管型式或喇叭式。2) 下部出水装置为多孔板水帽型式。3) 设备内表面的防腐采用衬胶。4) 该设备配有就地取样装置及进、出口压力表。5)水帽为长柄水帽(水帽长柄上有长形缝隙)主要技术参数表设计压力( MPa)0.6 焊缝系数0.85 设计温度( oC)50 主体材料Q235-B 设计流速( m/h)设计出力( t/h)设计层高( mm)2000 容器型式立式反洗膨胀率 % 50 反洗强度 L/(m 2s) 7 设计流速 : 吸附有机物5-10 m/h 吸附游离余氯≤20 m/h 2 多介质过滤器过滤器是用于离子交换系统的预处理设备。它是利用介质的过滤去除水中悬浮物,使出水澄清。该设备可装载单层(细砂或无烟煤)或双层(无烟煤和石英砂)和三层(无烟煤、石英砂、矿石)滤料结构特点:1)上部进水装置为母支管型式或喇叭式。2)下部出水装置为多孔板水帽型式或石英砂垫层。3)设备内表面的防腐采用黑色环氧沥清漆或衬胶。4)石英砂垫层进气装置为母支管型。5)该设备配有就地取样装置及进、出口压力表。6)水帽为长柄水帽主要技术参数表设计压力( MPa)0.6 焊缝系数0.85 设计温度( oC)50 主体材料Q235-B 设计流速( m/h)8 单/12 双/20 三设计出力(t/h)设计层高( mm)1200/2000 容器型式立式反洗膨胀率 % 50 反洗强度L/(m 2s) 10-12 细砂10-12 无烟煤13-16 双层16-18 三层3 设备结构图(附图)多介质过滤器活性炭过滤器4 压力式过滤器的操作程序序号操 作 程序阀门开关( 0— 开)备注1 2 3 4 5 6 7 1 运行0 0 2 反洗0 0 0 如气水合洗需开6 3 正洗0 0 0 气排尽后关闭7 4 运行0 0 注: 1— 进水阀2— 出水阀3— 反洗进水阀4— 反洗排水阀5— 正洗排水阀6— 进压缩空阀7— 排气阀操作步骤及工艺参数1) 设备运行压力式过滤器的运行,应按规范要求进行,并与所采用的滤料和进水浊度等因素有关,运行期间,应定期测定出、入口水浊度,当出口水浊度超过规定或压差增大(一般为0.05Mpa ),应停止运行 (否则压差过大 ,是必要提高工作...

1、当您付费下载文档后,您只拥有了使用权限,并不意味着购买了版权,文档只能用于自身使用,不得用于其他商业用途(如 [转卖]进行直接盈利或[编辑后售卖]进行间接盈利)。
2、本站所有内容均由合作方或网友上传,本站不对文档的完整性、权威性及其观点立场正确性做任何保证或承诺!文档内容仅供研究参考,付费前请自行鉴别。
3、如文档内容存在违规,或者侵犯商业秘密、侵犯著作权等,请点击“违规举报”。

碎片内容

过滤器、离子交换设备备课

您可能关注的文档

确认删除?
VIP
微信客服
  • 扫码咨询
会员Q群
  • 会员专属群点击这里加入QQ群
客服邮箱
回到顶部