电脑桌面
添加小米粒文库到电脑桌面
安装后可以在桌面快捷访问

过程装备维修管理工程培训资料

过程装备维修管理工程培训资料_第1页
1/50
过程装备维修管理工程培训资料_第2页
2/50
过程装备维修管理工程培训资料_第3页
3/50
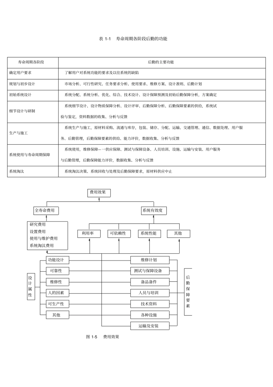
资 金输入物输出物人事管理人设备原材料管理方法管理方法设备管理物资供应管理 (P)产量 (Q)质量 (C)成本 (D)交货期限 (S)安全、环保 (M)劳动情绪生产管理质量管理成本管理交货期限管理安全、环保管理劳动管理输出物 / 输入物=生产率图 1-1 设备及管理在生产生活中的地位维修管理目标维修计划和控制生产计划兼 长顾 远近 利期 益与上级及有关单位进行业务联系;收集市场技术经济信息报告、工作总结维修工程(计划修理、故障修理)维修工程控制(维修质量、维修进度、维修资源利用、维修费用解决)备件设备报废设备技术经济比较购买新设备、备件设备运行性能(运转率、出力率、故障率、产品合格率⋯⋯)设备运行(包括备用)安装和试运行报告进行可行性研究设备运行和维护保养制度管理工作程序、标准日常维护保养设备运行和故障报告设备性能预测工作(定期和连续检查)设备检查报告申 废请 报报 告设备修理报告新技术、新材料、新设备维修计划及修理任务书维修规程、工作程序、标准备件库存情况消耗图 1-2 维修管理工程系统设备维修管理工程设备运行管理维修后勤保障系统维修组织维修财务管理维修管理效果评价维修计划和工程管理维修管理基本理论故障原理及预测可靠性工程设备技术经济分析(寿命周期费用分析)单体设备维修计划管理系统(装置)维修计划管理维修工程施工计划与控制维修资源调度和工程外包设备检查作业设备运行中的日常维护保养设备运行中的检查设备运行状态管理外购件管理(购买计划及定货数量预测)库存管理(入库、保管、出库)及库存数量合理储备机构设置、人员配备维修费用预算与决算故障损失统计计算设备改造、更新预算与决算设备利用情况;维修费用率;工时利用情况;大修完成率;故障统计分析;故障率;设备技术状况;完好率;维修总结、评比、奖励向下一个工作计划及有关部门反馈,并使设备维修管理工程的水平进一步提高图 1-3 设备维修管理工程的主要内容表 1-1 寿命周期各阶段后勤的功能费用效果系统有效度全寿命费用研究费用设置费用使用与维护费用系统淘汰费用利用率可依赖性系统性能其他可生产性人的因素维修性可靠性功能设计其他运输及安装各种设施技术资料人员与培训备品备件测试与保障设备维修计划后勤保障要素设计属性图 1-5 费用效果寿命周期各阶段后勤的主要功能确定用户要求了解用户对系统功能的要求及以往系统的缺陷规划与初步设计市场分析、可行性研究、任务要求分析、...

1、当您付费下载文档后,您只拥有了使用权限,并不意味着购买了版权,文档只能用于自身使用,不得用于其他商业用途(如 [转卖]进行直接盈利或[编辑后售卖]进行间接盈利)。
2、本站所有内容均由合作方或网友上传,本站不对文档的完整性、权威性及其观点立场正确性做任何保证或承诺!文档内容仅供研究参考,付费前请自行鉴别。
3、如文档内容存在违规,或者侵犯商业秘密、侵犯著作权等,请点击“违规举报”。

碎片内容

过程装备维修管理工程培训资料

文库响当当+ 关注
实名认证
内容提供者

该用户很懒,什么也没介绍

确认删除?
VIP
微信客服
  • 扫码咨询
会员Q群
  • 会员专属群点击这里加入QQ群
客服邮箱
回到顶部