电脑桌面
添加小米粒文库到电脑桌面
安装后可以在桌面快捷访问

锅炉捞渣机运行规程

锅炉捞渣机运行规程_第1页
1/11
锅炉捞渣机运行规程_第2页
2/11
锅炉捞渣机运行规程_第3页
3/11
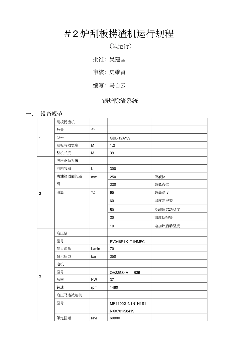
#2 炉刮板捞渣机运行规程(试运行)批准:吴建国审核:史维督编写:马自云锅炉除渣系统一、 设备规范1 刮板捞渣机数量台1 型号GBL-12A*39 刮板有效宽度M 1.2整机长度M 39 2 液压驱动系统油箱容积L 300 离油箱顶面的距离mm 250 低液位320 最低液位油温℃65 最高温度60 温度高报警50 冷却器启动温度20 温度低报警10 电加热启动温度3 液压泵型号PV046R1K1T1NMFC 最大流量L/min 70 最大压力bar 350 电机型号QA225S4A B35 功率KW 37 转速rpm 1480 液压马达减速机型号MR1100G-N1N1N1S1NX0701/58419 额定扭矩NM 60000 最大扭矩NM 85000 4 风冷却器设计环境温度℃30 电机额定电压V 380 电机功率KW 0.55 电机额定转速rpm 1450 5 液压关断门油泵电机型号Y112M-4 功率KW 4 电压V 380 电机转速rpm 1460 油缸直径mm 80 油缸设计压力Mpa 16 油缸额定压力Mpa 10 油缸推力t 5 油箱有效容积L 150 二、投运前的检查和准备:(1)检查除渣系统工作已结束,工作票已收回并注销,捞渣机上、下槽体内无杂物,前部传动系统及后部刮板张紧装置无杂物卡涩,排水口畅通,无堵塞。(2)检查刮板捞渣机减速箱,液压关断门油站油位正常,油质良好,无渗漏现象(3)刮板捞渣机电机接线及接地线完好,地脚螺丝牢固,联轴器连接完好,防护罩完好,轴承油质油位正常。(4)检查捞渣机上部测水温的热电阻安装牢固。(5)检查就地控制箱各开关,按钮齐全,状态指示灯显示正确。(6)检查刮板捞渣机电机电源已送好。(7)开启刮板张紧装置前部、后部轴承密封水门, 水压不高于0.05Mpa。(8)开启捞渣机上水槽补水总门,保证水温不大于60℃。(9)投入炉底密封水,调节水压正常,投入链条冲洗水。三、液压关断门油系统的启动( 1)检查液压系统各联接键、销牢固,油箱油位正常,电磁换向阀处于原始状态。( 2)电控箱内元器件无松动、线头无脱落,油泵电机转换开关位置正确。( 3)合上电源开关,电源指示灯亮,按启动油泵按钮,油泵启动运行,油路畅通指示灯亮,空运转 3-5 分钟。( 4)检查油泵电机转向正确,禁止反方向转动,无漏油。油温在规定范围内。( 5)调节溢流阀设定工作压力:起动电机先空转5-10 分钟,再逐渐分档升压(每档0.5-1 Mpa )每档时间间隔5-10 分钟,直至压力升至10 Mpa。( 6)调整溢流阀将系统压力设定在工作压力(一般为8 Mpa)将调整螺杆锁紧。四、液压关断门的开启( 1)调...

1、当您付费下载文档后,您只拥有了使用权限,并不意味着购买了版权,文档只能用于自身使用,不得用于其他商业用途(如 [转卖]进行直接盈利或[编辑后售卖]进行间接盈利)。
2、本站所有内容均由合作方或网友上传,本站不对文档的完整性、权威性及其观点立场正确性做任何保证或承诺!文档内容仅供研究参考,付费前请自行鉴别。
3、如文档内容存在违规,或者侵犯商业秘密、侵犯著作权等,请点击“违规举报”。

碎片内容

锅炉捞渣机运行规程

您可能关注的文档

确认删除?
VIP
微信客服
  • 扫码咨询
会员Q群
  • 会员专属群点击这里加入QQ群
客服邮箱
回到顶部