电脑桌面
添加小米粒文库到电脑桌面
安装后可以在桌面快捷访问

同星农业钢筋工程施工方案VIP免费

同星农业钢筋工程施工方案_第1页
1/5
同星农业钢筋工程施工方案_第2页
2/5
同星农业钢筋工程施工方案_第3页
3/5
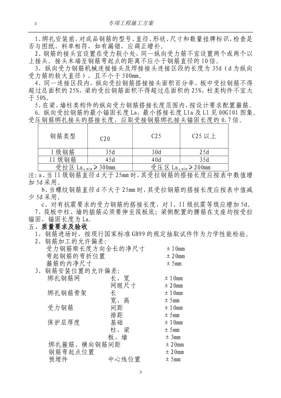
专项工程施工方案钢筋工程施工方案一、适用范围:该施工方案适用同星农业肉鸡屠宰厂办公楼、职工食堂及职工宿舍工程。钢筋的原材检验、制作加工、绑扎安装等施工作业的指导依据。二、编制依据:1、工程设计图纸;2、建筑工程质量验收统一标准(GB50300-2001);3、混凝土结构工程施工质量验收规范(GB50204-2002);4、钢筋焊接及验收规程(JGJ18-96);5、钢筋机械连接通用技术规程(JGJ107-96);6、钢筋锥螺纹接头技术规程(JGJ109-96);三、施工概况:办公楼结构形式为框架结构;五层,总高为21.75M层,建筑面积为5876.7M2,基础为独立柱基础。职工食堂结构形式为框架结构;二层,总高为9.75M层,建筑面积为5819M2,基础为独立柱基+条基。职工宿舍结构形式为砖混结构;六层,总高为19.5M层,建筑面积为5905.13M2,基础为条形基础。钢筋工程所采用的钢筋品种主要有I级、II级钢筋,在钢筋工程施工时,其所涉及适用范围、构造、质量要满足施工图和03G101图集等设计要求。四、施工准备:1、技术准备:由于钢筋工程所涉及的规范、技术规程较多,技术含量较高,所以要求项目部的技术力量要吃透图纸之外,还要熟读各相关图集、规范规程;并组织对钢筋班组内部的放样员、质量员、技术员进行技术交底,对放样员所出的钢筋下料单,在制作之前要由项目部进行审核。2、人员准备:①、在项目部管理人员中,选择对钢筋分项有丰富施工经验、责任心强的施工人员专管钢筋。②在钢筋加工组内部配备放样员、质量员,钢筋工程中特殊工种(闪光对焊、电渣压力焊及机械操作等)人员必须持证上岗。3、机械准备:该工程所使用的机械如钢筋弯曲机,切断机、卷扬机、对焊机等,提前一星期由项目部统一组织进场,由公司鉴定编号,向监理单位报验;机修班进行检修,定时进行例行保养和维修。4、钢筋分项工程验收程序和质量验收资料的整理①、钢筋原材料进场时应按现行国家标准《钢筋混凝土用热轧带肋钢筋》GB1499的规定,在监理工程师见证下抽样送试验室作力学性能检验,并其质量必须符合有关标准的规定外,还要检查钢筋的平直、损伤情况,表面不得有裂纹、油污、颗粒状或片状老锈。②、在进行钢筋加工、钢筋连接和钢筋安装等各道工序中,要按主控项目和一2专项工程施工方案般项目进行检查验收,并及时整理好验收资料。③、检验批质量验收记录、分项工程验收记录必须符合GB50204-2002中的表A、0、1及表A、0、2的规定。三、施工方法(一)、基础钢筋1、楼内基础垫层厚度为100mm,钢筋为单层单向和双层双向的,基础底板中上下网片之间采用Ф12钢筋搭设支撑,每米设置一个。2、砼垫层达到一定强度后,将基层清理干净,弹线复核后,即可绑扎钢筋。3、在铺设钢筋之前,在垫层上画出钢筋排列尺寸线。4、采用焊接接头时,在接头处35d且不小于500mm范围内,有接头的受力钢筋截面面积不超过总受力钢筋截面面积的50%(只限受拉区);采用搭接接头时,在其搭接长度内的受力钢筋截面面积不超过总受力钢筋截面面积的25%(受拉区)和50%(受压区);搭接长度范围内箍筋应做加密,间距宜为100mm。5、双向板板底短向钢筋应在长向钢筋之下;板面短向钢筋应在长向钢筋之上。6、其他未注明的做法,如搭接区域、锚固长度等按规范要求。(二)、梁、板、柱结构1、梁筋接长均采用闪光对焊连接和单面搭接焊;柱钢筋接头采用电渣压力焊搭接。2.主梁钢筋骨架绑扎→次梁钢筋骨架绑扎→平板底筋的绑扎→暗配管线预埋(项项工作由水电班完成)→平板加筋的绑扎。3、先将梁底柱筋按设计要求摆设好,把箍筋的间距画在梁钢筋上,穿套箍筋并按间距绑扎,之后穿梁底筋再绑扎完毕。4、在板钢筋铺设前,先将设计要求间距画在平板模板上再铺设板筋.绑扎时双向板要求全部满扎,单向板外围两排满扎外.其余可以跳扎,绑扎完后按1米间距垫好垫块。四、施工技术措施(一)、钢筋配料1、经过试验室检验合格的钢材,方可下料使用。在下料中有劈裂,缩头和严重弯头的必须切除。2、将同规格钢筋根据不同长度长短搭配,统筹排料,先切长料.后切短料,减少短头和损耗;切料时避免用短尺量长料,防止在料中产生累积误差。3、对于焊接方式的连接钢筋下料时,必须考虑在焊...

1、当您付费下载文档后,您只拥有了使用权限,并不意味着购买了版权,文档只能用于自身使用,不得用于其他商业用途(如 [转卖]进行直接盈利或[编辑后售卖]进行间接盈利)。
2、本站所有内容均由合作方或网友上传,本站不对文档的完整性、权威性及其观点立场正确性做任何保证或承诺!文档内容仅供研究参考,付费前请自行鉴别。
3、如文档内容存在违规,或者侵犯商业秘密、侵犯著作权等,请点击“违规举报”。

碎片内容

同星农业钢筋工程施工方案

您可能关注的文档

确认删除?
VIP
微信客服
  • 扫码咨询
会员Q群
  • 会员专属群点击这里加入QQ群
客服邮箱
回到顶部