电脑桌面
添加小米粒文库到电脑桌面
安装后可以在桌面快捷访问

2014锅炉安装施工机具计划清单

2014锅炉安装施工机具计划清单_第1页
1/16
2014锅炉安装施工机具计划清单_第2页
2/16
2014锅炉安装施工机具计划清单_第3页
3/16
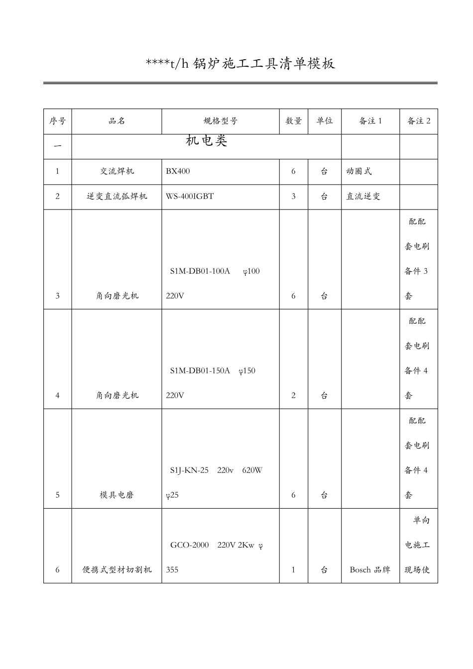
****t/h 锅炉施工工具清单模板序号一12交流焊机逆变直流弧焊机品名规格型号数量单位63台台备注 1备注 2配配套电刷机电类BX400WS-400IGBT动圈式直流逆变S1M-DB01-100Aφ1003角向磨光机220V6台备件 3套配配套电刷S1M-DB01-150Aφ1504角向磨光机220V2台备件 4套配配套电刷S1J-KN-25220v620W5模具电磨φ256台备件 4套单向GCO-2000220V 2Kw φ6便携式型材切割机3551台Bosch 品牌电施工现场使用方便配配套电刷备件 47木工电圆锯GKS190 220V 1400W1台套锤钻两用型,但需要以电锤功配系列冲击钻头及转换8二12345配电箱配电箱断路器断路器碘钨灯架电动锤(钻)调速 25 mm1把钻头夹具121055只只只只只12 回路6 回路能为主钻功能为辅或者碘钨照明67碘钨灯灯管自收式电源拖线板1kw220V10A304只只使用灯电气、电缆200KW50KWDZ-C63A-3PDZ-C10A-2P1kw国标 2.5 -20 米8手电筒LED2只焊机电缆910111213三1氩弧焊枪电缆电缆电缆电缆YH35X1YZ3X2.5YZ2X6YZ3X6YZ4X35+1x1020020010010050米米米米米单芯橡套电缆4把减压表在印尼购买因为接口匹配事2射吸式割炬(液化气型)减压表在印尼购买因为接口匹配事34割炬刀嘴(梅花嘴)56通针G01-1002010只盒G01-100G01-302200把只宜G01-3010把宜用二次线小五金工具789101112焊接面罩焊接滤光片面罩白玻璃开口铜鼻子电焊钳HM-18 号35 平方500A5 M30603005030201262只片片件把把把把把把尺带为钢带铝合金材质并带磁力吸卷尺1314直角角尺1516钢板直尺300x150mmL=1000mm50 M500x250mm17水平尺L=600mm6把块铝合金材质并带磁力吸18L=300mm2把块检测水平使25-30米1920212223塑料水管线坠φ100.1kg1T15884卷件件件件用U 型卸扣2T5T24撬棍Φ20-L0008把弹子锁型,工2526锁头40x30x1518B1041010466666622222466把把把把把把把把把把把把把把把把把把把具箱使用带手柄带手柄锤子2728活动扳手29303132333435梅花扳手363738394041424344呆扳手24-2730-3234-3638-4042-4446-486-810-1213-1518″450mm6-810-1213-1514-1716-1819-224B12″300mm4546474849505152535455565758内六角扳手套筒扳手尖嘴钳偏口钳平口钳14-1716-1819-2224-2730-3234-3638-4042-4446-48M4- M16M8-M464 寸4 寸8 寸66662222211226把把把把把把把把把组套把把把36 寸59606162钢筋剪钳开口吊钩型滑轮开口吊钩型滑轮C0 花蓝罗栓BC-9001T2TM16-60014412把件件件L=900配钢丝绳扎6364钢丝绳(带油芯)Φ6Φ1210060米米头 40 件配钢丝绳扎头 24 件配钢...

1、当您付费下载文档后,您只拥有了使用权限,并不意味着购买了版权,文档只能用于自身使用,不得用于其他商业用途(如 [转卖]进行直接盈利或[编辑后售卖]进行间接盈利)。
2、本站所有内容均由合作方或网友上传,本站不对文档的完整性、权威性及其观点立场正确性做任何保证或承诺!文档内容仅供研究参考,付费前请自行鉴别。
3、如文档内容存在违规,或者侵犯商业秘密、侵犯著作权等,请点击“违规举报”。

碎片内容

2014锅炉安装施工机具计划清单

文库当当响+ 关注
实名认证
内容提供者

该用户很懒,什么也没介绍

确认删除?
VIP
微信客服
  • 扫码咨询
会员Q群
  • 会员专属群点击这里加入QQ群
客服邮箱
回到顶部