电脑桌面
添加小米粒文库到电脑桌面
安装后可以在桌面快捷访问

8t-500t汽车吊性能表VIP专享

8t-500t汽车吊性能表_第1页
1/24
8t-500t汽车吊性能表_第2页
2/24
8t-500t汽车吊性能表_第3页
3/24
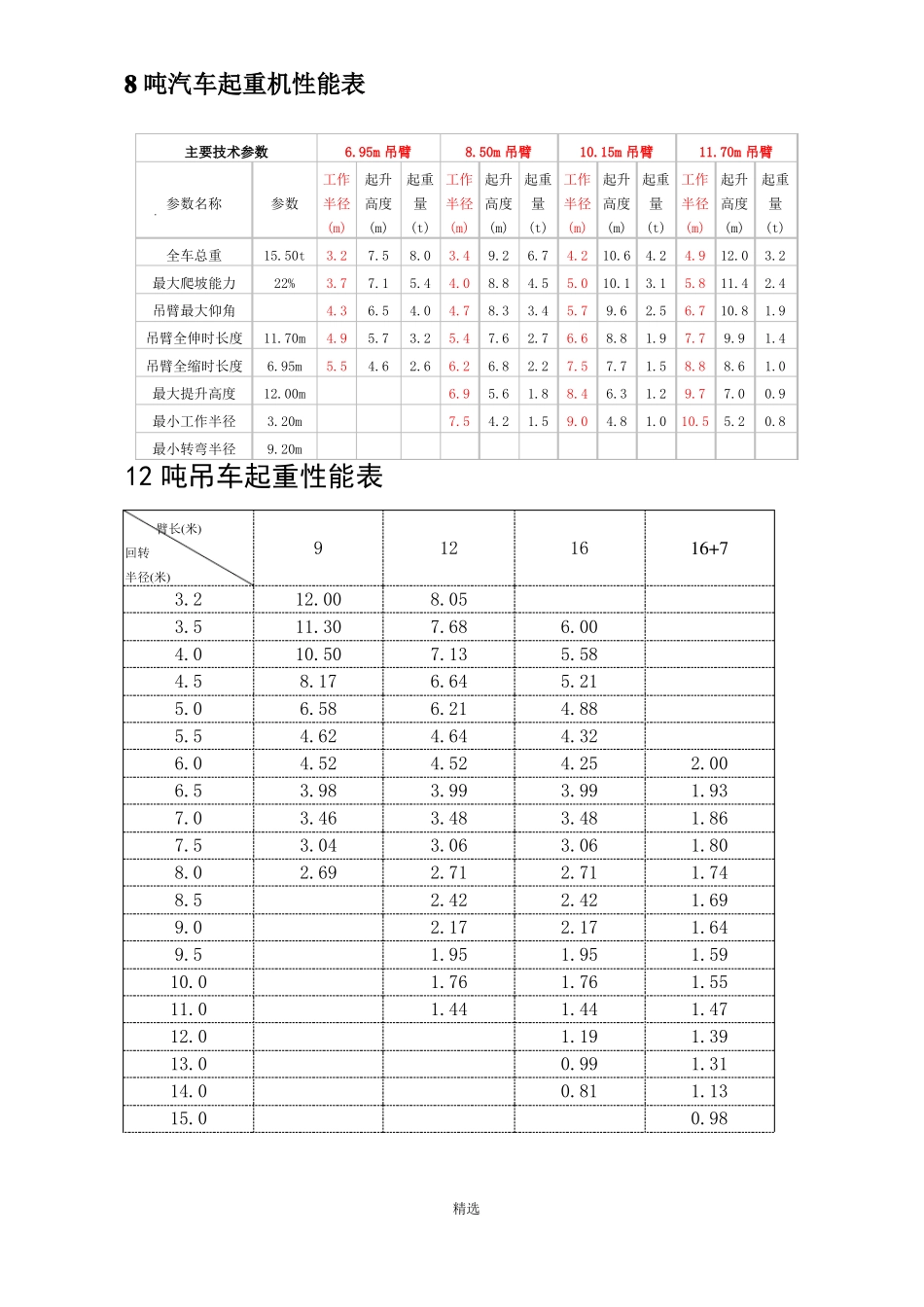
精选目录8 吨、12 吨汽车起重机性能表.......................................................................................216 吨汽车吊机额定性能表..............................................................................................320 吨汽车吊机额定性能表..............................................................................................425 吨汽车起重机起重性能表(主臂)..........................................................................530 吨汽车起重机性能表(一)......................................................................................650 吨汽车起重机性能表(主表)..................................................................................875 吨汽车起重机起重性能表(一).................................................................................1080 吨汽车起重机起重性能表(一)................................................................................. 11100t 汽车吊性能表 ........................................................................................................13120 吨汽车起重机起重性能表......................................................................................14150 吨汽车起重机性能表(一).......................................................................................15150 吨汽车起重机性能表(二).......................................................................................16160t 汽车吊性能表 ........................................................................................................17200 吨汽车吊车 .............................................................................................................19260 吨吊车性能表 .........................................................................................................20LTM1300/1-300t 全液压汽车吊机................................................................................21LTM1500-500t 全液压汽车吊机...............................................................................

1、当您付费下载文档后,您只拥有了使用权限,并不意味着购买了版权,文档只能用于自身使用,不得用于其他商业用途(如 [转卖]进行直接盈利或[编辑后售卖]进行间接盈利)。
2、本站所有内容均由合作方或网友上传,本站不对文档的完整性、权威性及其观点立场正确性做任何保证或承诺!文档内容仅供研究参考,付费前请自行鉴别。
3、如文档内容存在违规,或者侵犯商业秘密、侵犯著作权等,请点击“违规举报”。

碎片内容

8t-500t汽车吊性能表

确认删除?
VIP
微信客服
  • 扫码咨询
会员Q群
  • 会员专属群点击这里加入QQ群
客服邮箱
回到顶部