电脑桌面
添加小米粒文库到电脑桌面
安装后可以在桌面快捷访问

SY4202007自动化仪表工程分项工程质量验收记录报告VIP专享

SY4202007自动化仪表工程分项工程质量验收记录报告_第1页
1/15
SY4202007自动化仪表工程分项工程质量验收记录报告_第2页
2/15
SY4202007自动化仪表工程分项工程质量验收记录报告_第3页
3/15
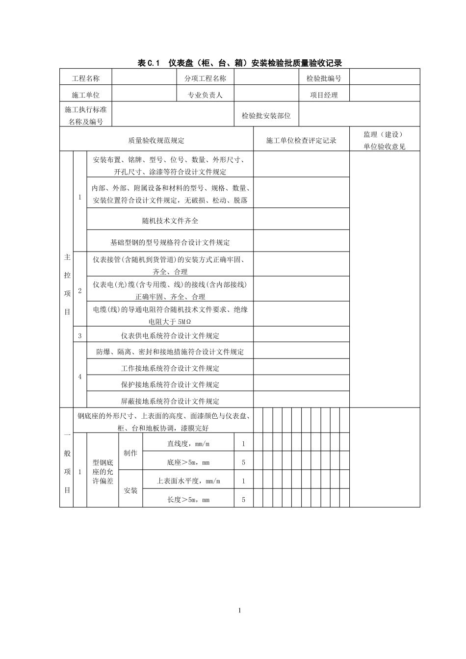
表 C.1仪表盘(柜、台、箱)安装检验批质量验收记录工程名称施工单位施工执行标准名称及编号分项工程名称专业负责人检验批安装部位检验批编号项目经理监理(建设)单位验收意见质量验收规范规定安装布置、铭牌、型号、位号、数量、外形尺寸、开孔尺寸、涂漆等符合设计文件规定内部、外部、附属设备和材料的型号、规格、数量、1随机技术文件齐全基础型钢的型号规格符合设计文件规定主控项目32仪表接管(含随机到货管道)的安装方式正确牢固、齐全、合理仪表电(光)缆(含专用缆、线)的接线(含内部接线)正确牢固、齐全、合理电缆(线)的导通电阻符合随机技术文件要求、绝缘电阻大于 5MΩ仪表供电系统符合设计文件规定防爆、隔离、密封和接地措施符合设计文件规定工作接地系统符合设计文件规定4保护接地系统符合设计文件规定屏蔽接地系统符合设计文件规定钢底座的外形尺寸、上表面的高度、面漆颜色与仪表盘、一般项目型钢底1座的允许偏差安装长度>5m,mm5柜、台和地板协调,漆膜完好直线度,mm/m制作底座>5m,mm上表面水平度,mm/m511安装位置符合设计文件规定,无破损、松动、脱落施工单位检查评定记录1表 C.1(续)工程名称施工单位施工执行标准名称及编号分项工程名称专业负责人检验批安装部位检验批编号项目经理监理(建设)单位验收记录质量验收规范规定安装位置符合设计要求内部、外部和附属组件安装牢固、无破损、无变形,2内外表面美观,无油漆脱落、受潮、锈蚀等缺陷仪表盘、柜、台、箱内部及室内地板下,电缆沟内无异物减震措施符合设计文件规定单独安装一般项目垂直度,mm/m水平度,mm/m垂直度,mm/m仪表盘、3柜、台、箱的允许偏差成排安装水平度,mm/m同一系列顶部高度偏差,mm同一系列连接处超过 2 处时顶部高度最大偏差,mm正面平面度偏差,mm连接处超过 5 处时正面的平面度偏差,mm接缝间隙,mm施工单位检查评定记录1.511.5125152仪表盘、柜、台、箱及内部仪表的标志牌完整4电(光)缆(含专用缆、线)的接线(含内部接线)整齐、美观,编号齐全、符合设计文件规定施工单位检查结果总包单位验收结论项目专业质量检查员:年月日总包专业工程师 :年月日监理(建设)单位验收监理工程师:结论(建设单位项目代表)年月日2表 C.2温度仪表安装检验批质量验收记录工程名称施工单位施工执行标准名称及编号质量验收规范规定1仪表型号、规格、材质、测量范围、压力等级等符合设计文件规定,随机技术文件齐全仪表安装位置符合设计文件规定,安装固...

1、当您付费下载文档后,您只拥有了使用权限,并不意味着购买了版权,文档只能用于自身使用,不得用于其他商业用途(如 [转卖]进行直接盈利或[编辑后售卖]进行间接盈利)。
2、本站所有内容均由合作方或网友上传,本站不对文档的完整性、权威性及其观点立场正确性做任何保证或承诺!文档内容仅供研究参考,付费前请自行鉴别。
3、如文档内容存在违规,或者侵犯商业秘密、侵犯著作权等,请点击“违规举报”。

碎片内容

SY4202007自动化仪表工程分项工程质量验收记录报告

确认删除?
VIP
微信客服
  • 扫码咨询
会员Q群
  • 会员专属群点击这里加入QQ群
客服邮箱
回到顶部