电脑桌面
添加小米粒文库到电脑桌面
安装后可以在桌面快捷访问

两轴式变速器

两轴式变速器_第1页
1/9
两轴式变速器_第2页
2/9
两轴式变速器_第3页
3/9
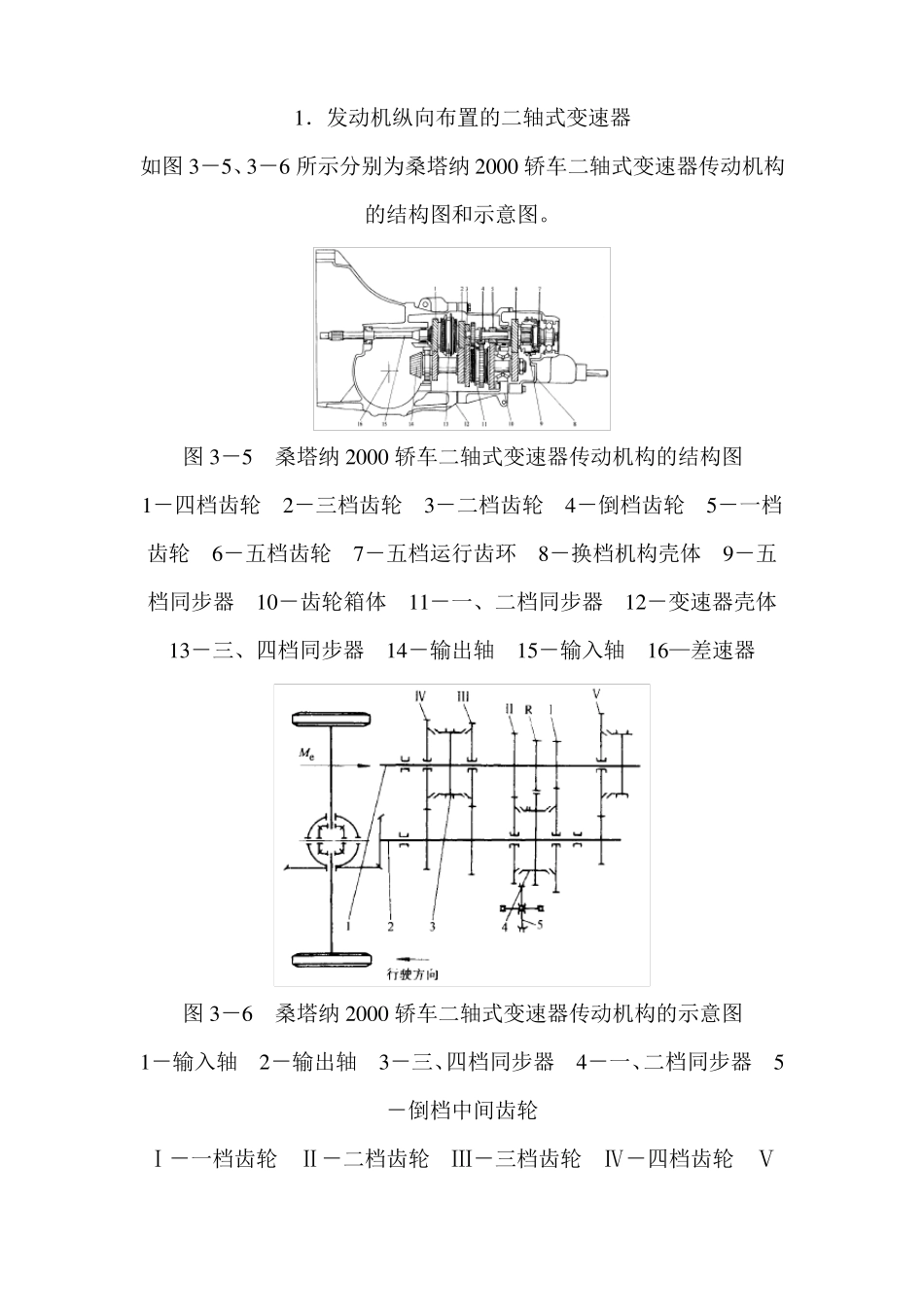
两轴式变速器------------- 机械与材料工程学院 B1042 班 张孟良 35 号(指导老师:刘鑫老师)摘要:二轴式变速器用于发动机前置前轮驱动的汽车,一般与驱动桥(前桥)合称为手动变速驱动桥。目前,我国常见的国产轿车均采用这种变速器,如桑塔纳、捷达、富康、奥迪等。关键字:二轴式、前置前轮驱动、手动式变速器一两轴式变速器特点两轴式变速器是前进挡的动力传递采用两根轴来实现的变速器,它的特点是动力的输人轴和输出轴不在一个轴线上,两根轴分别为第一轴(动力输人轴),第二轴(动力输出轴)。通常第一轴为离合器的从动轴,第二轴同时也是主减速器的主动轴。二发动机布置形式前置发动机有纵向布置和横向布置两种形式,与其配用的二轴式变速器也有两种不同的结构形式。发动机纵置时,主减速器为一对圆锥齿轮,如奥迪 100、桑塔纳 2000 轿车,如图 3-3 所示;发动机横置时,主减速器采用一对圆柱齿轮,如捷达轿车,如图 3-4 所示。图 3-3发动机纵置的二轴式变速器传动示意图(桑塔纳 2000)1-纵置发动机2-离合器3-变速器 4-变速器输入轴5-变速器输出轴(主减速器主动锥齿轮) 6-差速器7-主减速器从动锥齿轮8-前轮Ⅰ、Ⅱ、Ⅲ、Ⅳ、Ⅴ-一、二、三、四、五档齿轮R-倒档齿轮图 3-4发动机横置的二轴式变速器传动示意图(捷达)1-发动机2-离合器3-变速器4-主减速器5-差速器6-带等角速万向节的半轴三发动机结构与工作过程1.发动机纵向布置的二轴式变速器如图 3-5、3-6 所示分别为桑塔纳 2000 轿车二轴式变速器传动机构的结构图和示意图。图 3-5桑塔纳 2000 轿车二轴式变速器传动机构的结构图1-四档齿轮2-三档齿轮3-二档齿轮4-倒档齿轮5-一档齿轮6-五档齿轮7-五档运行齿环8-换档机构壳体9-五档同步器10-齿轮箱体11-一、二档同步器12-变速器壳体13-三、四档同步器14-输出轴15-输入轴16—差速器图 3-6桑塔纳 2000 轿车二轴式变速器传动机构的示意图1-输入轴2-输出轴3-三、四档同步器4-一、二档同步器5-倒档中间齿轮Ⅰ-一档齿轮Ⅱ-二档齿轮Ⅲ-三档齿轮Ⅳ-四档齿轮Ⅴ-五档齿轮R-倒档齿轮1) 结构该变速器的变速传动机构有输入轴和输出轴,二轴平行布置,输入轴也是离合器的从动轴,输出轴也是主减速器的主动锥齿轮轴。该变速器具有五个前进档和一个倒档,全部采用锁环式惯性同步器换档。输入轴上有一~五档主动齿轮,其中一、二档主动齿轮与轴制成一体,三、四、五档主动齿轮...

1、当您付费下载文档后,您只拥有了使用权限,并不意味着购买了版权,文档只能用于自身使用,不得用于其他商业用途(如 [转卖]进行直接盈利或[编辑后售卖]进行间接盈利)。
2、本站所有内容均由合作方或网友上传,本站不对文档的完整性、权威性及其观点立场正确性做任何保证或承诺!文档内容仅供研究参考,付费前请自行鉴别。
3、如文档内容存在违规,或者侵犯商业秘密、侵犯著作权等,请点击“违规举报”。

碎片内容

两轴式变速器

您可能关注的文档

确认删除?
VIP
微信客服
  • 扫码咨询
会员Q群
  • 会员专属群点击这里加入QQ群
客服邮箱
回到顶部