电脑桌面
添加小米粒文库到电脑桌面
安装后可以在桌面快捷访问

二次结构模板技术交底44975VIP专享

二次结构模板技术交底44975_第1页
1/10
二次结构模板技术交底44975_第2页
2/10
二次结构模板技术交底44975_第3页
3/10
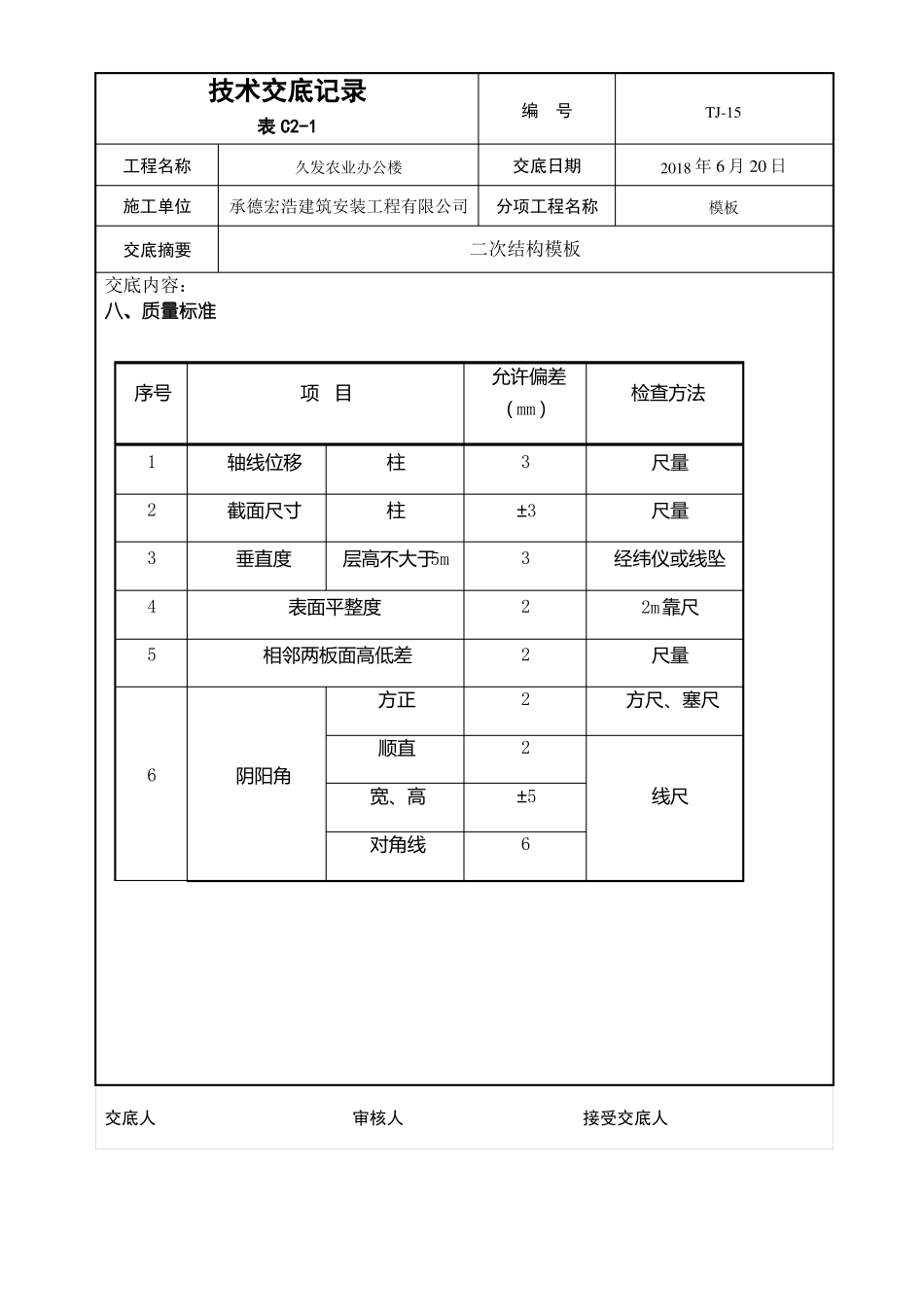
技术交底记录表 C2-1工程名称施工单位交底摘要久发农业办公楼编号交底日期分项工程名称TJ-152018 年 6 月 20 日模板承德宏浩建筑安装工程有限公司二次结构模板交底内容:一、施工准备 1、材料要求 1.1 模板:木模板(尺寸 915x1830mm 厚度 12mm) 1.2 方木:截面尺寸 40x80mm 1.3 隔离剂:严禁使用油性隔离剂,必须使用水性隔离剂。 1.4 模板截面支撑用料:采用水泥支撑。如采用钢筋支撑,钢筋两端点好防锈漆。 2、施工器具:木工圆锯、木工平刨、压刨、手提电锯、手提压刨、打眼电钻、线坠、靠尺板、方尺、铁水平尺、撬棍等。二、作业条件 1、放好轴线、模板边线、水平控制标高,模板底口平整、坚实,若达不到要求的应做水泥砂浆找平层。2、模板加工好后,专人认真检查模板规格尺寸,按照配模图编号,并均匀涂刷隔离剂,分规格码放,并有防雨、防潮、防砸措施。 3、构造柱、抱框柱、过梁、窗台板支模前,二次结构砌体砌筑完毕,钢筋绑扎垫好钢筋保护层垫块,并办理好隐蔽验收手续。三、操作工艺1、构造柱、抱框柱模板支设:先按图纸要求配好模板,待墙体砌筑完留好马牙槎,钢筋工绑扎好钢筋后,模板与马牙槎处必须贴双面胶带,贴双面胶带之前弹位置线,要求横平竖直,根据墙体立好构造柱侧模板,在加气混凝土墙上打穿墙螺栓眼,用穿墙螺栓加固到位,螺栓间距不大于 600mm。3、门窗过梁、腰梁支设:先按要求配好模板,待墙体砌筑到过梁、腰梁下口位置,根据墙体支好底板和侧板并符合过梁、腰梁线位置,在腰梁下口位置弹线贴双面胶带,按墙体上的 1m 水平线找好标高,梁底、梁上口必须水平,过梁两端压墙≥240mm,支撑体系加固到位。交底人审核人接受交底人技术交底记录表 C2-1工程名称施工单位交底摘要久发农业办公楼编号交底日期分项工程名称TJ-152018 年 6 月 20 日模板承德宏浩建筑安装工程有限公司二次结构模板交底内容4、窗台梁模板支设:根据砌好的二次结构加气混凝土墙及其墙上的水平线,按图纸尺寸要求支设女儿墙压顶及窗台梁侧模板,模板与墙必须贴双面胶带防止漏浆,在模板下口和上口用两道步步紧结合穿墙螺栓加固到位,模板必须拉线调直、调平、接缝严密,几何尺寸正确、方正,步步紧及螺栓间距不得大于 600mm。5、导墙止水带模板、落地窗模板的支设:卫生间及有排水要求的房间,根据弹好的隔墙线,按图纸尺寸配好导墙模板,支设侧模板,用 50×50 小方木拉杆结合模板卡具加固到位,必须按墙体上的 ...

1、当您付费下载文档后,您只拥有了使用权限,并不意味着购买了版权,文档只能用于自身使用,不得用于其他商业用途(如 [转卖]进行直接盈利或[编辑后售卖]进行间接盈利)。
2、本站所有内容均由合作方或网友上传,本站不对文档的完整性、权威性及其观点立场正确性做任何保证或承诺!文档内容仅供研究参考,付费前请自行鉴别。
3、如文档内容存在违规,或者侵犯商业秘密、侵犯著作权等,请点击“违规举报”。

碎片内容

二次结构模板技术交底44975

确认删除?
VIP
微信客服
  • 扫码咨询
会员Q群
  • 会员专属群点击这里加入QQ群
客服邮箱
回到顶部