电脑桌面
添加小米粒文库到电脑桌面
安装后可以在桌面快捷访问

焊钉焊接施工工艺

焊钉焊接施工工艺_第1页
1/8
焊钉焊接施工工艺_第2页
2/8
焊钉焊接施工工艺_第3页
3/8
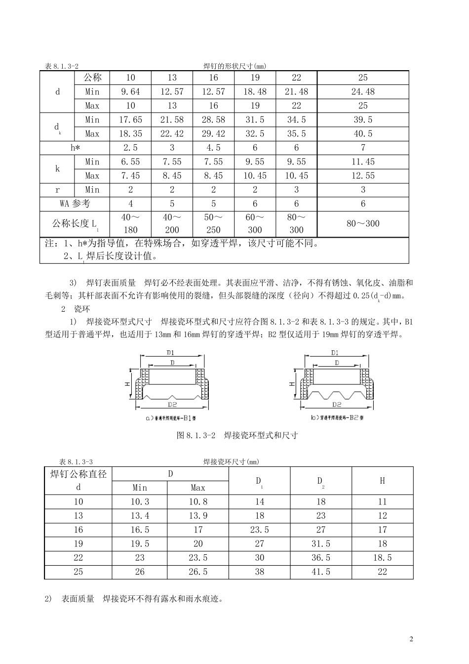
1 8 钢结构焊钉焊接施工工艺 8.1 一般规定 8.1.1 实用范围 本标准适用于各类钢结构工程中,公称直径为10~25mm 的焊钉(圆柱头焊钉、熔焊栓钉、剪力钉等)的焊接施工。 8.1.2 参考标准与规范 冷镦和挤压用钢 GB/T6478—2001 电弧螺柱焊用圆柱头焊钉 GB/T10433—2002 建筑工程施工质量验收统一标准 GB50300—2001 钢结构工程施工质量验收规范 GB50205—2001 建筑钢结构焊接技术规程 JGJ81—2002 8.1.3 材料 1 焊钉 1) 焊钉材料的机械性能应符合表8.1.3-1 规定。 表8.1.3-1 焊钉材料及机械相性能 材 料 标 准 机 械 性 能 ML15、ML15Al GB/T6478 σb≥400N/㎜2 σs或σp0.2≥320N/㎜2 δ≥14% 2) 焊钉的形状尺寸应符合图 8.1.3-1 及表8.1.3-2 的规定 图 8.1.3-1 焊钉的形状尺寸 注:图中1)表示由制造者选择可制成凹穴形式。 ll1 2 表8.1.3-2 焊钉的形状尺寸(mm) 3) 焊钉表面质量 焊钉必不经表面处理。其表面应平滑、洁净,不得有锈蚀、氧化皮、油脂和毛刺等;其杆部表面不允许有影响使用的裂缝,但头部裂缝的深度(径向)不得超过 0.25(dk-d)mm。 2 瓷环 1) 焊接瓷环型式尺寸 焊接瓷环型式和尺寸应符合图 8.1.3-2 和表8.1.3-3 的规定。其中,B1型适用于普通平焊,也适用于 13mm 和 16mm 焊钉的穿透平焊;B2 型仅适用于 19mm 焊钉的穿透平焊。 图 8.1.3-2 焊接瓷环型式和尺寸 表8.1.3-3 焊接瓷环尺寸(mm) 焊钉公称直径d D D1 D2 H Min Max 10 10.3 10.8 14 18 11 13 13.4 13.9 18 23 12 16 16.5 17 23.5 27 17 19 19.5 20 27 31.5 18 22 23 23.5 30 36.5 18.5 25 26 26.5 38 41.5 22 2) 表面质量 焊接瓷环不得有露水和雨水痕迹。 d 公称 10 13 16 19 22 25 Min 9.64 12.57 12.57 18.48 21.48 24.48 Max 10 13 16 19 22 25 dk Min 17.65 21.58 28.58 31.5 34.5 39.5 Max 18.35 22.42 29.42 32.5 35.5 40.5 h* 2.5 3 4.5 6 6 7 k Min 6.55 7.55 7.55 9.55 9.55 11.45 Max 7.45 8.45 8.45 10.45 10.45 12.55 r Min 2 2 2 2 3 3 WA 参考 4 5 5 6 6 6 公称长度 L1 40~180 40~200 50~250 60~300 80~300 80~300 注:1、h*为指导值,在特殊场合,如穿透平焊,该尺寸可能不同。 2、L1焊后长度设计值。 3 8.2 施 工 准 备...

1、当您付费下载文档后,您只拥有了使用权限,并不意味着购买了版权,文档只能用于自身使用,不得用于其他商业用途(如 [转卖]进行直接盈利或[编辑后售卖]进行间接盈利)。
2、本站所有内容均由合作方或网友上传,本站不对文档的完整性、权威性及其观点立场正确性做任何保证或承诺!文档内容仅供研究参考,付费前请自行鉴别。
3、如文档内容存在违规,或者侵犯商业秘密、侵犯著作权等,请点击“违规举报”。

碎片内容

焊钉焊接施工工艺

您可能关注的文档

确认删除?
VIP
微信客服
  • 扫码咨询
会员Q群
  • 会员专属群点击这里加入QQ群
客服邮箱
回到顶部