电脑桌面
添加小米粒文库到电脑桌面
安装后可以在桌面快捷访问

煤安认证现场评审准备文件

煤安认证现场评审准备文件_第1页
1/7
煤安认证现场评审准备文件_第2页
2/7
煤安认证现场评审准备文件_第3页
3/7
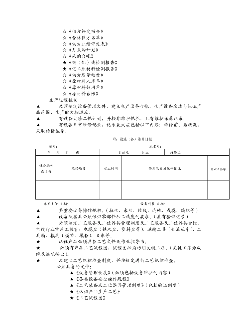
二、现场评审要求: 2.1现场评审的依据: 2.1.1《安全标志现场评审规范》 2.1.2《煤矿用阻燃电缆评审附则》 2.2《安全标志现场评审规范》解读和注意事项: 2.2.1主体资格(生产6/10KV及以上电缆)(主体资格不符为否决项) 2.2.1.1注册资金:注册资金不少于500万。 2.2.1.2生产能力:年生产能力不少于500万。 2.2.1.3技术力量:至少有3名或以上工程师职称人员。 2.2.1.4必须准备的资料: ■营业执照复印件 ■土地使用证 ■工程师证(3名以上) ■生产贴牌产品要有委托加工协议 2.2.2设计与标准 ★2.2.2.1企业自行设计的产品必须制定企业标准,且企业标准必须经过国家安标办备案,否则为否决项。 ★■2.2.2.2必须具备下列标准: GB2900.10-1984 GB/T2951-2008 GB/T2951.34-1994 GB/T3048-2007 GB3836.1-1983 GB3836.2-1983 GB3953-1983 GB/T3956-1997 GB4909-1985 GB6995-2008 GB/T8170-2008 MT818-1999 MT386-1995 JB/T8137-1999 2.2.2.3必须具备的文件: ★《设计或开发管理制度》 ★《产品图纸》 ★《产品说明书》 ★《产品工艺流程图》 2.2.2.4必须具备的质量记录: ★《新产品(样品)试制计划》 ★《设计和开发评审报告》 ★《设计和开发验证报告》 2.2.3质量体系和管理职责: ■★2.2.3.1应有装订成册的质量体系文件,如:质量手册,程序文件。 ★2.2.3.2必须建立有质量否决制度。 ■2.2.3.3必须建立有质量管理机构和质量管理组织机构图,且与实际相符。 ■2.2.3.4必须有专门的质量负责人和检验人员及其任命文件,文件中必须特别明确质量质量负责人、检验人员具有独立行使质量管理的权利,不受任何组织或个人的影响。 ■2.2.3.5企业必须制定质量方针和质量目标。 2.2.3.6必须具备的文件: ■《质量手册》 ■《程序文件》 ★《质量否决制度》 ■《质量负责人及其检验人员的任命书》 ★《质量管理组织机构图》 2.2.3.7必须具备的质量记录: ■《文件受控清单》 2.2.4技术文件及档案资料 2.2.4.1涉及安全性能的图纸更改必须重新经安标办审核、备案。否则为否决项。 2.2.4.2必须具备的文件 ■《文件控制程序》 ★《工艺技术文件管理制度》(必须包括产品图纸的修改内容) ★ 《产品图纸》 2.2.4.3必须具备的质量记录: ■《记录控制清单》 ■《文件发放、回收、销毁登记表》 ■《文件借阅、复制记录》 ★■●▲《文件更改申请单》 2.2.5采购 ■★2.2.5.1必须制定采购控制程...

1、当您付费下载文档后,您只拥有了使用权限,并不意味着购买了版权,文档只能用于自身使用,不得用于其他商业用途(如 [转卖]进行直接盈利或[编辑后售卖]进行间接盈利)。
2、本站所有内容均由合作方或网友上传,本站不对文档的完整性、权威性及其观点立场正确性做任何保证或承诺!文档内容仅供研究参考,付费前请自行鉴别。
3、如文档内容存在违规,或者侵犯商业秘密、侵犯著作权等,请点击“违规举报”。

碎片内容

煤安认证现场评审准备文件

您可能关注的文档

小辰5+ 关注
实名认证
内容提供者

出售各种资料和文档

确认删除?
VIP
微信客服
  • 扫码咨询
会员Q群
  • 会员专属群点击这里加入QQ群
客服邮箱
回到顶部