电脑桌面
添加小米粒文库到电脑桌面
安装后可以在桌面快捷访问

现场签证计量表

现场签证计量表_第1页
1/12
现场签证计量表_第2页
2/12
现场签证计量表_第3页
3/12
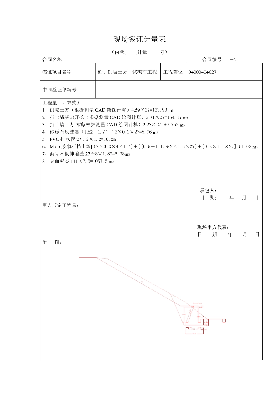
现场签证计量表 (内承[ ]计量 号) 合同名称: 合同编号:1-1 签证项目名称 砼、削坡土方、浆砌石工程 工程部位 0+027~0+141 中间签证单编号 工程量(计算式): 1、削坡土方(根据测量CAD 绘图计算)2.89×114=329.46 m3 2、挡土墙基础开挖(根据测量CAD 绘图计算)5.19×114=591.66 m3 3、挡土墙土方回填(根据测量CAD 绘图计算)1.63×114=185.82 m3 4、砂砾石反滤层(1.29+1.37)÷2×0.2×114=30.32 m3 5、PVC 排水管 141÷2×0.9=63.45m 6、M7.5 浆砌石挡土墙[0.3×0.3×4×114]+[(0.4+0.88)÷2×1.2×114] +[0.88×0.3×114]=158.46 m3 7、C20 帽石砼0.1×0.4×141=5.64 m3 8、C20 路肩砼0.3×0.3×141=12.69 m3 9、沥青木板伸缩缝 114÷8×1.39=19.81 m2 承包人: 日 期: 年 月 日 甲方核定工程量: 现场甲方代表: 日 期: 年 月 日 附 图: 现场签证计量表 (内承[ ]计量 号) 合同名称: 合同编号:1-2 签证项目名称 砼、削坡土方、浆砌石工程 工程部位 0+000~0+027 中间签证单编号 工程量(计算式): 1、削坡土方(根据测量CAD 绘图计算)4.59×27=123.93 m3 2、挡土墙基础开挖(根据测量CAD 绘图计算)5.71×27=154.17 m3 3、挡土墙土方回填(根据测量CAD 绘图计算)2.25×27=60.752 m3 4、砂砾石反滤层(1.62+1.7)÷2×0.2×27=8.96 m3 5、PVC 排水管 27÷2×1.2=16.2m 6、M7.5 浆砌石挡土墙[0.3×0.3×4×114]+[(0.5+1.1)÷2×1.5×27]+[0.3×1.1×27]=51.03 m3 7、沥青木板伸缩缝 27÷8×1.89=6.38m2 8、坡面夯实 141×7.5=1057.5 m2 承包人: 日 期: 年 月 日 甲方核定工程量: 现场甲方代表: 日 期: 年 月 日 附 图: 现场签证计量表 (内承[ ]计量 号) 合同名称: 合同编号:1-3 签证项目名称 排水沟工程 工程部位 0+000~0+152.9 中间签证单编号 工程量(计算式): 1、人工土方开挖(2.03+0.55)÷2×0.74×152.9=145.96 m3 2、M7.5 浆砌石{[(0.3+0.55)÷2×0.3]+[(0.63+1.05)÷2×0.3×2]}×182.9=115.96 m3 3、沥青木板伸缩缝 152.9÷8×0.63=12.04 m2 承包人: 日 期: 年 月 日 甲方核定工程量: 现场甲方代表: 日 期: 年 月 日 附 图: 现场签证计量表 (内承[ ]计量 号) 合同名称: 合同编号:1-4 签证项目名称 直径50CM 涵管工程 工...

1、当您付费下载文档后,您只拥有了使用权限,并不意味着购买了版权,文档只能用于自身使用,不得用于其他商业用途(如 [转卖]进行直接盈利或[编辑后售卖]进行间接盈利)。
2、本站所有内容均由合作方或网友上传,本站不对文档的完整性、权威性及其观点立场正确性做任何保证或承诺!文档内容仅供研究参考,付费前请自行鉴别。
3、如文档内容存在违规,或者侵犯商业秘密、侵犯著作权等,请点击“违规举报”。

碎片内容

现场签证计量表

您可能关注的文档

确认删除?
VIP
微信客服
  • 扫码咨询
会员Q群
  • 会员专属群点击这里加入QQ群
客服邮箱
回到顶部